N7205A130B - 第70页
Front EMG Switch -S201 AR22VQR-03R(CCC) 11 12 21 22 31 32 Fuji Electric FA Components & Systems Front Safety Cover Switch CN Board : Safety CNEGF T0 CHK_EG1 CHK_EG2 1 2 3 IN040 24GND S24V 4 5 6 Si2 Si3 T5 FDCF1 IN042…

STO-SB(A)/TC LF 4C×12AWG
GN/YE
BK
WH
RD
WH
BK
STO-SB(A)/TC LF 2×16AWG
Note1) Connector Pin arrangement is not sequential.
+A11
Power Unit
B1
B2
B3
AMP
P1AK514
3-178129-6
A1
A2
A3
N1
P1
-K514
MR-BC201
Note1)
Capacitor Unit
CNP1A
B1
B2
B3
A1
A2
A3
D
UL1015 14AWG BK
UL1015 14AWG BK BK
BK
1BK503
LGP-PCF07PCF07-D0.5
CN1B
TX
RX
-K503
MR-J4-100B-MQ109
Mitsubishi
RX-Axis
Motor Driver
N510057853AA
R5.5-4
JST
FG3K504
R5.5-4
JST
FG4K502
R5.5-4
JST
FG1K504
R5.5-4
JST
FG2K502
MTKC005557**
MTKC005577AD
AWG1 600V VW-1(BK)
L112cX1
L312cX1
Ed2X1
L212cX1
L11d4X1
L31d3X1
MTKC005558**
※ 2 Beam Type Wiring
1AK504
RX
TX
CN1A
Motor Driver
3.5-R4
JST
E1K504
L1K504
AI4-10GY
PHOENIX CONTACT
RY-Axis
-K504
MR-J4W2-2020B-MQ109
Mitsubishi
CNP1
06JFAT-SAXGFK-XL
L1
L2
L3
JST
L1
L2
L3
CNP1
L2K504
L3K504
N-
P6
N-
P6
NK504
AI2.5-10BU
P6K504
L11K504
AI1.5-10BK
L21K504
P+
C
D
L11
L21
CNP2 CNP2
05JFAT-SAXGDK-H5.0
P+
C
D
L11
L21
JST
Driver Accessories
MTKA013012** : MAIN BODY (H):NPM-WX EXCLUSIVE
MTKA013012** : MAIN BODY (H) 2Beam:NPM-WX
2
Panasonic Smart Factory Solutions Co.,Ltd. パナソニック スマートファクトリーソリューションズ株式会社
Name
Drawing No.
Loc. No.
F4K1020-05A
1
2 3 4 5 6 7 8
A
B
C
D
E
F
1 2 3 4 5 6 7 8
A
B
C
D
E
F
Page. No.
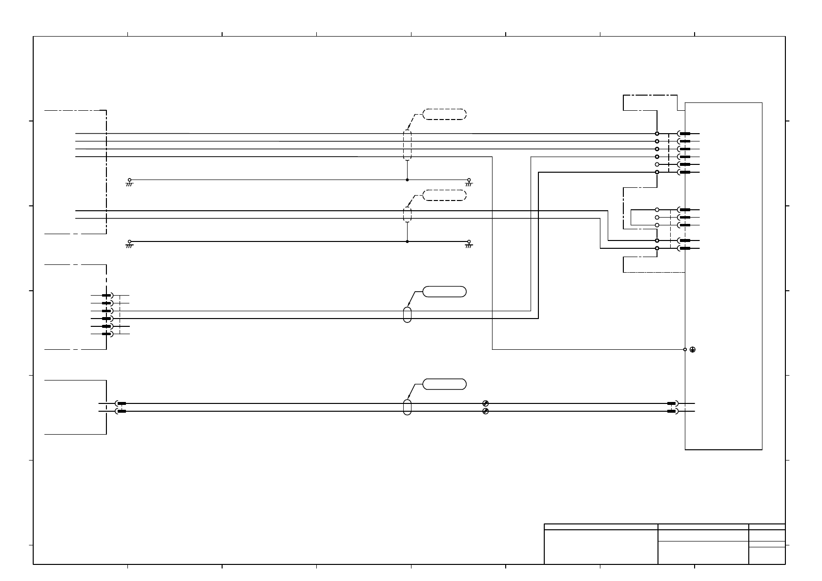
Main Body Wiring (NPM-WX)
(RY_Axis Wiring)
MTKA010992+016AE
P016

Front EMG Switch
-S201
AR22VQR-03R(CCC)
11 12
21 22
31 32
Fuji Electric FA Components & Systems
Front Safety Cover Switch
CN Board : Safety
CNEGF
T0
CHK_EG1
CHK_EG2
1
2
3
IN040
24GND
S24V
4
5
6
Si2
Si3
T5
FDCF1
IN042
S24GND
7
8
9
10
11
12
13
14
T4
EMGF
-K313
PDG14042A
IN044
24GND
15
16
JST
EGF_K313
PUDP-16V-S
1
2
3
4
5
6
7
8
9
10
11
12
13
14
15
16
AMP
S311R
177901-1
6
5
4
3
2
1
AMP
S311P
177909-1
6
5
4
3
2
1
+VIN
OUT
IN
I/O_OUT
GND
D40A-1C2
OMRON
-S311
UL1007 22AWG BU
BK/WH
BK
RD/WH
RD
GN/WH
GN
UL2464 (SPV854) 3P×22AWG(17/0.16TA) LF BK
BK/WH
BK
RD/WH
RD
GN/WH
GN
UL2464 (SPV854) 3P×22AWG(17/0.16TA) LF BK
BN
BK
WH
YE
BU
MTKC006144AE
Rear EMG Switch
-S202
AR22VQR-03R(CCC)
11 12
21 22
31 32
Fuji Electric FA Components & Systems
Rear Safety Cover Switch
CNEGR
CHK_EG1
Si0
EMGR
1
2
3
IN041
24GND
S24V
4
5
6
Si4
Si5
T5
FDCR1
IN043
S24GND
7
8
9
10
11
12
13
14
T4
CHK_EG2
IN045
24GND
15
16
JST
EGR_K313
PUDP-16V-S
1
2
3
4
5
6
7
8
9
10
11
12
13
14
15
16
AMP
S312R
177901-1
6
5
4
3
2
1
AMP
S312P
177909-1
6
5
4
3
2
1
+VIN
OUT
IN
I/O_OUT
GND
D40A-1C2
OMRON
-S312
UL1007 22AWG BU
BK/WH
BK
RD/WH
RD
GN/WH
GN
UL2464 (SPV854) 3P×22AWG(17/0.16TA) LF BK
BK/WH
BK
RD/WH
RD
GN/WH
GN
UL2464 (SPV854) 3P×22AWG(17/0.16TA) LF BK
BN
BK
WH
YE
BU
MTKC006145AE
Power Unit
11S201
N0.5-3.7
JST
12S201
21S201
22S201
31S201
32S201
11S202
N0.5-3.7
JST
12S202
21S202
22S202
31S202
32S202
MTKA010121** : Whole Cover : NPM-WX
+A11
MTKP001966**
MTKP001966**
MTKA010121** : Whole Cover : NPM-WX
Whole Cover
Whole Cover
2464C(BPF)VVP AWG#22×3P-B
5
2464C(BPF)VVP AWG#22×3P-B
5
2464C(BPF)VVP AWG#22×3P-B
5
2464C(BPF)VVP AWG#22×3P-B
5
Panasonic Smart Factory Solutions Co.,Ltd. パナソニック スマートファクトリーソリューションズ株式会社
Name
Drawing No.
Loc. No.
F4K1020-05A
1
2 3 4 5 6 7 8
A
B
C
D
E
F
1 2 3 4 5 6 7 8
A
B
C
D
E
F
Page. No.
Main Body Wiring (NPM-WX)
(EMG/Safety Switch)
MTKA010992+017AF
P017

CN Board : Safety
CNCV1
S24V
T4
1
2
3
FDCF2
IN200
4
5
6
FDCF1
-K313
PDG14042A
AMP
S315R
177901-1
6
5
4
3
2
1
AMP
S315P
177909-1
6
5
4
3
2
1
+VIN
OUT
IN
I/O_OUT
GND
D40A-1C2
OMRON
-S315
BK/WH
BK
RD/WH
RD
GN/WH
GN
UL2464 (SPV854) 3P×22AWG(17/0.16TA) LF BK
BN
BK
WH
YE
BU
MTKC006146AD
Power Unit
JST
CV1_K313
PAP-06V-S
6
5
4
3
2
1
CNCV2
S24GND
S24V
T5
1
2
3
FDCR2
IN201
4
5
6
FDCR1
AMP
S316R
177901-1
6
5
4
3
2
1
AMP
S316P
177909-1
6
5
4
3
2
1
+VIN
OUT
IN
I/O_OUT
GND
D40A-1C2
OMRON
-S316
BK/WH
BK
RD/WH
RD
GN/WH
GN
UL2464 (SPV854) 3P×22AWG(17/0.16TA) LF BK
BN
BK
WH
YE
BU
MTKC006147AD
JST
CV2_K313
PAP-06V-S
6
5
4
3
2
1
+A11
UL1007 22AWG BU
UL1007 22AWG BU
S24GND
Feeder Cover Switch : F
Feeder Cover Switch : R
MTKA010159** : Feeder Table Cover : NPM-WX
MTKP001966**
MTKP001966**
Feeder Table Cover
2464C(BPF)VVP AWG#22×3P-B
4
2464C(BPF)VVP AWG#22×3P-B
4
Panasonic Smart Factory Solutions Co.,Ltd. パナソニック スマートファクトリーソリューションズ株式会社
Name
Drawing No.
Loc. No.
F4K1020-05A
1
2 3 4 5 6 7 8
A
B
C
D
E
F
1 2 3 4 5 6 7 8
A
B
C
D
E
F
Page. No.
Main Body Wiring (NPM-WX)
(Feeder Cover Wiring)
MTKA010992+018AE
P018