N7205A130B - 第76页
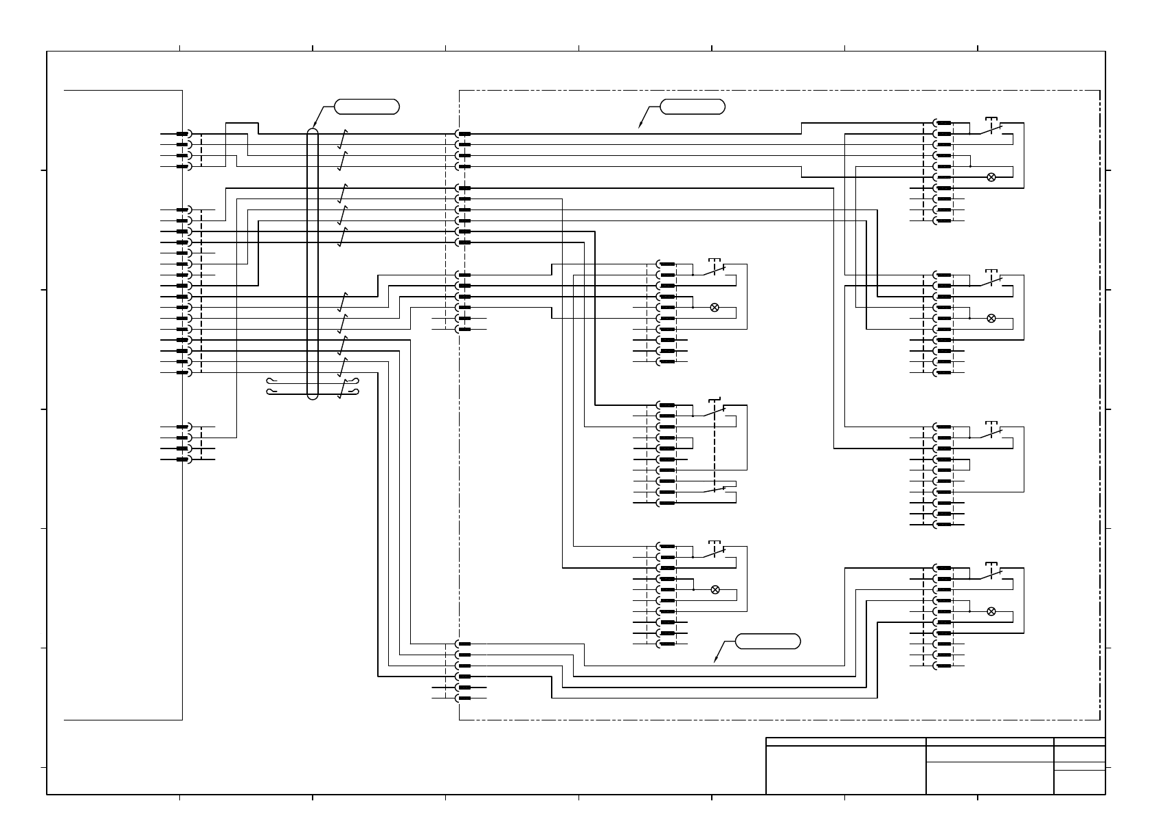
-K322 PDG14041 Rear EXCHANGE SW : R1 1 2 3 4 5 6 7 8 9 10 B10B-PASK JST A3UL-TBU-3A1C-M-SP4 OMRON -S0236 Rear SELECT SW 1 2 3 4 5 6 7 8 9 10 B10B-PASK JST A3UL-TBU-3A1C-M-SP2 OMRON -S0114 Rear STOP SW 1 2 3 4 5 6 7 8 9 1…

-K321
PDG14041
Front
EXCHANGE SW : F1
1
2
3
4
5
6
7
8
9
10
B10B-PASK
JST
A3UL-TBU-3A1C-M-SP4
OMRON
-S0230
Front
SELECT SW
1
2
3
4
5
6
7
8
9
10
B10B-PASK
JST
A3UL-TBU-3A1C-M-SP2
OMRON
-S0014
Front
STOP SW
1
2
3
4
5
6
7
8
9
10
B10B-PASK
JST
A3U-TBK-A1C-M-SP5
OMRON
-S0012
JST
EXCH_L
PAP-10V-S
10
9
8
7
6
5
4
3
2
1
JST
SELECT
PAP-10V-S
10
9
8
7
6
5
4
3
2
1
JST
STOP
PAP-10V-S
10
9
8
7
6
5
4
3
2
1
MTKC006153AD
CNSW1
1
2
3
4
5
6
7
8
9
10
CN Board : I/O #1(Front)
24GND
STOP_IN(IN012)
SV_CHK(SVFR)
SV_IN(IN137)
24GND
SELECT_IN(IN014)
24VOUT
SELECT_OT(OUT031)
24GND
A_EXCHG_IN(IN230)
24VOUT
A_EXCHG_OT(OUT203)
24GND
B_EXCHG_IN(IN730)
24VOUT
B_EXCHG_OT(OUT703)
11
12
13
14
15
16
JST
SW1_K321
PUDP-16V-S
1
2
3
4
5
6
7
8
9
10
11
12
13
14
15
16
10
9
8
7
6
5
4
3
2
1
JST
SERVO
PAP-10V-S
1
2
3
4
5
6
7
8
9
10
B10B-PASK
JST
A3US-SB-2M-AC
OMRON
-S0137
RD
RD/WH
BK
BK/WH
GN
GN/WH
YE
YE/WH
BN
BN/WH
BU
BU/WH
Front
SERVO SW
A3UL-TBU-3A1C-M-SP3
OMRON
-S0011
JST
B10B-PASK
1
2
3
4
5
6
7
8
9
10
Front
START SW
JST
START
PAP-10V-S
10
9
8
7
6
5
4
3
2
1
A3UL-TBU-3A1C-M-SP1
OMRON
-S0013
JST
B10B-PASK
1
2
3
4
5
6
7
8
9
10
Front
ACTIVATION SW
JST
ACTV
PAP-10V-S
10
9
8
7
6
5
4
3
2
1
CNSW2
1
2
3
4
24VOUT
START_IN(IN011)
START_OT(OUT030)
24GND
JST
SW2_K321
PAP-04V-S
4
3
2
1
CNSW3
1
2
3
4
24OUT
ACTIVATION_IN(IN013)
N.C.
24GND
JST
SW3_K321
PAP-04V-S
4
3
2
1
MOLEX
FSW1R
5557-16R-210
16
15
14
13
12
11
10
9
8
7
6
5
4
3
2
1
MOLEX
F/RSW1P
5559-16P-210
1
2
3
4
5
6
7
8
9
10
11
12
13
14
15
16
GY/WH
GY
UL1007 24AWG BU BU
UL1007 24AWG BU BU
BU
UL1007 24AWG BU
UL1007 24AWG BU BU
BU
UL1007 24AWG BU
UL1007 24AWG BU
UL1007 24AWG BU
UL1007 24AWG BU UL1007 24AWG BU BU
BU
UL1007 24AWG BU
UL1007 24AWG BU BU
BU
UL1007 24AWG BU
UL1007 24AWG BU BU
BU
UL1007 24AWG BU
UL1007 24AWG BU BU
BU
UL1007 24AWG BU
UL1007 24AWG BU BU
BU UL1007 24AWG BU
MTKC007419AB
MTKA008061** : Operation Parts (H) : NPM-WX
Front
EXCHANGE SW : F2
1
2
3
4
5
6
7
8
9
10
B10B-PASK
JST
A3UL-TBU-3A1C-M-SP4
OMRON
-S0730
JST
EXCH_R
PAP-10V-S
10
9
8
7
6
5
4
3
2
1
MOLEX
FSW2R
5557-06R-210
6
5
4
3
2
1
MOLEX
F/RSW2P
5559-06P-210
6
5
4
3
2
1
UL1007 24AWG BU BU
UL1007 24AWG BU
UL1007 24AWG BU BU
UL1007 24AWG BU
UL2464 (SPV840) 10P×24AWG(11/0.16TA) LF BK
LG/WH
LG
VT/WH
VT
OG/WH
OG
MTKC005587AC
BU
BU
BU
BU
BU
Operation Parts (H)
2464C(BPF)VVP AWG#24×10P-B
4
Panasonic Smart Factory Solutions Co.,Ltd. パナソニック スマートファクトリーソリューションズ株式会社
Name
Drawing No.
Loc. No.
F4K1020-05A
1
2 3 4 5 6 7 8
A
B
C
D
E
F
1 2 3 4 5 6 7 8
A
B
C
D
E
F
Page. No.
Main Body Wiring (NPM-WX)
(Front Switch Wiring)
MTKA010992+022AE
P022

-K322
PDG14041
Rear
EXCHANGE SW : R1
1
2
3
4
5
6
7
8
9
10
B10B-PASK
JST
A3UL-TBU-3A1C-M-SP4
OMRON
-S0236
Rear
SELECT SW
1
2
3
4
5
6
7
8
9
10
B10B-PASK
JST
A3UL-TBU-3A1C-M-SP2
OMRON
-S0114
Rear
STOP SW
1
2
3
4
5
6
7
8
9
10
B10B-PASK
JST
A3U-TBK-A1C-M-SP5
OMRON
-S0112
MTKC006154AD
CNSW1
1
2
3
4
5
6
7
8
9
10
A_EXCHG_IN(IN236)
24VOUT
24GND
B_EXCHG_IN(IN736)
24VOUT
11
12
13
14
15
16
JST
SW1_K322
PUDP-16V-S
1
2
3
4
5
6
7
8
9
10
11
12
13
14
15
16
1
2
3
4
5
6
7
8
9
10
B10B-PASK
JST
A3US-SB-2M-AC
OMRON
-S1137
RD
RD/WH
BK
BK/WH
GN
GN/WH
YE
YE/WH
BN
BN/WH
BU
BU/WH
Rear
SERVO SW
A3UL-TBU-3A1C-M-SP3
OMRON
-S0111
JST
B10B-PASK
1
2
3
4
5
6
7
8
9
10
Rear
START SW
A3UL-TBU-3A1C-M-SP1
OMRON
-S0113
JST
B10B-PASK
1
2
3
4
5
6
7
8
9
10
Rear
ACTIVATION SW
1
2
3
4
JST
SW2_K322
PAP-04V-S
4
3
2
1
CNSW3
1
2
3
4
JST
SW3_K322
PAP-04V-S
4
3
2
1
MOLEX
RSW1R
5557-16R-210
16
15
14
13
12
11
10
9
8
7
6
5
4
3
2
1
GY/WH
GY
Rear
EXCHANGE SW : R2
1
2
3
4
5
6
7
8
9
10
B10B-PASK
JST
A3UL-TBU-3A1C-M-SP4
OMRON
-S0736
MOLEX
RSW2R
5557-06R-210
6
5
4
3
2
1
UL2464 (SPV840) 10P×24AWG(11/0.16TA) LF BK
LG/WH
LG
VT/WH
VT
OG/WH
OG
CN Board : I/O #2(Rear)
24GND
STOP_IN(IN112)
SV_CHK(24GND)
SV_CHK(SVFR)
24GND
SELECT_IN(IN114)
24VOUT
SELECT_OT(OUT131)
24GND
24VOUT
A_EXCHG_OT(OUT207)
24GND
24VOUT
B_EXCHG_OT(OUT707)
CNSW2
24VOUT
START_IN(IN111)
START_OT(OUT130)
24GND
24OUT
ACTIVATION_IN(IN113)
N.C.
24GND
JST
SELECT
PAP-10V-S
10
9
8
7
6
5
4
3
2
1
JST
STOP
PAP-10V-S
10
9
8
7
6
5
4
3
2
1
JST
START
PAP-10V-S
10
9
8
7
6
5
4
3
2
1
MOLEX
F/RSW1P
5559-16P-210
1
2
3
4
5
6
7
8
9
10
11
12
13
14
15
16
UL1007 24AWG BU BU
UL1007 24AWG BU
BU
UL1007 24AWG BU
UL1007 24AWG BU BU
BU
UL1007 24AWG BU
UL1007 24AWG BU
UL1007 24AWG BU
UL1007 24AWG BU UL1007 24AWG BU BU
BU
UL1007 24AWG BU
UL1007 24AWG BU BU
BU
UL1007 24AWG BU
UL1007 24AWG BU BU
BU
UL1007 24AWG BU
UL1007 24AWG BU BU
BU
UL1007 24AWG BU
UL1007 24AWG BU BU
BU UL1007 24AWG BU
MTKC007419AB
JST
EXCH_R
PAP-10V-S
10
9
8
7
6
5
4
3
2
1
MOLEX
F/RSW2P
5559-06P-210
6
5
4
3
2
1
UL1007 24AWG BU BU
UL1007 24AWG BU
UL1007 24AWG BU BU
UL1007 24AWG BU
MTKC005587AC
BU
BU
BU
BU
BU
BU
JST
EXCH_L
PAP-10V-S
10
9
8
7
6
5
4
3
2
1
10
9
8
7
6
5
4
3
2
1
JST
SERVO
PAP-10V-S
JST
ACTV
PAP-10V-S
2
1
10
9
8
7
6
5
4
3
B
A
MTKA008061** : Operation Parts (H) : NPM-WX
Operation Parts (H)
2464C(BPF)VVP AWG#24×10P-B
4
Panasonic Smart Factory Solutions Co.,Ltd. パナソニック スマートファクトリーソリューションズ株式会社
Name
Drawing No.
Loc. No.
F4K1020-05A
1
2 3 4 5 6 7 8
A
B
C
D
E
F
1 2 3 4 5 6 7 8
A
B
C
D
E
F
Page. No.
Main Body Wiring (NPM-WX)
(Rear Switch Wiring)
MTKA010992+023AE
P023

+A01
CPU Box
-K301
HTPE0841-X1
LAN1K301
STPC26-5E(LB)-S200C
USB1
Y-E DATA
YD-8V76-00000001
-C101
Card
Reader
LAN1K301
CNLAN1
USB1
Main Body
To HUB
TA1958SS-NBK
Japan Telegaertner
CNLN CNLN
MTNW000212AA
USB A TO MINI B CABLE ASS’Y L=2400MM
MTNW000850AA
USB2
CPU Board
2
STPC26-5E(LB)-S220C
2
3
B841S-88GF-H001
4
KANEKO CORD
Panasonic Smart Factory Solutions Co.,Ltd. パナソニック スマートファクトリーソリューションズ株式会社
Name
Drawing No.
Loc. No.
F4K1020-05A
1 2 3 4 5 6 7 8
A
B
C
D
E
F
1 2 3 4 5 6 7 8
A
B
C
D
E
F
Page. No.
Main Body Wiring (NPM-WX)
(LAN,USB Wiring)
MTKA010992+024AE
P024