N7205A130B - 第81页
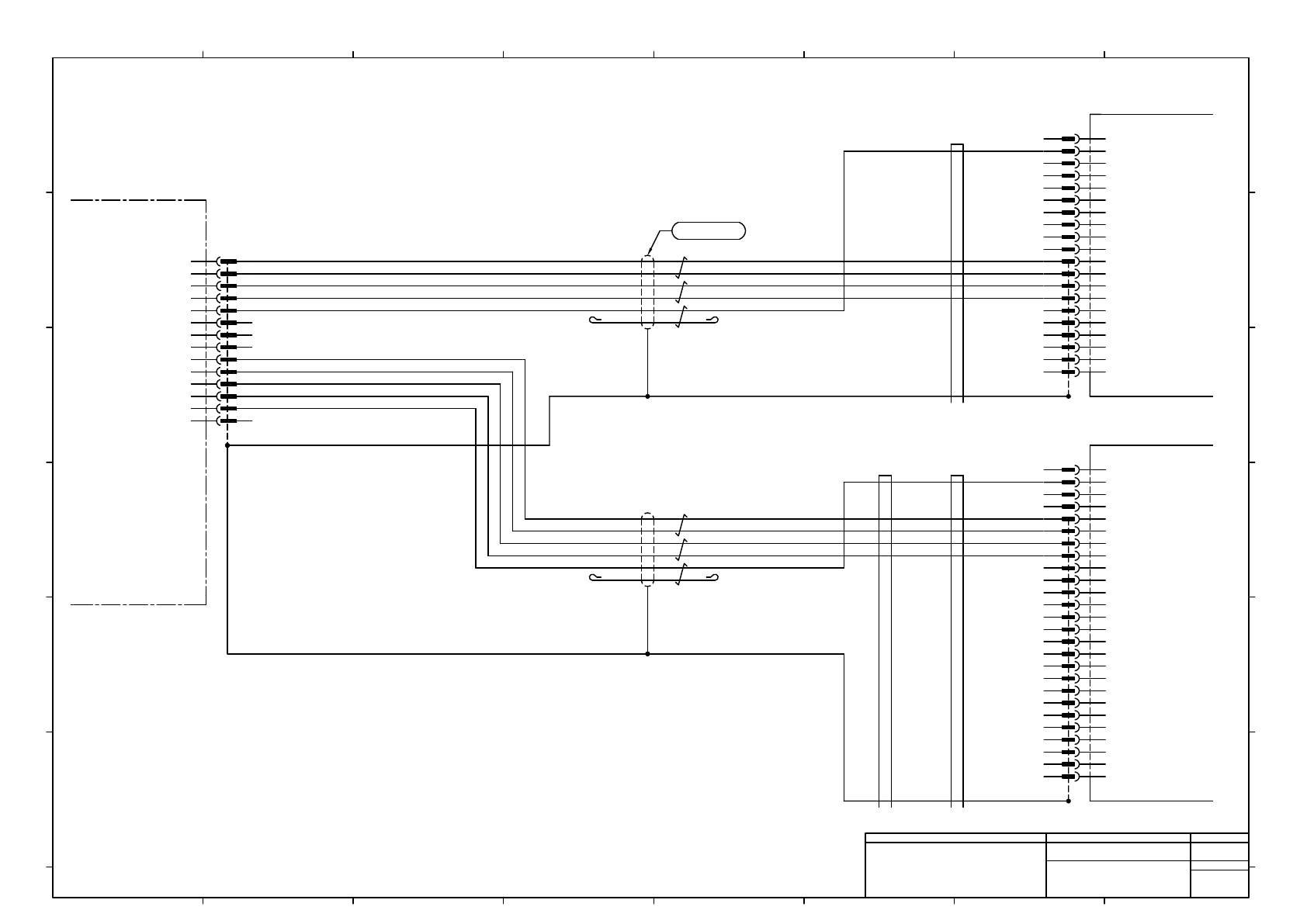
+A11 Power Unit MCRP P24 G24 1 2 3 4 5 6 P24 G24 N.C FG FGA13 R1.25-4 JST +A13 CN1 P24 G24 P24 G24 1 3 2 4 BK/WH BK RD/WH RD Multi Recognition Camera(Rear) MOLEX 1A13 5557-04R-210 4 3 2 1 MOLEX MCRRA11 5557-06R-210 6 5 4…

+A11
Power Unit
MCFP
P24
G24
1
2
3
4
5
6
P24
G24
N.C
FG
FGA12
R1.25-4
JST
+A12
CN1
P24
G24
P24
G24
1
3
2
4
BK/WH
BK
RD/WH
RD
Multi Recognition Camera(Front)
MOLEX
1A12
5557-04R-210
4
3
2
1
MOLEX
MCFRA11
5557-06R-210
6
5
4
3
2
1
2464C(BPF)VSVP AWG#20×2P-B
-K303
PPREAB
+A01
CPU Box
Capture Board
CN1
SHIELD
12V
GND
X0-
X0+
X1-
X1+
X2-
X2+
XCLK-
XCLK+
X3-
X3+
SERTC+
SERTC-
CC1-
CC1+
SERTFG-
SERTFG+
GND
12V
CC2+
CC2-
CC3-
CC3+
CC4+
CC4-
1
14
25
12
24
11
23
10
22
9
21
8
20
7
18
5
19
6
13
26
17
4
16
15
3
2
GND/12V
GND
X0-
X0+
X1-
X1+
X2-
X2+
XCLK-
XCLK+
X3-
X3+
SERTC+
SERTC-
CC1-
CC1+
SERTFG-
SERTFG+
GND
GND/12V
1
14
2
15
3
16
4
17
5
18
6
19
7
20
9
22
8
21
13
26
10
23
11
12
24
25
LB
DRAIN
BN
YE
BN
GN
WH
BN
GN
RD
DRAIN
WH
BN
GN
BU
WH
BN
DRAIN
BN
GN
YE
1SQ26-P1F0-P6C-150
3M
1K303
12126-3000FR
1
14
25
12
24
11
23
10
22
9
21
8
20
7
18
5
19
6
13
26
17
4
16
3
15
2
3M
2A12
12126-3000FR
25
12
24
11
23
10
26
13
21
8
22
9
20
7
19
6
18
5
17
4
16
3
15
2
14
1
12326-3140-00
CC2+
CC2-
CC3-
CC3+
CC4+
CC4-
CN2
Note1) Note1)
MTNW000864AA
MTKC006156AB
Note1) Connector Pin arrangement is not sequential.
MCFA11
2
Panasonic Smart Factory Solutions Co.,Ltd. パナソニック スマートファクトリーソリューションズ株式会社
Name
Drawing No.
Loc. No.
F4K1020-05A
1 2 3 4 5 6 7 8
A
B
C
D
E
F
1 2 3 4 5 6 7 8
A
B
C
D
E
F
Page. No.
Main Body Wiring (NPM-WX)
(Multi Recognition Camera Front)
MTKA010992+027AC
P027

+A11
Power Unit
MCRP
P24
G24
1
2
3
4
5
6
P24
G24
N.C
FG
FGA13
R1.25-4
JST
+A13
CN1
P24
G24
P24
G24
1
3
2
4
BK/WH
BK
RD/WH
RD
Multi Recognition Camera(Rear)
MOLEX
1A13
5557-04R-210
4
3
2
1
MOLEX
MCRRA11
5557-06R-210
6
5
4
3
2
1
2464C(BPF)VSVP AWG#20×2P-B
-K303
PPREAB
+A01
CPU Box
Capture Board
CN3
SHIELD
12V
GND
X0-
X0+
X1-
X1+
X2-
X2+
XCLK-
XCLK+
X3-
X3+
SERTC+
SERTC-
CC1-
CC1+
SERTFG-
SERTFG+
GND
12V
CC2+
CC2-
CC3-
CC3+
CC4+
CC4-
1
14
25
12
24
11
23
10
22
9
21
8
20
7
18
5
19
6
13
26
17
4
16
15
3
2
GND/12V
GND
X0-
X0+
X1-
X1+
X2-
X2+
XCLK-
XCLK+
X3-
X3+
SERTC+
SERTC-
CC1-
CC1+
SERTFG-
SERTFG+
GND
GND/12V
1
14
2
15
3
16
4
17
5
18
6
19
7
20
9
22
8
21
13
26
10
23
11
12
24
25
LB
DRAIN
BN
YE
BN
GN
WH
BN
GN
RD
DRAIN
WH
BN
GN
BU
WH
BN
DRAIN
BN
GN
YE
1SQ26-P1F0-P7C-310
3M
3K303
12126-3000FR
1
14
25
12
24
11
23
10
22
9
21
8
20
7
18
5
19
6
13
26
17
4
16
3
15
2
3M
2A13
12126-3000FR
25
12
24
11
23
10
26
13
21
8
22
9
20
7
19
6
18
5
17
4
16
3
15
2
14
1
12326-3140-00
CC2+
CC2-
CC3-
CC3+
CC4+
CC4-
CN2
Note1) Note1)
MTNW000863AA
MTKC006157AC
Note1) Connector Pin arrangement is not sequential.
MCRA11
3
Panasonic Smart Factory Solutions Co.,Ltd. パナソニック スマートファクトリーソリューションズ株式会社
Name
Drawing No.
Loc. No.
F4K1020-05A
1 2 3 4 5 6 7 8
A
B
C
D
E
F
1 2 3 4 5 6 7 8
A
B
C
D
E
F
Page. No.
Main Body Wiring (NPM-WX)
(Multi Recognition Camera Rear)
MTKA010992+028AD
P028

CN3
+A12
ENC_A1_P
ENC_A1_N
1
8
3
10
2
9
ENC_B1_P
ENC_B1_N
GND
N.C.
GND
ENC_A2_P
4
11
5
12
7
14
ENC_A2_N
ENC_B2_P
ENC_B2_N
GND
N.C.
6
13
2464C(BPF)VSVP AWG#24×3P-B
GN/WH
GN
BK/WH
BK
RD/WH
RD
2464C(BPF)VSVP AWG#24×3P-B
GN/WH
GN
BK/WH
BK
RD/WH
RD
N.C.
Sumitomo 3M
3A12
10114-3000PE
1
8
3
10
2
9
4
11
5
12
7
14
6
13
Multi Recognition Camera
(Front)
Note1) Connector Pin arrangement is not sequential.
Note1)
MTKC006158AD
10314-52F0-008
Sumitomo 3M
CN3K501
10120-3000PE
6
16
7
17
8
18
11
Note1)
Sumitomo 3M
CN3K502
10126-3000PE
3
16
4
17
5
18
Note1)
19
6
14
FX-Axis
Motor Driver
CN3
-K501
MR-J4-100B-MQ109
Mitsubishi Electric
LG
LG
DI0
DI2
DOCOM
MBR
MO1
MO2
DICOM
ALM
LA
LAR
LB
LBR
LZ
LZR
INP
DI3
DICOM
EM2
1
11
2
12
3
13
4
14
5
15
6
16
7
17
8
18
9
19
10
20
-K502
MR-J4W2-2020B-MQ109
Mitsubishi Electric
DI1-C
LG
DI2-C
DI3-C
LA-A
LAR-A
LB-A
LBR-A
LA-B
LAR-B
LB-B
LBR-B
DI1-A
DI1-B
DI2-A
DI2-B
DI3-A
DI3-B
EM2
DICOM
CALM
CINP
MBR-A
MBR-B
MBR-C
DOCOM
CN3
1
14
2
15
3
16
4
17
5
18
6
19
7
20
8
21
9
22
10
23
11
24
12
25
13
26
FY-Axis
Motor Driver
9
19
10
20
15
5
14
4
13
3
12
2
1
1
2
15
7
8
20
21
22
9
10
11
23
24
25
12
26
13
※ 2 Beam Type Wiring
2
3
KITAGAWA Industries
RFC-H13
KITAGAWA Industries
RFC-H13
KITAGAWA Industries
RFC-20
4
Panasonic Smart Factory Solutions Co.,Ltd. パナソニック スマートファクトリーソリューションズ株式会社
Name
Drawing No.
Loc. No.
F4K1020-05A
1 2 3 4 5 6 7 8
A
B
C
D
E
F
1 2 3 4 5 6 7 8
A
B
C
D
E
F
Page. No.
Main Body Wiring (NPM-WX)
(Encoder Connection FX,FY Axis for 2Beam)
MTKA010992+029AE
P029