N7205A130B - 第91页
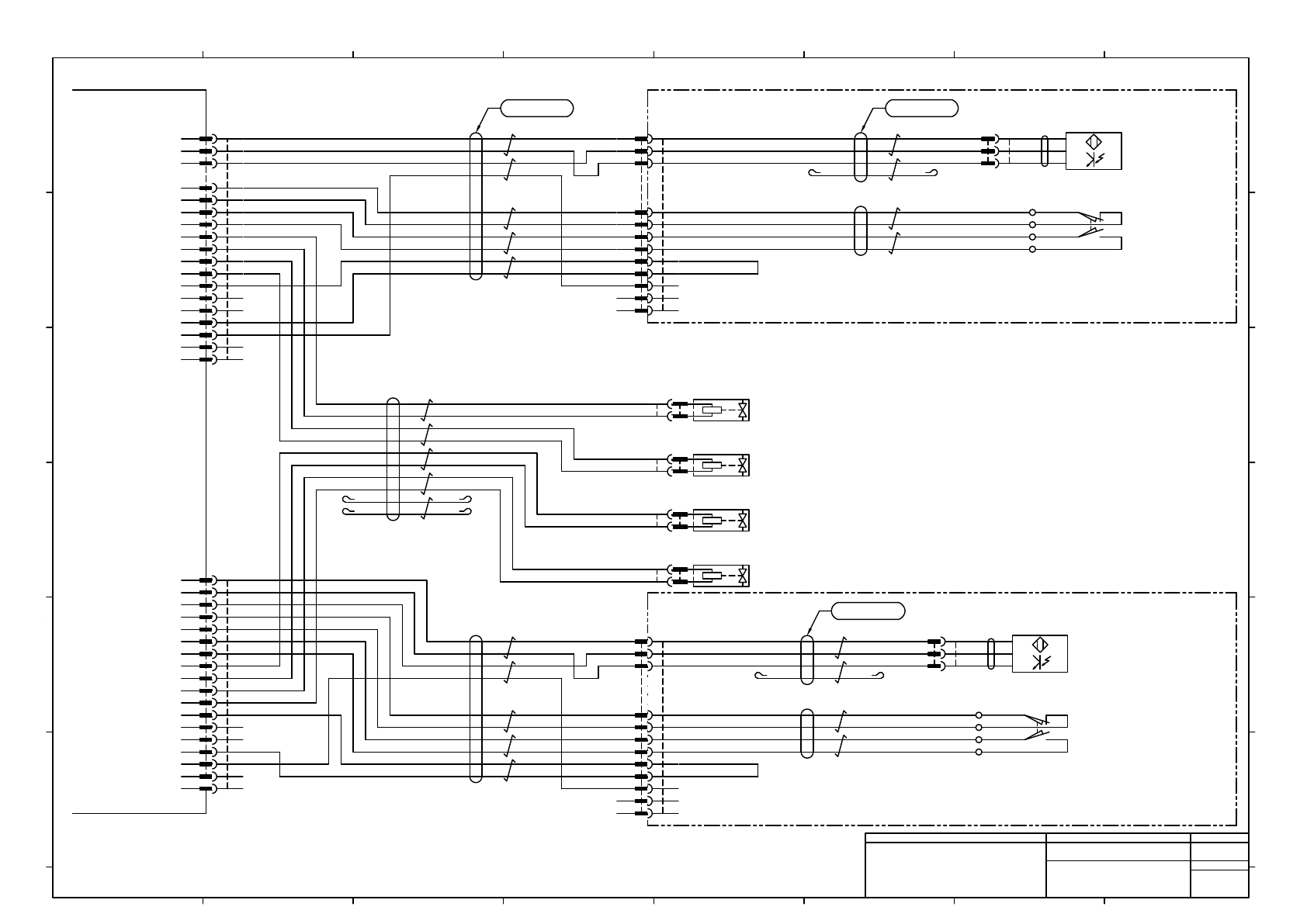
+A11 Power Unit -K313 PDG14042A CN Board : Safety CNTBR 1 2 3 4 5 6 7 8 9 10 11 12 13 14 15 16 17 18 -K322 PDG14041 CN Board : I/O #2(Rear) CNFB1 1 2 3 4 5 6 7 8 9 10 11 12 JST TBR_K313 PUDP-18V-S 1 2 3 4 5 6 7 8 9 10 11…

+A11
Power Unit
-K313
PDG14042A
CN Board : Safety
CNTBF
TxD7A+
TxD7A-
RxD7A+
1
2
3
RxD7A-
GND
N.C.
4
5
6
IN702
IN704
Si6
7
8
9
10
11
12
13
14
OUT034
T1F
T3F
15
16
17
18
24GND
FEMG+
FEMG-
T1
Si7
T3
-K321
PDG14041
CN Board : I/O #1(Front)
CNFB1
1
2
3
4
5
6
7
8
9
10
11
12
24VOUT
B_OPS1(IN731)
24GND
24VOUT
B_OPS3(IN733)
24GND
24VOUT
24GND
24VOUT
24GND
24VOUT
24GND
JST
TBF_K313
PUDP-18V-S
1
2
3
4
5
6
7
8
9
10
11
12
13
14
15
16
17
18
JST
FB1_K321
PUDP-12V-S
1
2
3
4
5
6
7
8
9
10
11
12
AMP
S0731P
177909-1
6
5
4
3
2
1
AMP
S0731/7R
177901-1
6
5
4
3
2
1
11
N0.5-3
JST
12
21
22
Feeder Protective Cover Switch : F1
-S0731
11 12
21 22
IDEC
HS5D-02RNP
S0731
MTKC009678AE
MTKA017575** : Tray and Cart exchange specification:NPM-WX
AMP
S0731/7R
177901-1
6
5
4
3
2
1
UL1007 24AWG BU BU
MTKC009677AB
MTKC009676AD
UL1007 24AWG BU
BK/WH
BK
RD/WH
RD
UL2464 (SPV840) 2P×24AWG(11/0.16TA) LF BK
UL1007 24AWG BU
※ Cart specification : F1
※ Tray specification : F1
No Connection
※ Cart/Tray exchange specification : F1
UL2464 (SPV840) 1P×24AWG(11/0.16TA) LF BK
BK
BK/WH
RD
RD/WH
BK
BK/WH
UL2464 (SPV840) 2P×24AWG(11/0.16TA) LF BK
MTKA017796** : 17 Slot Feeder Cart Support Wiring(Left Side):NPM-WX
MTKA012728** : 30 Slot Feeder Cart Support Wiring:NPM-WX
2464C(BPF)VVP AWG#24×1P-B
6
2464C(BPF)VVP AWG#24×2P-B
6
2464C(BPF)VVP AWG#24×2P-B
6
Panasonic Smart Factory Solutions Co.,Ltd. パナソニック スマートファクトリーソリューションズ株式会社
Name
Drawing No.
Loc. No.
F4K1020-05A
1
2 3 4 5 6 7 8
A
B
C
D
E
F
1 2 3 4 5 6 7 8
A
B
C
D
E
F
Page. No.
Main Body Wiring (NPM-WX)
(Feeder Protective Cover Switch : F1)
MTKA010992+037AG
P037

+A11
Power Unit
-K313
PDG14042A
CN Board : Safety
CNTBR
1
2
3
4
5
6
7
8
9
10
11
12
13
14
15
16
17
18
-K322
PDG14041
CN Board : I/O #2(Rear)
CNFB1
1
2
3
4
5
6
7
8
9
10
11
12
JST
TBR_K313
PUDP-18V-S
1
2
3
4
5
6
7
8
9
10
11
12
13
14
15
16
17
18
JST
FB1_K322
PUDP-12V-S
1
2
3
4
5
6
7
8
9
10
11
12
AMP
S0737P
177909-1
6
5
4
3
2
1
AMP
S0731/7R
177901-1
6
5
4
3
2
1
12
21
22
Feeder Protective Cover Switch : R1
-S0737
11 12
21 22
IDEC
HS5D-02RNP
MTKC009678AE
MTKA017575** : Tray and Cart exchange specification:NPM-WX
AMP
S0731/7R
177901-1
6
5
4
3
2
1
UL1007 24AWG BU BU
MTKC009677AB
UL1007 24AWG BU
BK/WH
BK
RD/WH
RD
UL2464 (SPV840) 2P×24AWG(11/0.16TA) LF BK
UL1007 24AWG BU
TxD8A+
TxD8A-
RxD8A+
RxD8A-
GND
N.C.
IN703
IN705
Si8
OUT035
T2R
T3R
24GND
REMG+
REMG-
T2
Si9
T3
24VOUT
B_OPS1(IN737)
24GND
24VOUT
B_OPS3(IN741)
24GND
24VOUT
24GND
24VOUT
24GND
24VOUT
24GND
BU
No Connection
※ Cart specification : R1
※ Tray specification : R1
※ Cart/Tray exchange specification : R1
MTKC009679AD
UL2464 (SPV840) 1P×24AWG(11/0.16TA) LF BK
BK
BK/WH
RD
RD/WH
BK
BK/WH
UL2464 (SPV840) 2P×24AWG(11/0.16TA) LF BK
11
N0.5-3
JST
S0737
MTKA017796** : 17 Slot Feeder Cart Support Wiring(Left Side):NPM-WX
MTKA012728** : 30 Slot Feeder Cart Support Wiring:NPM-WX
2464C(BPF)VVP AWG#24×1P-B
6
2464C(BPF)VVP AWG#24×2P-B
6
2464C(BPF)VVP AWG#24×2P-B
6
Panasonic Smart Factory Solutions Co.,Ltd. パナソニック スマートファクトリーソリューションズ株式会社
Name
Drawing No.
Loc. No.
F4K1020-05A
1
2 3 4 5 6 7 8
A
B
C
D
E
F
1 2 3 4 5 6 7 8
A
B
C
D
E
F
Page. No.
Main Body Wiring (NPM-WX)
(Feeder Protective Cover Switch : R1)
MTKA010992+038AG
P038

CN Board : I/O #1(Front)
-K321
CNCLA
24VOUT
24GND
1
2
3
4
A_LKF_IN(IN210)
A_CHK_IN(IN211)
24VOUT
5
6
7
8
CHECKA
A_LCK_OT(OUT200)
9
10
11
12
CHECKA
PDG14041
24GND
A_LKF_OT(OUT202)
A_FIX_IN(IN212)
13
14
A_CNK_IN(IN213)
-B1210
D-M9N
BN
BK
BU
SMC
Cart lock
Release Confirmation : F1
AMP
B1210R
177899-1
3
2
1
AMP
B1210/1214P
177907-1
3
2
1
Cart Setting Check : F1
-R4200
VQZ1321-5LOZ1-M5-X562-Q
SMC
Cart Lock : F1
-R4202
VQZ1321-5LOZ1-M5-X562-Q
SMC
Cart Lock Release : F1
SMC
R4200R
SY100-29-1
-
+
SMC
R4202R
SY100-29-1
-
+
UL1007 24AWG BU
MTKC007215AE
BK/WH
BK
RD/WH
RD
UL2464 (SPV840) 2P×24AWG(11/0.16TA) LF BK
MTKC008655AE
BK/WH
BK
RD/WH
RD
UL2464 (SPV840) 2P×24AWG(11/0.16TA) LF BK
15
16
17
18
24GND
JST
CLA_K321
PUDP-18V-S
1
2
3
4
5
6
7
8
9
10
11
12
13
14
15
16
17
18
JST
FCDLFP
J21DPM-12V-KX
B6
A6
B5
A5
B4
A4
B3
A3
B2
A2
B1
A1
JST
FCDLR
J21DF-12V-KX-L
A1
B1
A2
B2
A3
B3
A4
B4
A5
B5
A6
B6
MTKA017572** : 17 Slot Feeder Cart Support Unit(Left Side)H:NPM-WX
-S3211
D4N-1122
31 32
13 14
OMRON
31
N0.5-3.7
JST
32
13
14
S3211/3215
24GND
24VOUT
24VOUT
24VOUT
24GND
-R4700
VQZ1321-5LOZ1-M5-X562-Q
SMC
Cart Lock : F2
-R4702
VQZ1321-5LOZ1-M5-X562-Q
SMC
Cart Lock Release : F2
SMC
R4700R
SY100-29-1
-
+
SMC
R4702R
SY100-29-1
-
+
CNCLB
24VOUT
24GND
1
B_LKF_IN(IN710)
B_CHK_IN(IN711
CHECKB
B_LKF_OT(OUT700)
CHECKB
24GND
B_LCK_OT(OUT702)
B_FIX_IN(IN712)
B_CNK_IN(IN713)
-B1710
D-M9N
BN
BK
BU
SMC
Cart lock
Release Confirmation : F2
AMP
B1710R
177899-1
3
2
1
Cart Setting Check : F2
18
JST
CLB_K321
PUDP-18V-S
1
2
3
4
5
6
7
8
9
10
11
12
13
14
15
16
17
18
24VOUT
24GND
-S3711
D4N-1122
31 32
13 14
OMRON
31
N0.5-3.7
JST
32
13
14
2
3
4
5
6
7
8
9
10
11
12
13
14
15
16
17
24GND
24GND
24VOUT
24VOUT
24VOUT
AMP
B1710/1714P
177907-1
3
2
1
UL1007 24AWG BU
BK/WH
BK
RD/WH
RD
JST
FCDRFP
J21DPM-12V-KX
B6
A6
B5
A5
B4
A4
B3
A3
B2
A2
B1
A1
JST
FCDRR
J21DF-12V-KX-L
A1
B1
A2
B2
A3
B3
A4
B4
A5
B5
A6
B6
MTKC008659AC
S3711/3715
BK/WH
BK
RD/WH
RD
UL2464 (SPV840) 2P×24AWG(11/0.16TA) LF BK
UL2464 (SPV840) 2P×24AWG(11/0.16TA) LF BK
BK/WH
BK
RD/WH
RD
BN/WH
BN
YE/WH
YE
GN/WH
GN
UL2464 (SPV840) 5P×24AWG(11/0.16TA) LF BK
BN/WH
BN
YE/WH
YE
GN/WH
GN
BK/WH
BK
RD/WH
RD
UL2464 (SPV840) 5P×24AWG(11/0.16TA) LF BK
6
5
BN/WH
BN
YE/WH
YE
GN/WH
GN
BK/WH
BK
RD/WH
RD
UL2464 (SPV840) 5P×24AWG(11/0.16TA) LF BK
6
MTKA017573** : 17 Slot Feeder Cart Support Unit(Right Side)H:NPM-WX
5
5
2464C(BPF)VVP AWG#24×5P-B
6
2464C(BPF)VVP AWG#24×5P-B
6
2464C(BPF)VVP AWG#24×5P-B
6
4
2464C(BPF)VVP AWG#24×2P-B
6
2464C(BPF)VVP AWG#24×2P-B
6
6
2464C(BPF)VVP AWG#24×2P-B
6
2464C(BPF)VVP AWG#24×2P-B
6
Panasonic Smart Factory Solutions Co.,Ltd. パナソニック スマートファクトリーソリューションズ株式会社
Name
Drawing No.
Loc. No.
F4K1020-05A
1
2 3 4 5 6 7 8
A
B
C
D
E
F
1 2 3 4 5 6 7 8
A
B
C
D
E
F
Page. No.
Main Body Wiring (NPM-WX)
(Cart Sensor : Front 1)
MTKA010992+039AG
P039