N7205A130B - 第94页
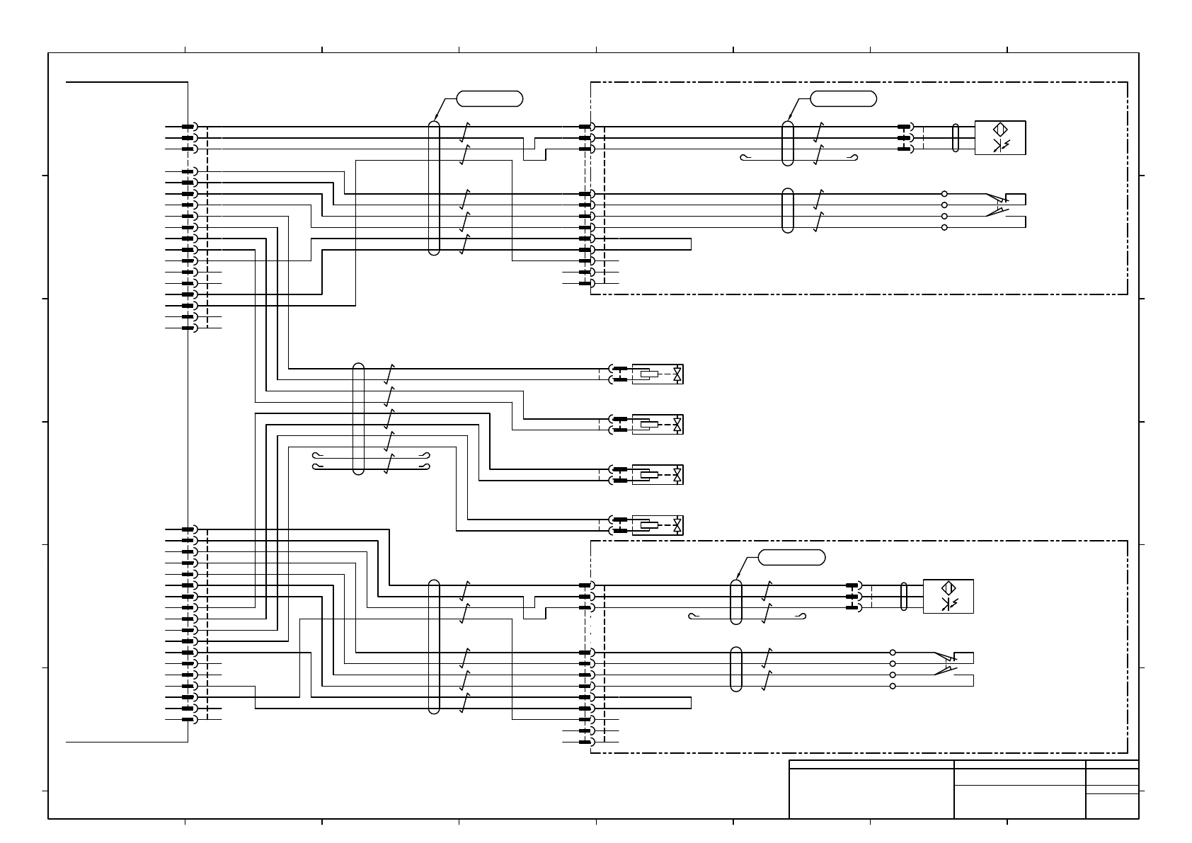
CN Board : I/O #1(Front) -K321 CNCRB CHECKB B_CUT_OT(OUT701) 1 2 -R4701 VQZ1121-5LOZ1-M5-F-X561-Q SMC Tape Cutter : F2 SMC R4701R SY100-29-1 - + JST CRB_K321 PAP-02V-S 2 1 PDG14041 CNDB 1 2 3 4 24VOUT DBCHK_IN(IN010) N.C…

CN Board : I/O #2(Rear)
-K322
24VOUT
24GND
A_LKF_IN(IN214)
A_CHK_IN(IN215)
CHECKA
A_LCK_OT(OUT204)
CHECKA
24GND
A_LKF_OT(OUT206)
A_FIX_IN(IN216)
A_CNK_IN(IN217)
24VOUT
24GND
24GND
24GND
24VOUT
24VOUT
24VOUT
CNCLA
1
2
3
4
5
6
7
8
9
10
11
12
PDG14041
13
14
-B1214
D-M9N
BN
BK
BU
SMC
Cart lock
Release Confirmation : R1
AMP
B1214R
177899-1
3
2
1
AMP
B1210/1214P
177907-1
3
2
1
Cart Setting Check : R1
-R4204
VQZ1321-5LOZ1-M5-X562-Q
SMC
Cart Lock : R1
-R4206
VQZ1321-5LOZ1-M5-X562-Q
SMC
Cart Lock Release : R1
SMC
R4204R
SY100-29-1
-
+
SMC
R4206R
SY100-29-1
-
+
BN/WH
BN
YE/WH
YE
GN/WH
GN
BK/WH
BK
RD/WH
RD
UL1007 24AWG BU
MTKC007219AE
BK/WH
BK
RD/WH
RD
UL2464 (SPV840) 2P×24AWG(11/0.16TA) LF BK
MTKC008655AE
BK/WH
BK
RD/WH
RD
UL2464 (SPV840) 2P×24AWG(11/0.16TA) LF BK
BK/WH
BK
RD/WH
RD
15
16
17
18
JST
CLA_K322
PUDP-18V-S
1
2
3
4
5
6
7
8
9
10
11
12
13
14
15
16
17
18
JST
FCDLRP
J21DPM-12V-KX
B6
A6
B5
A5
B4
A4
B3
A3
B2
A2
B1
A1
JST
FCDLR
J21DF-12V-KX-L
A1
B1
A2
B2
A3
B3
A4
B4
A5
B5
A6
B6
-S3215
D4N-1122
31 32
13 14
OMRON
31
N0.5-3.7
JST
32
13
14
S3211/3215
-R4704
VQZ1321-5LOZ1-M5-X562-Q
SMC
Cart Lock : R2
-R4706
VQZ1321-5LOZ1-M5-X562-Q
SMC
Cart Lock Release : R2
SMC
R4704R
SY100-29-1
-
+
SMC
R4706R
SY100-29-1
-
+
CNCLB
1
-B1714
D-M9N
BN
BK
BU
SMC
Cart lock
Release Confirmation : R2
AMP
B1714R
177899-1
3
2
1
Cart Setting Check : R2
18
JST
CLB_K322
PUDP-18V-S
1
2
3
4
5
6
7
8
9
10
11
12
13
14
15
16
17
18
-S3715
D4N-1122
31 32
13 14
OMRON
31
N0.5-3.7
JST
32
13
14
2
3
4
5
6
7
8
9
10
11
12
13
14
15
16
17
AMP
B1710/1714P
177907-1
3
2
1
UL1007 24AWG BU
BK/WH
BK
RD/WH
RD
JST
FCDRRP
J21DPM-12V-KX
B6
A6
B5
A5
B4
A4
B3
A3
B2
A2
B1
A1
JST
FCDRR
J21DF-12V-KX-L
A1
B1
A2
B2
A3
B3
A4
B4
A5
B5
A6
B6
MTKC008659AC
S3711/3715
BK/WH
BK
RD/WH
RD
UL2464 (SPV840) 2P×24AWG(11/0.16TA) LF BK
UL2464 (SPV840) 2P×24AWG(11/0.16TA) LF BK
BN/WH
BN
YE/WH
YE
GN/WH
GN
UL2464 (SPV840) 5P×24AWG(11/0.16TA) LF BK
24VOUT
24GND
B_LKF_IN(IN714)
B_CHK_IN(IN715)
CHECKB
B_LCK_OT(OUT704)
CHECKB
24GND
B_LKF_OT(OUT706)
B_FIX_IN(IN716)
B_CNK_IN(IN717)
24VOUT
24GND
24GND
24VOUT
24GND
24VOUT
24VOUT
UL2464 (SPV840) 5P×24AWG(11/0.16TA) LF BK
5
BN/WH
BN
YE/WH
YE
GN/WH
GN
BK/WH
BK
RD/WH
RD
UL2464 (SPV840) 5P×24AWG(11/0.16TA) LF BK
6
6
MTKA017572** : 17 Slot Feeder Cart Support Unit(Left Side)H:NPM-WX
MTKA017573** : 17 Slot Feeder Cart Support Unit(Right Side)H:NPM-WX
6
5
2464C(BPF)VVP AWG#24×5P-B
6
2464C(BPF)VVP AWG#24×5P-B
6
2464C(BPF)VVP AWG#24×5P-B
6
5
4
2464C(BPF)VVP AWG#24×2P-B
6
2464C(BPF)VVP AWG#24×2P-B
6
2464C(BPF)VVP AWG#24×2P-B
6
2464C(BPF)VVP AWG#24×2P-B
6
Panasonic Smart Factory Solutions Co.,Ltd. パナソニック スマートファクトリーソリューションズ株式会社
Name
Drawing No.
Loc. No.
F4K1020-05A
1
2 3 4 5 6 7 8
A
B
C
D
E
F
1 2 3 4 5 6 7 8
A
B
C
D
E
F
Page. No.
Main Body Wiring (NPM-WX)
(Cart Sensor : Rear 1)
MTKA010992+040AG
P040

CN Board : I/O #1(Front)
-K321
CNCRB
CHECKB
B_CUT_OT(OUT701)
1
2
-R4701
VQZ1121-5LOZ1-M5-F-X561-Q
SMC
Tape Cutter : F2
SMC
R4701R
SY100-29-1
-
+
JST
CRB_K321
PAP-02V-S
2
1
PDG14041
CNDB
1
2
3
4
24VOUT
DBCHK_IN(IN010)
N.C.
24GND
JST
DB_K321
PAP-04V-S
4
3
2
1
CNCRA
CHECKA
A_CUT_OT(OUT201)
1
2
-R4201
VQZ1121-5LOZ1-M5-F-X561-Q
SMC
Tape Cutter : F1
SMC
R4201R
SY100-29-1
-
+
Dust Box Detection : Front
JST
B1010R
PAP-04V-S
4
3
2
1
BK/WH
BK
RD/WH
RD
UL2464 (SPV840) 2P×24AWG(11/0.16TA) LF BK
MTKC007217AE
JST
CRA_K321
PAP-02V-S
2
1
CNBL
1
2
24VOUT
VL_OT(OUT032)
JST
BL_K321
PAP-02V-S
2
1
UL2464 (SPV840) 1P×24AWG(11/0.16TA) LF BK
BK
BK/WH
MTKC007218AE
SMC
R4032R
SY100-29-1
-
+
Blow Switch Valve : Front
-R4032
VQZ212-5MOZ1-M5-X550
SMC
P24
OUT1
OUT2
GND
1
2
3
4
-B1010
PM-K65
Panasonic Industrial Devices SUNX
BK/WH
BK
RD/WH
RD
UL2464 (SPV840) 2P×24AWG(11/0.16TA) LF BK
MTKC007216AD
3
CHECHA
2464C(BPF)VVP AWG#24×2P-B
5
2464C(BPF)VVP AWG#24×2P-B
5
2464C(BPF)VVP AWG#24×1P-B
5
Panasonic Smart Factory Solutions Co.,Ltd. パナソニック スマートファクトリーソリューションズ株式会社
Name
Drawing No.
Loc. No.
F4K1020-05A
1
2 3 4 5 6 7 8
A
B
C
D
E
F
1 2 3 4 5 6 7 8
A
B
C
D
E
F
Page. No.
Main Body Wiring (NPM-WX)
(Cart Sensor : Front 2)
MTKA010992+041AF
P041

CN Board : I/O #2(Rear)
-K322
CHECKB
B_CUT_OT(OUT705)
CNCRB
1
2
-R4705
VQZ1121-5LOZ1-M5-F-X561-Q
SMC
Tape Cutter : R2
SMC
R4705R
SY100-29-1
-
+
JST
CRB_K322
PAP-02V-S
2
1
PDG14041
CNDB
1
2
3
4
JST
DB_K322
PAP-04V-S
4
3
2
1
CNCRA
1
2
-R4205
VQZ1121-5LOZ1-M5-F-X561-Q
SMC
Tape Cutter : R1
SMC
R4205R
SY100-29-1
-
+
Dust Box Detection : Rear
JST
B1110R
PAP-04V-S
4
3
2
1
BK/WH
BK
RD/WH
RD
UL2464 (SPV840) 2P×24AWG(11/0.16TA) LF BK
MTKC007221AE
JST
CRA_K322
PAP-02V-S
2
1
CNBL
1
2
JST
BL_K322
PAP-02V-S
2
1
UL2464 (SPV840) 1P×24AWG(11/0.16TA) LF BK
BK
BK/WH
MTKC007222AE
SMC
R4132R
SY100-29-1
-
+
Blow Switch Valve : Rear
-R4132
VQZ212-5MOZ1-M5-X550
SMC
P24
OUT1
OUT2
GND
1
2
3
4
-B1110
PM-K65
Panasonic Industrial Devices SUNX
BK/WH
BK
RD/WH
RD
UL2464 (SPV840) 2P×24AWG(11/0.16TA) LF BK
MTKC007220AE
CHECHA
A_CUT_OT(OUT205)
24VOUT
DBCHK_IN(IN110)
NC
24GND
24VOUT
VL_OT(OUT132)
3
2464C(BPF)VVP AWG#24×2P-B
5
2464C(BPF)VVP AWG#24×2P-B
5
2464C(BPF)VVP AWG#24×1P-B
5
Panasonic Smart Factory Solutions Co.,Ltd. パナソニック スマートファクトリーソリューションズ株式会社
Name
Drawing No.
Loc. No.
F4K1020-05A
1
2 3 4 5 6 7 8
A
B
C
D
E
F
1 2 3 4 5 6 7 8
A
B
C
D
E
F
Page. No.
Main Body Wiring (NPM-WX)
(Cart Sensor : Rear 2)
MTKA010992+042AF
P042