2OM-1150-001_w.pdf - 第288页
电源回路图 电源回路图 电源回路图 电源回路图 电源回路图 1 1 1 1 1 电源回路图 电源回路图 电源回路图 电源回路图 电源回路图 1 1 1 1 1 0004-002-(M748WBA---000 1 )3 章 3-63 AFQ0 1 JMTP

SDSSDS
SDSSDS
SDS
区图区图
区图区图
区图
SDSSDS
SDSSDS
SDS
区图区图
区图区图
区图
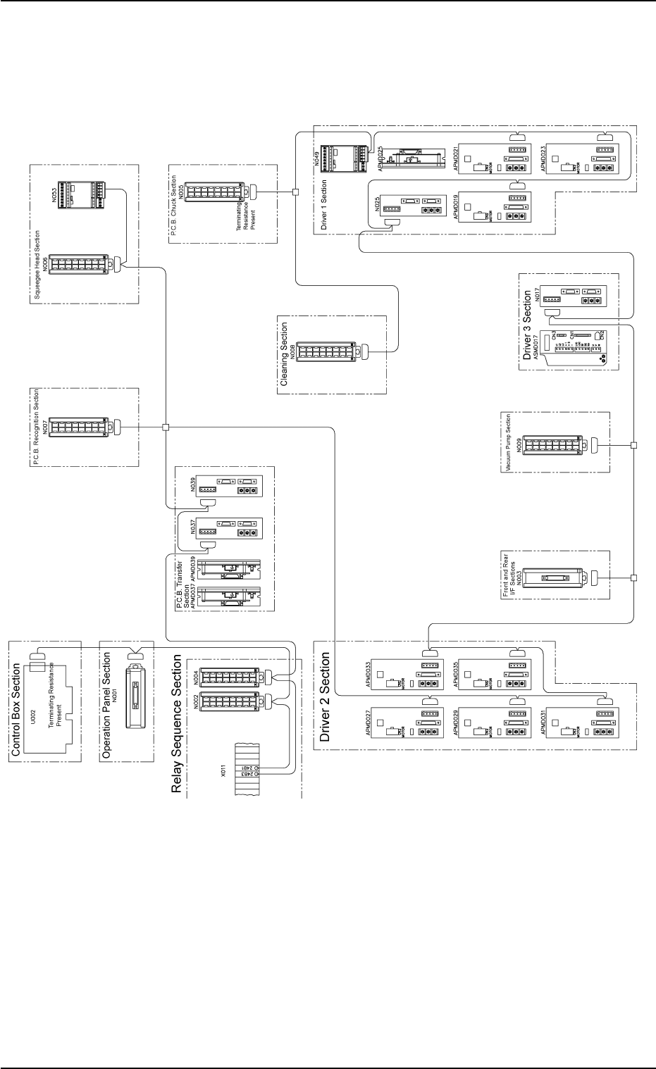
0004-002-(M748WA---0002) 3章3-62 AFQ01JMTP

电源回路图电源回路图
电源回路图电源回路图
电源回路图
11
11
1
电源回路图电源回路图
电源回路图电源回路图
电源回路图
11
11
1
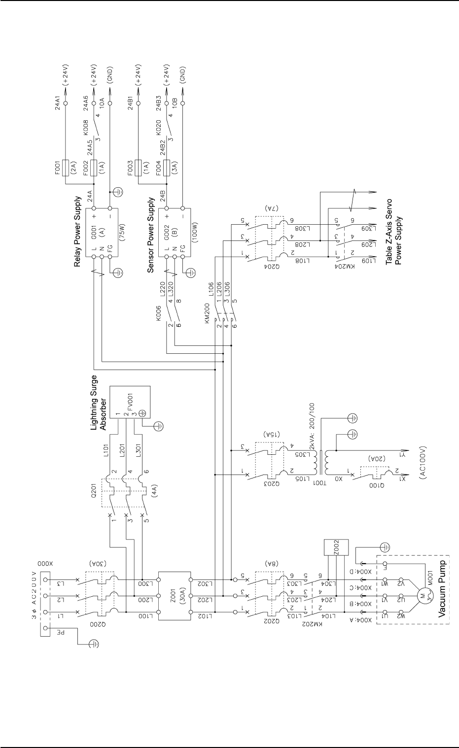
0004-002-(M748WBA---0001)3章3-63 AFQ01JMTP

电源回路图电源回路图
电源回路图电源回路图
电源回路图
22
22
2
电源回路图电源回路图
电源回路图电源回路图
电源回路图
22
22
2
0004-002-(M748WBA---0002) 3章3-64 AFQ01JMTP