2OM-1150-001_w.pdf - 第291页

0004-002-(M748WBD---0002) 3 章 3-66 AFQ0 1 JMTP Relay Relay Relay Relay Relay 回路图 回路图 回路图 回路图 回路图 2 2 2 2 2 Relay Relay Relay Relay Relay 回路图 回路图 回路图 回路图 回路图 2 2 2 2 2

100%1 / 317
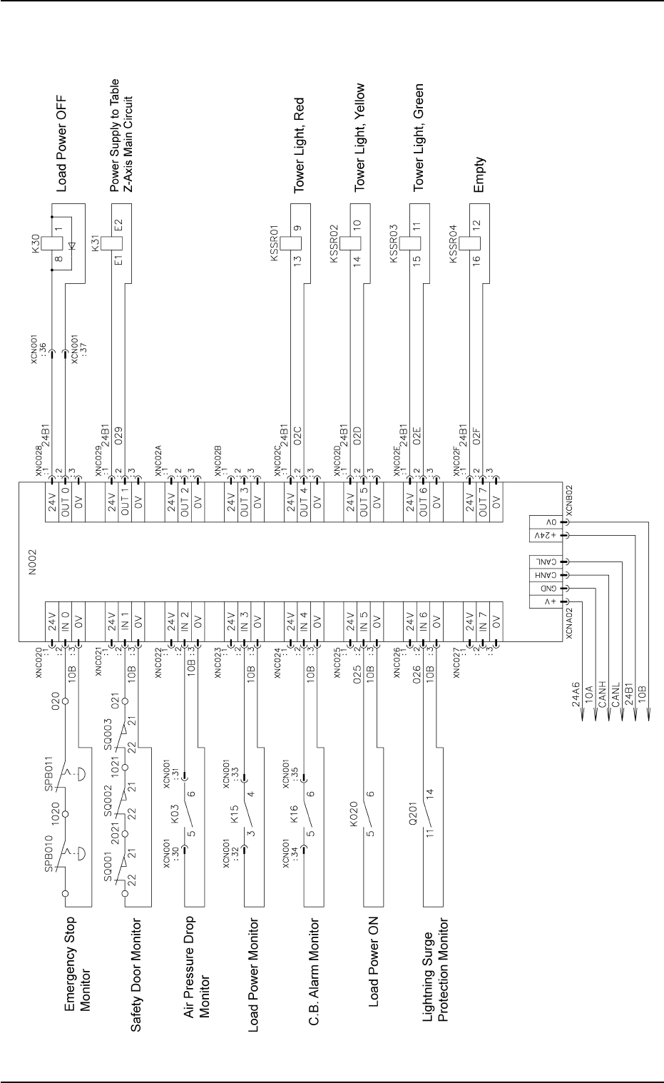
0004-002-(M748WBD---0001)33-65 AFQ01JMTP
RelayRelay
RelayRelay
Relay
回路图回路图
回路图回路图
回路图
11
11
1
RelayRelay
RelayRelay
Relay
回路图回路图
回路图回路图
回路图
11
11
1
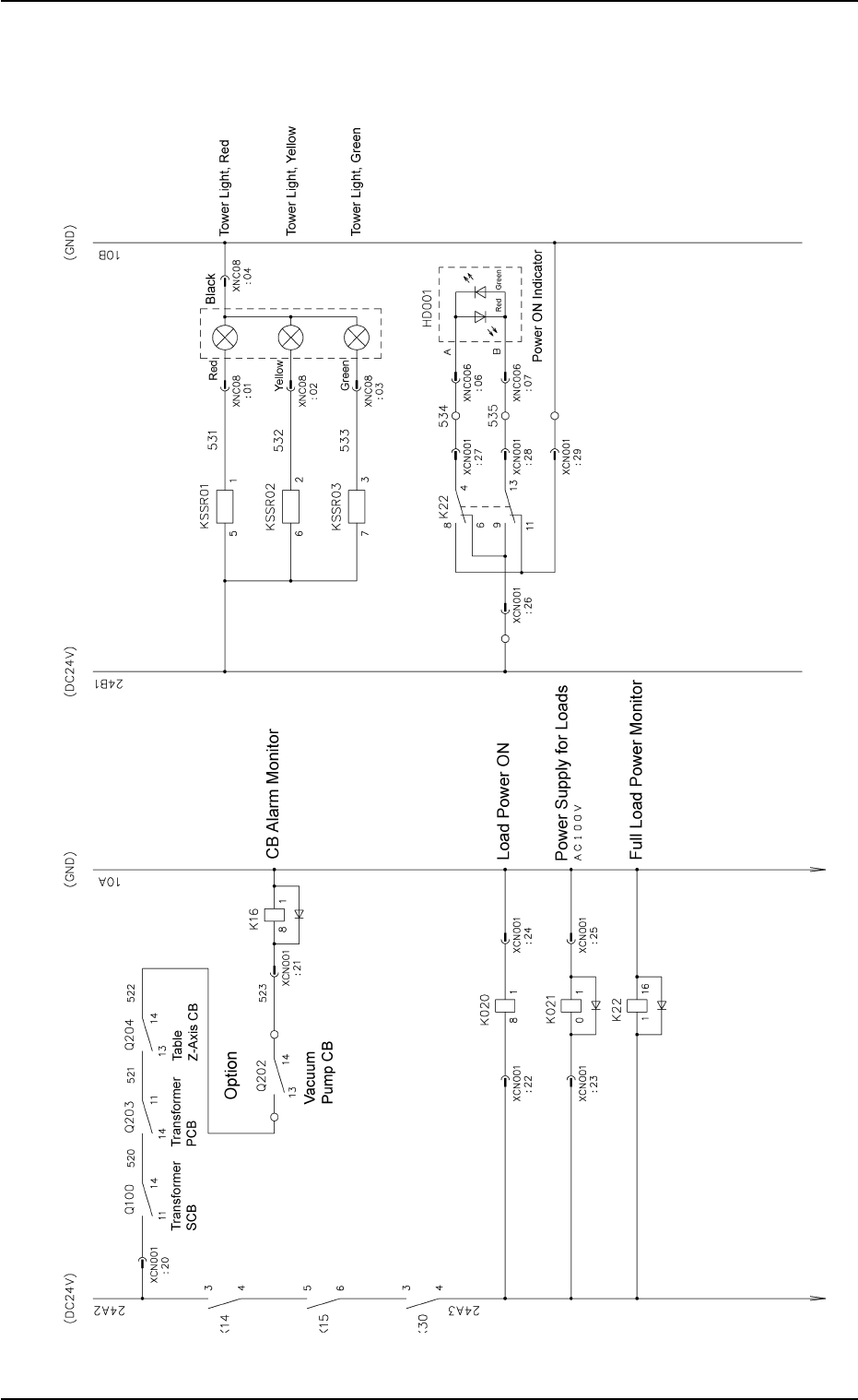
0004-002-(M748WBD---0002) 33-66 AFQ01JMTP
RelayRelay
RelayRelay
Relay
回路图回路图
回路图回路图
回路图
22
22
2
RelayRelay
RelayRelay
Relay
回路图回路图
回路图回路图
回路图
22
22
2
Relay SequenceRelay Sequence
Relay SequenceRelay Sequence
Relay Sequence
Relay SequenceRelay Sequence
Relay SequenceRelay Sequence
Relay Sequence
0004-002-(M748WBD---0003) 33-67 AFQ01JMTP