2OM-1150-001_w.pdf - 第299页
台宽幅脉冲马达 台宽幅脉冲马达 台宽幅脉冲马达 台宽幅脉冲马达 台宽幅脉冲马达 0004-002-(M748WE---0003) 3 章 3-74 AFQ0 1 JMTP 台宽幅脉冲马达 台宽幅脉冲马达 台宽幅脉冲马达 台宽幅脉冲马达 台宽幅脉冲马达

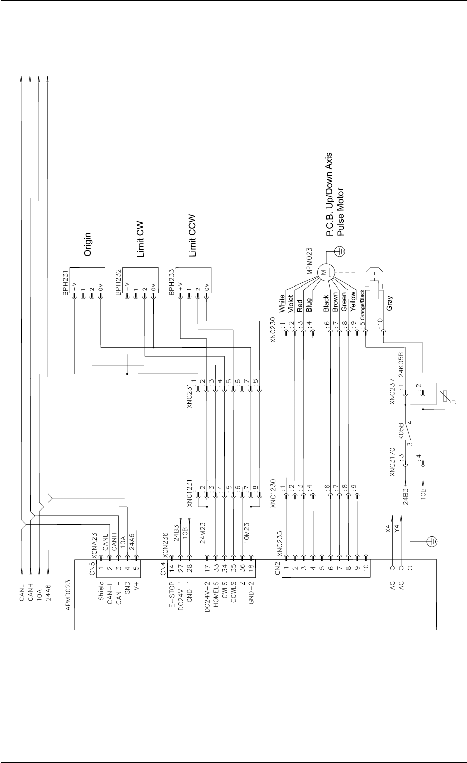
基板上下轴马达基板上下轴马达
基板上下轴马达基板上下轴马达
基板上下轴马达
基板上下轴马达基板上下轴马达
基板上下轴马达基板上下轴马达
基板上下轴马达
0004-002-(M748WE---0002) 3章3-73 AFQ01JMTP

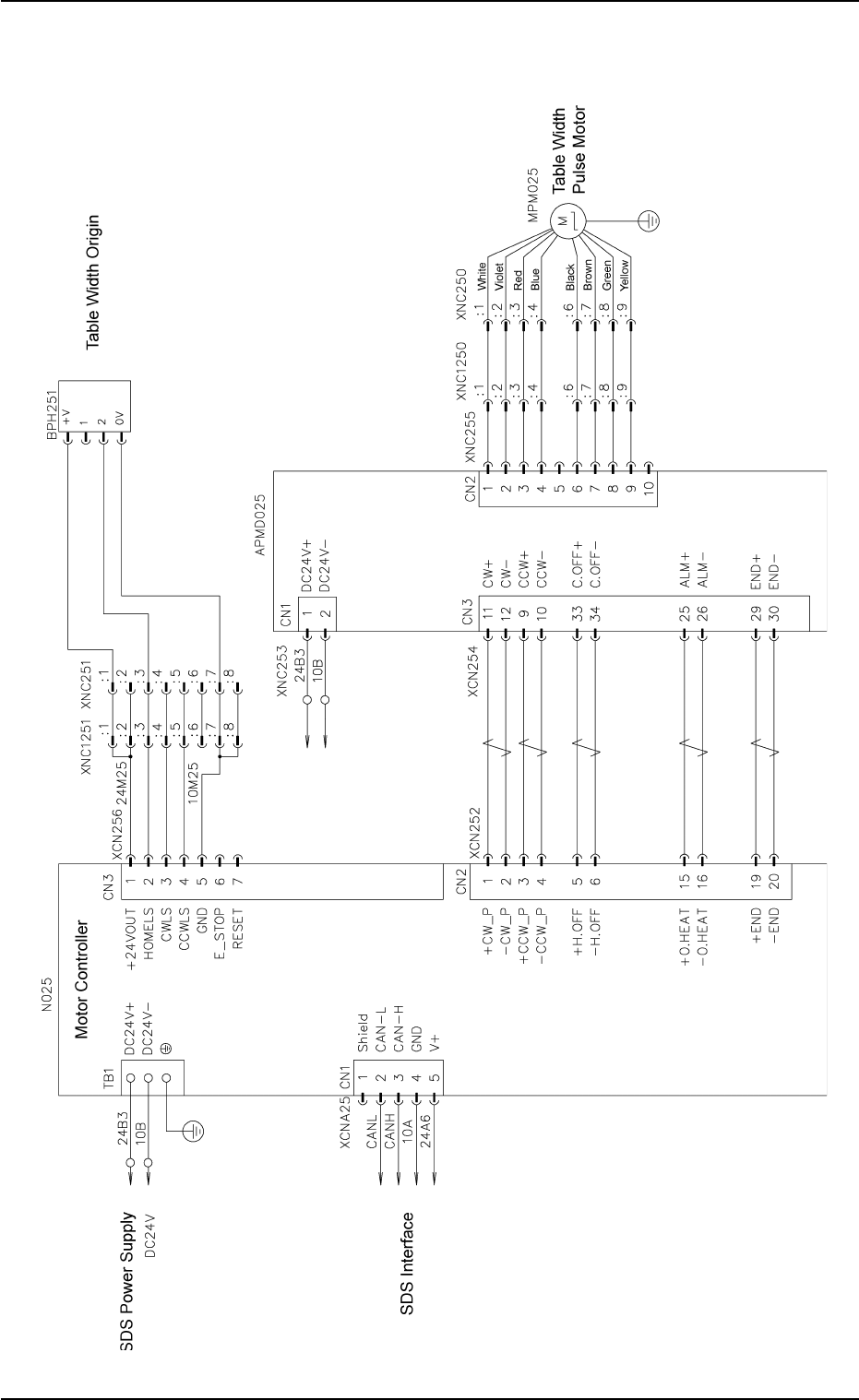
台宽幅脉冲马达台宽幅脉冲马达
台宽幅脉冲马达台宽幅脉冲马达
台宽幅脉冲马达
0004-002-(M748WE---0003) 3章3-74 AFQ01JMTP
台宽幅脉冲马达台宽幅脉冲马达
台宽幅脉冲马达台宽幅脉冲马达
台宽幅脉冲马达

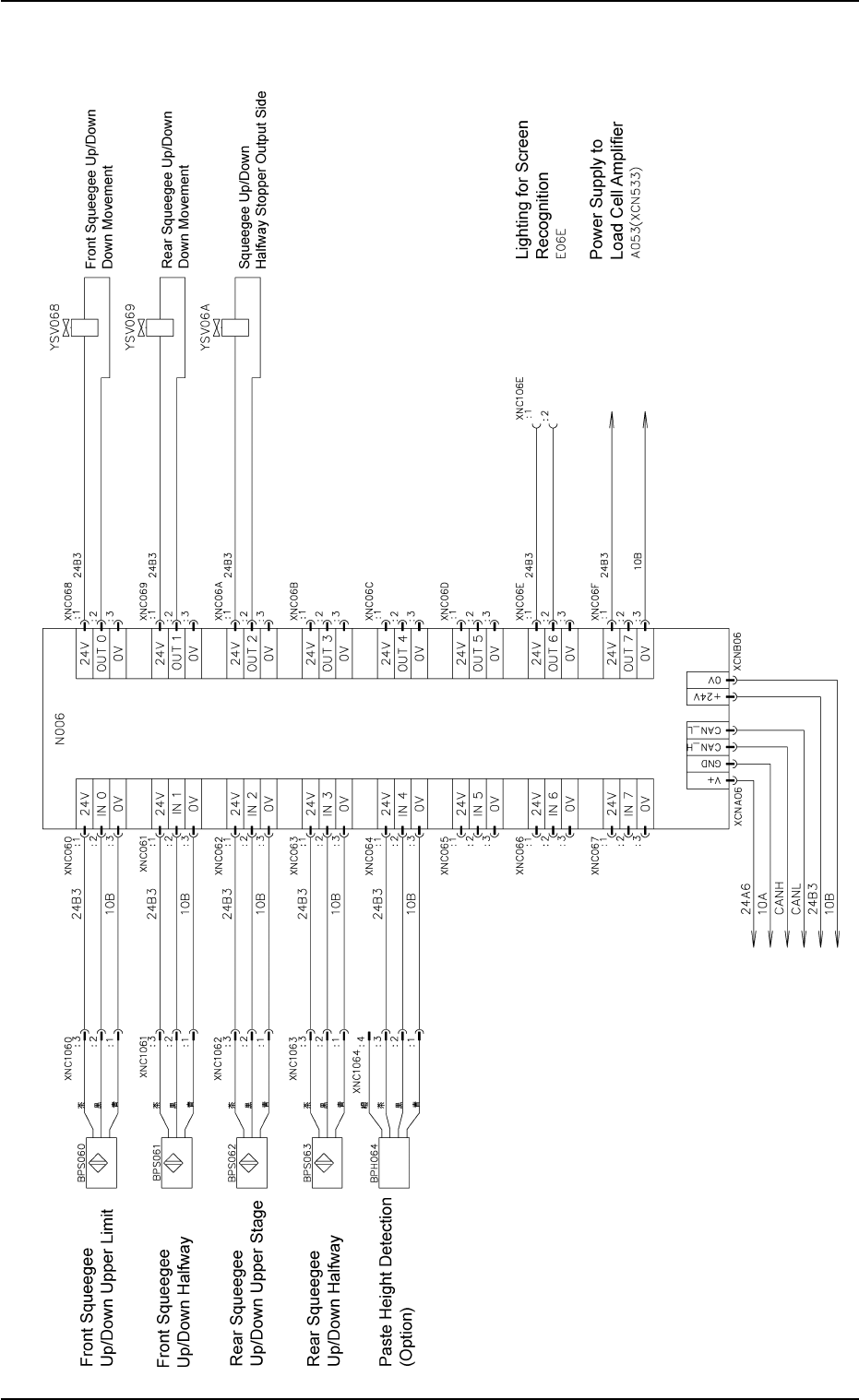
SqueegeeSqueegee
SqueegeeSqueegee
Squeegee
安装头安装头
安装头安装头
安装头
I/O I/O
I/O I/O
I/O
SqueegeeSqueegee
SqueegeeSqueegee
Squeegee
安装头安装头
安装头安装头
安装头
I/O I/O
I/O I/O
I/O
0004-002-(M748WFA---0001)3章3-75 AFQ01JMTP