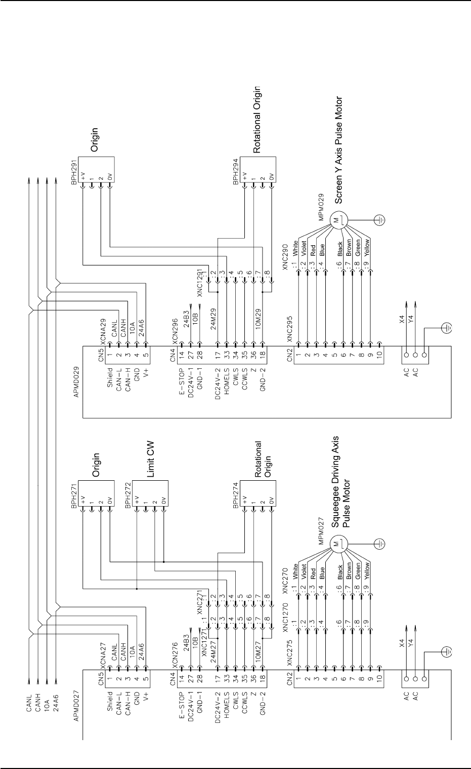
2OM-1150-001_w.pdf - 第300页
Squeegee Squeegee Squeegee Squeegee Squeegee 安装头 安装头 安装头 安装头 安装头 I/O I/O I/O I/O I/O Squeegee Squeegee Squeegee Squeegee Squeegee 安装头 安装头 安装头 安装头 安装头 I/O I/O I/O I/O I/O 0004-002-(M748WFA---000 1 )3 章 3-75 AFQ0 1 JMTP

台宽幅脉冲马达台宽幅脉冲马达
台宽幅脉冲马达台宽幅脉冲马达
台宽幅脉冲马达
0004-002-(M748WE---0003) 3章3-74 AFQ01JMTP
台宽幅脉冲马达台宽幅脉冲马达
台宽幅脉冲马达台宽幅脉冲马达
台宽幅脉冲马达

SqueegeeSqueegee
SqueegeeSqueegee
Squeegee
安装头安装头
安装头安装头
安装头
I/O I/O
I/O I/O
I/O
SqueegeeSqueegee
SqueegeeSqueegee
Squeegee
安装头安装头
安装头安装头
安装头
I/O I/O
I/O I/O
I/O
0004-002-(M748WFA---0001)3章3-75 AFQ01JMTP

SqueegeeSqueegee
SqueegeeSqueegee
Squeegee
安装头部马达安装头部马达
安装头部马达安装头部马达
安装头部马达
11
11
1
SqueegeeSqueegee
SqueegeeSqueegee
Squeegee
安装头部马达安装头部马达
安装头部马达安装头部马达
安装头部马达
11
11
1
0004-002-(M748WFA---0002) 3章3-76 AFQ01JMTP