2OM-1150-001_w.pdf - 第303页
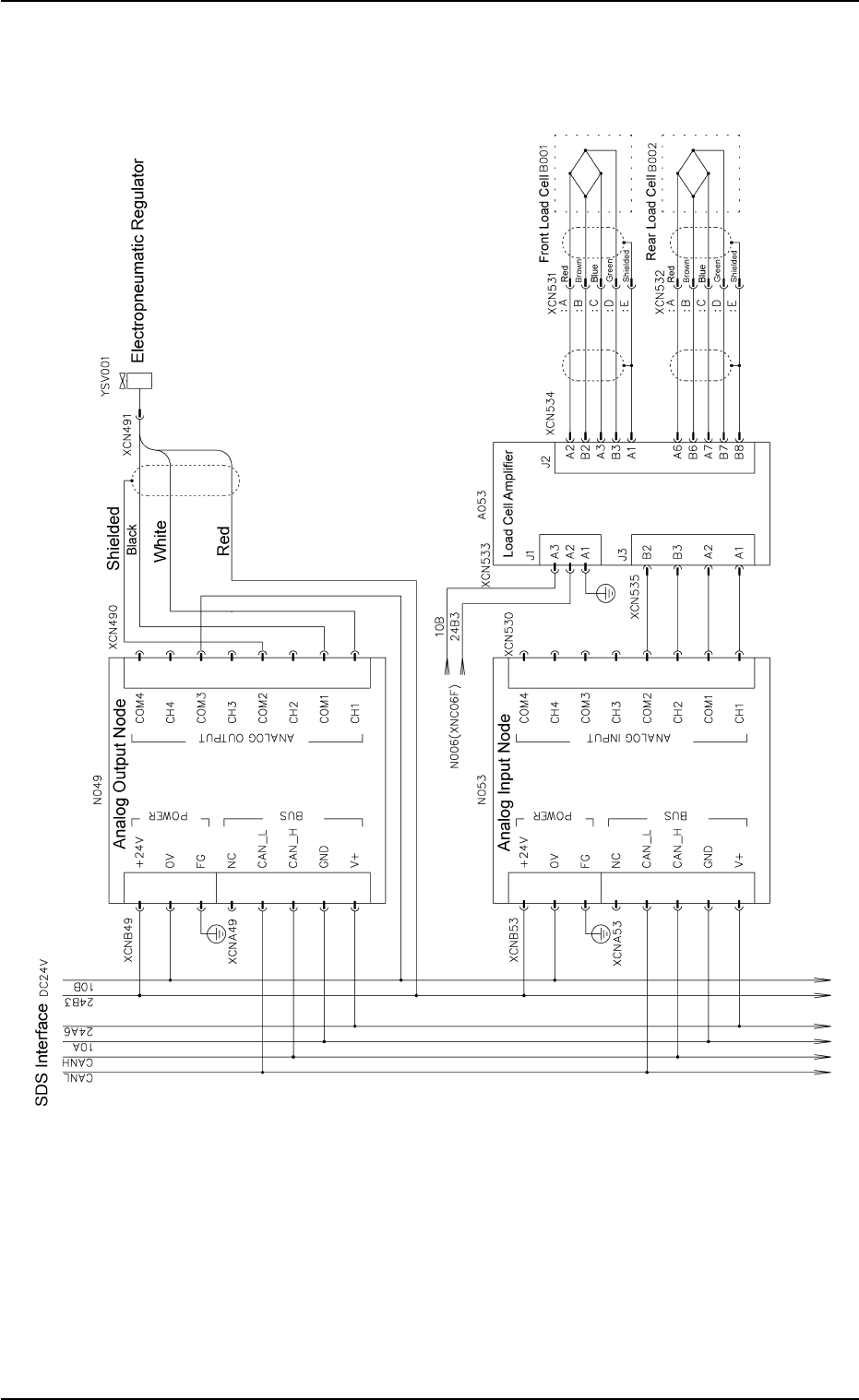
印压控制部 印压控制部 印压控制部 印压控制部 印压控制部 印压控制部 印压控制部 印压控制部 印压控制部 印压控制部 0004-002-(M748WFA---0004) 3 章 3-78 AFQ0 1 JMTP

0004-002-(M748WFA---0003) 3章3-77 AFQ01JMTP
SqueegeeSqueegee
SqueegeeSqueegee
Squeegee
安装头部马达安装头部马达
安装头部马达安装头部马达
安装头部马达
22
22
2
SqueegeeSqueegee
SqueegeeSqueegee
Squeegee
安装头部马达安装头部马达
安装头部马达安装头部马达
安装头部马达
22
22
2

印压控制部印压控制部
印压控制部印压控制部
印压控制部
印压控制部印压控制部
印压控制部印压控制部
印压控制部
0004-002-(M748WFA---0004) 3章3-78 AFQ01JMTP

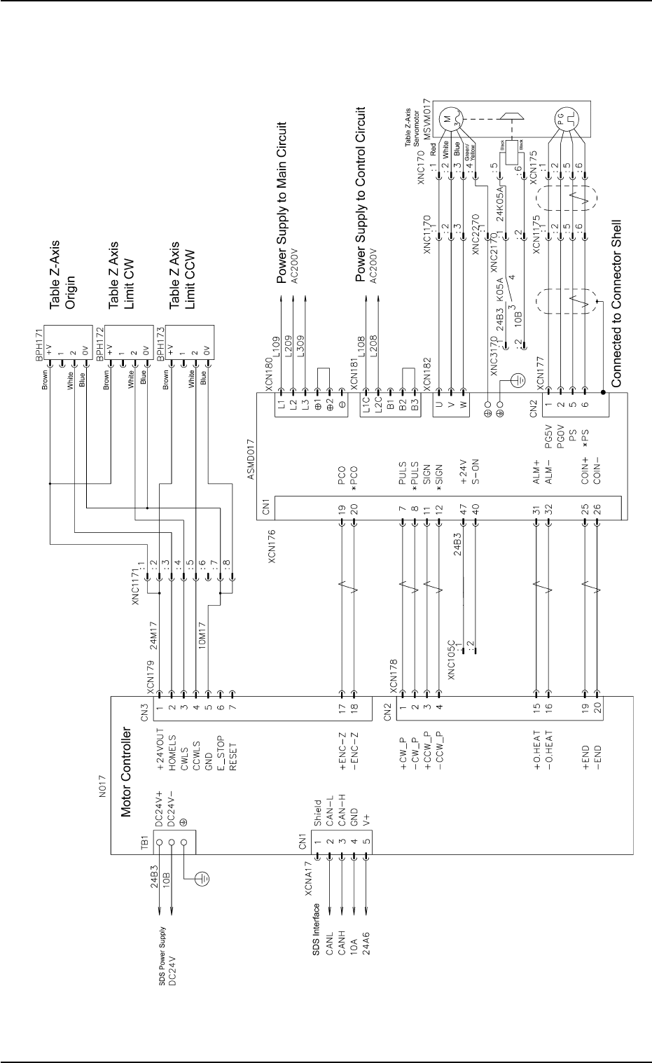
台部台部
台部台部
台部
ZZ
ZZ
Z
轴伺服马达轴伺服马达
轴伺服马达轴伺服马达
轴伺服马达
0004-002-(M748WFC---0001)3章3-79 AFQ01JMTP
台部台部
台部台部
台部
ZZ
ZZ
Z
轴伺服马达轴伺服马达
轴伺服马达轴伺服马达
轴伺服马达