2OM-1150-001_w.pdf - 第308页

基板识别部马达 基板识别部马达 基板识别部马达 基板识别部马达 基板识别部马达 基板识别部马达 基板识别部马达 基板识别部马达 基板识别部马达 基板识别部马达 0004-002-(M748WG---0002) 3 章 3-83 AFQ0 1 JMTP

100%1 / 317
0004-002-(M748WG---0001)33-82 AFQ01JMTP
基板识别部基板识别部
基板识别部基板识别部
基板识别部
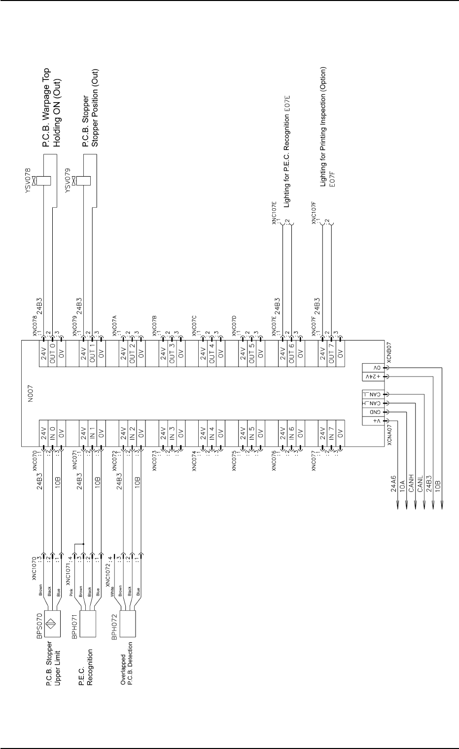
I/O I/O
I/O I/O
I/O
基板识别部基板识别部
基板识别部基板识别部
基板识别部
I/O I/O
I/O I/O
I/O
基板识别部马达基板识别部马达
基板识别部马达基板识别部马达
基板识别部马达
基板识别部马达基板识别部马达
基板识别部马达基板识别部马达
基板识别部马达
0004-002-(M748WG---0002) 33-83 AFQ01JMTP
识别识别
识别识别
识别
CameraCamera
CameraCamera
Camera
连接图连接图
连接图连接图
连接图
识别识别
识别识别
识别
CameraCamera
CameraCamera
Camera
连接图连接图
连接图连接图
连接图
0004-002-(M748WG---0003) 33-84 AFQ01JMTP