2OM-1150-001_w.pdf - 第310页

基板搬送 基板搬送 基板搬送 基板搬送 基板搬送 I/O I/O I/O I/O I/O 基板搬送 基板搬送 基板搬送 基板搬送 基板搬送 I/O I/O I/O I/O I/O 0004-002-(M748WH---000 1 )3 章 3-85 AFQ0 1 JMTP

100%1 / 317
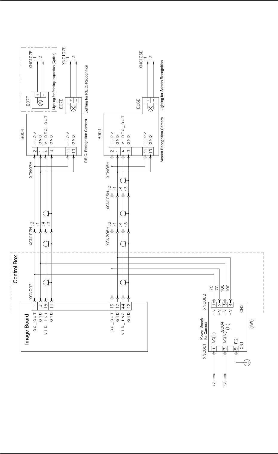
识别识别
识别识别
识别
CameraCamera
CameraCamera
Camera
连接图连接图
连接图连接图
连接图
识别识别
识别识别
识别
CameraCamera
CameraCamera
Camera
连接图连接图
连接图连接图
连接图
0004-002-(M748WG---0003) 33-84 AFQ01JMTP
基板搬送基板搬送
基板搬送基板搬送
基板搬送
I/O I/O
I/O I/O
I/O
基板搬送基板搬送
基板搬送基板搬送
基板搬送
I/O I/O
I/O I/O
I/O
0004-002-(M748WH---0001)33-85 AFQ01JMTP
基板搬送马达基板搬送马达
基板搬送马达基板搬送马达
基板搬送马达
基板搬送马达基板搬送马达
基板搬送马达基板搬送马达
基板搬送马达
0004-002-(M748WH---0002) 33-86 AFQ01JMTP