2OM-1150-001_w.pdf - 第311页
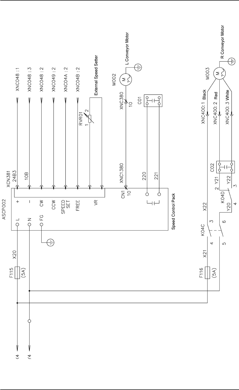
基板搬送马达 基板搬送马达 基板搬送马达 基板搬送马达 基板搬送马达 基板搬送马达 基板搬送马达 基板搬送马达 基板搬送马达 基板搬送马达 0004-002-(M748WH---0002) 3 章 3-86 AFQ0 1 JMTP

基板搬送基板搬送
基板搬送基板搬送
基板搬送
I/O I/O
I/O I/O
I/O
基板搬送基板搬送
基板搬送基板搬送
基板搬送
I/O I/O
I/O I/O
I/O
0004-002-(M748WH---0001)3章3-85 AFQ01JMTP

基板搬送马达基板搬送马达
基板搬送马达基板搬送马达
基板搬送马达
基板搬送马达基板搬送马达
基板搬送马达基板搬送马达
基板搬送马达
0004-002-(M748WH---0002) 3章3-86 AFQ01JMTP

LL
LL
L
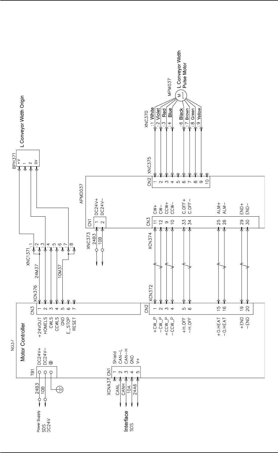
传送带宽幅脉冲马达传送带宽幅脉冲马达
传送带宽幅脉冲马达传送带宽幅脉冲马达
传送带宽幅脉冲马达
LL
LL
L
传送带宽幅脉冲马达传送带宽幅脉冲马达
传送带宽幅脉冲马达传送带宽幅脉冲马达
传送带宽幅脉冲马达
0004-002-(M748WH---0003) 3章3-87 AFQ01JMTP