2OM-1150-001_w.pdf - 第314页
Cleaning Cleaning Cleaning Cleaning Cleaning 部 部 部 部 部 I/O I/O I/O I/O I/O Cleaning Cleaning Cleaning Cleaning Cleaning 部 部 部 部 部 I/O I/O I/O I/O I/O 0004-002-(M748WM---000 1 )3 章 3-89 AFQ0 1 JMTP

RR
RR
R
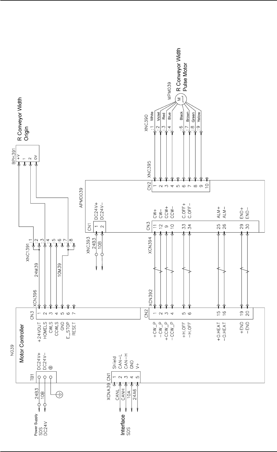
传送带宽幅脉冲马达传送带宽幅脉冲马达
传送带宽幅脉冲马达传送带宽幅脉冲马达
传送带宽幅脉冲马达
RR
RR
R
传送带宽幅脉冲马达传送带宽幅脉冲马达
传送带宽幅脉冲马达传送带宽幅脉冲马达
传送带宽幅脉冲马达
0004-002-(M748WH---0004) 3章3-88 AFQ01JMTP

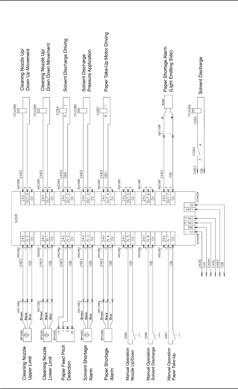
CleaningCleaning
CleaningCleaning
Cleaning
部部
部部
部
I/OI/O
I/OI/O
I/O
CleaningCleaning
CleaningCleaning
Cleaning
部部
部部
部
I/OI/O
I/OI/O
I/O
0004-002-(M748WM---0001)3章3-89 AFQ01JMTP

CleaningCleaning
CleaningCleaning
Cleaning
部部
部部
部
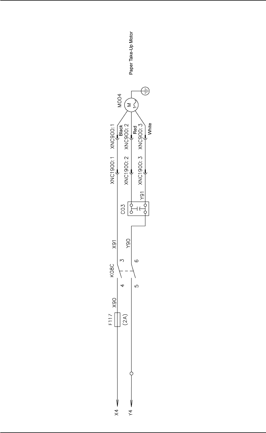
Take-UpTake-Up
Take-UpTake-Up
Take-Up
马达马达
马达马达
马达
CleaningCleaning
CleaningCleaning
Cleaning
部部
部部
部
Take-UpTake-Up
Take-UpTake-Up
Take-Up
马达马达
马达马达
马达
0004-002-(M748WM---0002) 3章3-90 AFQ01JMTP