Co Camera Type 41_20211118_084633
Co Camera Type 41 Page 1 / 3 18.11.2021

Co Camera Type 41
Page 1 / 3 18.11.2021

Co Camera Type 41
Page 2 / 3 18.11.2021

Co Camera Type 41
Page 3 / 3 18.11.2021
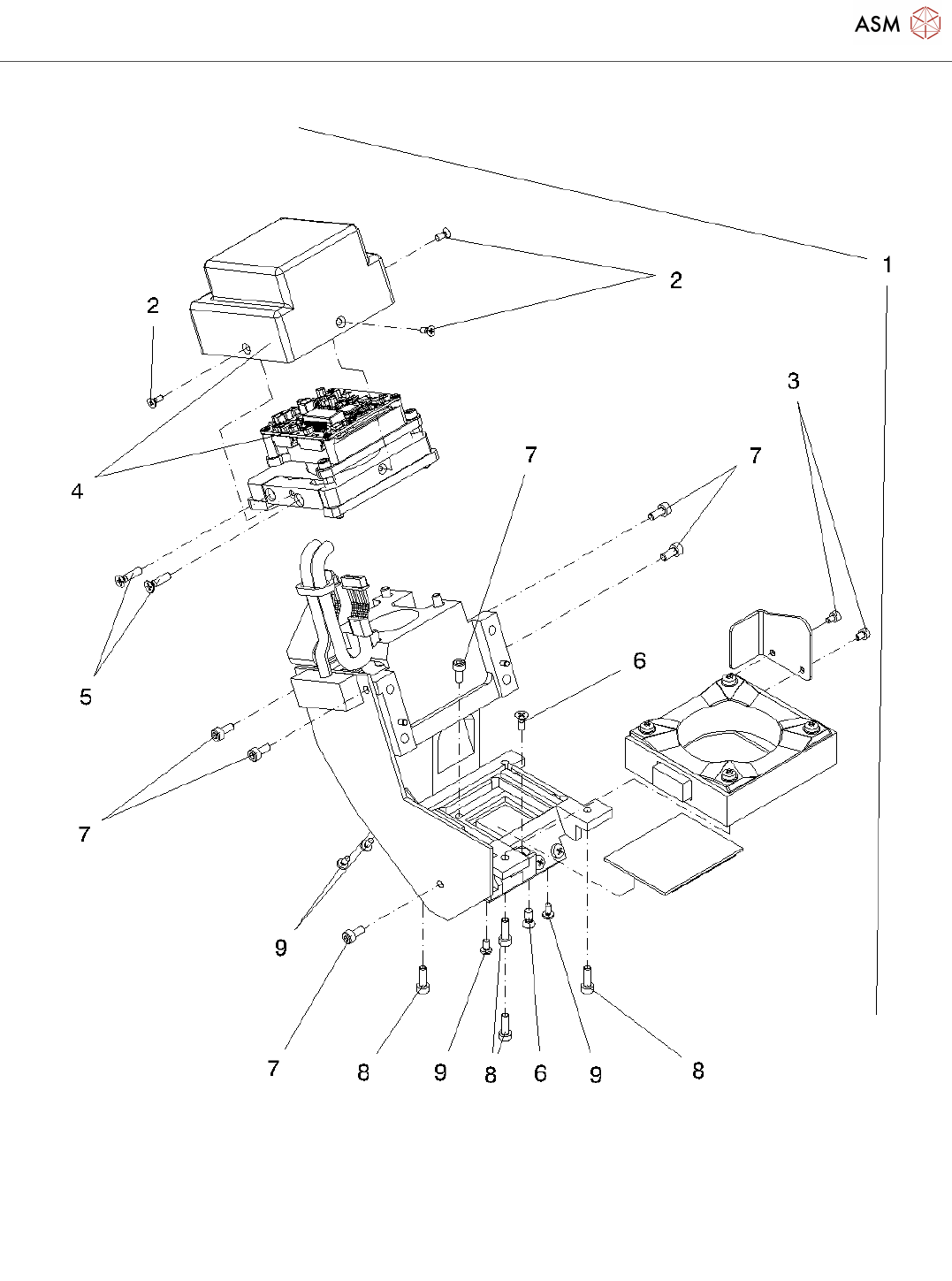
Pos. Item no. Description Part marking
1 03116633S01 CO CAMERA C+P (TYPE 41) 6X6
GIGE C-MOS
SPARE PART
2 03023217-01 ISO 7046-2-M2 X 5-A2-70-H STANDARD PARTS
3 03042522-01 ISO 4762 - M 2 X 3-A2-70 STANDARD PARTS
4 03100575-01 SENSOR UNIT SST41GIGE
5 03023230-01 ISO 7046-2-M2,5 X 10-A2-70-H STANDARD PARTS
6 03023228-01 ISO 7046-2-M2,5 X 6-A2-70-H STANDARD PARTS
7 03042533-01 ISO 4762 - M 2,5 X 6-A2-70
8 03042534-01 ISO 4762 - M 2,5 X 8-A2-70 STANDARD PARTS
9 03010197-01 ISO 7045 - M2 X 4-A2-50-H STANDARD PARTS
00308458-01 CABLE TIES B=2.5MM, L=102MM
PANDUIT
STANDARD PARTS
Powered by TCPDF (www.tcpdf.org)