XP243机械手册 - 第110页
6. 故障排除 MEC-XP243-1.0S 100 XP-243E 机械手册 MEMO:

MEC-XP243-1.0S 6. 故障排除
XP-243E 机械手册 99

6. 故障排除 MEC-XP243-1.0S
100 XP-243E 机械手册
MEMO:

MEC-XP243-1.0S 7. 安装
XP-243E 机械手册 101
7. 安装
7.1 安置
7.1.1 要点
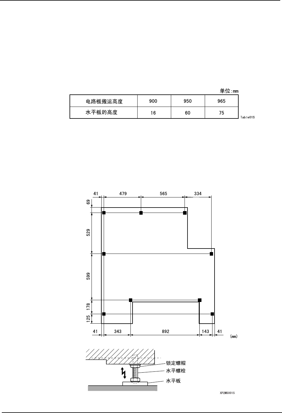
把水平板放在指定的位置,以确保主机的水平。
此外,需要根据电路板的搬运高度,选用适合的水平板。
7.1.2 方法
1. 参考下图布置水平板。
2. 把 2 个水平仪装在主机的机座上。( 横向和纵向 )
3. 转动各个水平螺栓调整高度。
4. 确认电路板的搬运高度、机器的水平度是否正确之后,请把各个锁定螺帽拧紧。