XP243机械手册 - 第51页
MEC-XP243-1.0S 4. 维修保养 XP-243E 机械手册 41 4.2.4 加油要领 从下一页起介绍各个机器部位的 加油处。加油时请参考各表及插图。 1. 首先请确认插图内的加油处。白箭 头所指处,请用润滑油涂其表面。 黑箭头所指的是喷 油嘴。请用润滑油枪注入润滑油。 备注 ) 不带喷油嘴的 LM 滑块,通过滑块和 LM 轨道之间 ( 轴承槽部 ) 涂抹润滑油,付着在轴承滚珠 或辊子上的润滑油,可润滑 LM 滑块的内部。 …

4. 维修保养 MEC-XP243-1.0S
40 XP-243E 机械手册
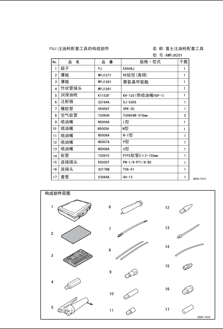
4.2.3 加油枪配套工具的介绍
敝社销售 FUJI 几乎所有型号机器的加油枪配套工具。这一配套工具,除了泵以外还附有给
各种润滑油接头相匹配的喷油嘴。因此仅用这套工具就可以方便地在各种地方加油。如果
有意购买请向代理店垂询。

MEC-XP243-1.0S 4. 维修保养
XP-243E 机械手册 41
4.2.4 加油要领
从下一页起介绍各个机器部位的加油处。加油时请参考各表及插图。
1. 首先请确认插图内的加油处。白箭头所指处,请用润滑油涂其表面。黑箭头所指的是喷
油嘴。请用润滑油枪注入润滑油。
备注 ) 不带喷油嘴的 LM 滑块,通过滑块和 LM 轨道之间 ( 轴承槽部 ) 涂抹润滑油,付着在轴承滚珠
或辊子上的润滑油,可润滑 LM 滑块的内部。
2. 请根据表中所列,确认所使用的润滑油为哪一种类。各记号意义如下∶
3. 请按照表中 「加油周期」栏里所示的各个周期进行加油。
4. 使用本章末尾的检查用纸,检查操作完成情况。
○∶ 适量加油
△∶ 微量涂抹以防止生锈
×∶ 禁止加油
例如∶ 每日、每周、每月、每 3 个月是指下列所示的期间。
每日∶ 与运转时间无关经过1天(24小时)时
每周∶ 与运转时间无关经过 7 天时
每月∶ 与运转时间无关经过 1 个月时
每 3 个月∶ 与运转时间无关经过 3 个月时

4. 维修保养 MEC-XP243-1.0S
42 XP-243E 机械手册
4.2.5 XY 机械手加油处
插图内的箭头表示加油处。特别是黑箭头为必须用润滑油枪加油的地方。