XP243机械手册 - 第8页
目录 MEC-XP243-1.0S iv XP-243E 机械手册 MEMO:

MEC-XP243-1.0S 目录
XP-243E 机械手册 iii
5.1 伺服放大器的调整 ....................... 59
5.1.1 伺服放大器参数的确认..................... 59
6. 故障排除 .................................. 73
6.1 伺服系统的故障排除 ..................... 73
6.1.1 报警代码的显示处......................... 73
6.1.2 报警代码及检查地方一览表................. 75
7. 安装 ..................................... 101
7.1 安置 .................................. 101
7.2 压缩空气的供应 ........................ 102
7.3 电源供应和变压器的接线 ................ 103
7.4 数据传送电缆的接线 (RS-232C)........... 105
7.5 数据传送电缆的接线 ( 以太网 )........... 106
7.6 电路板搬运 I/F·传送信号连接器的连接... 107
8. 补充说明 ................................. 109
8.1 噪音 .................................. 109

目录 MEC-XP243-1.0S
iv XP-243E 机械手册
MEMO:

MEC-XP243-1.0S 关于本手册
XP-243E 机械手册 v
关于本手册
本手册是针对用户在进行机器的维护保养时 , 对所需的信息进行说明。手册所记载的内容
以及使用的用语的难度是以日常从事于电子元件贴装业务的专业技术人员为对象。请务必
充分理解手册的内容以实现安全且高效维护保养作业。
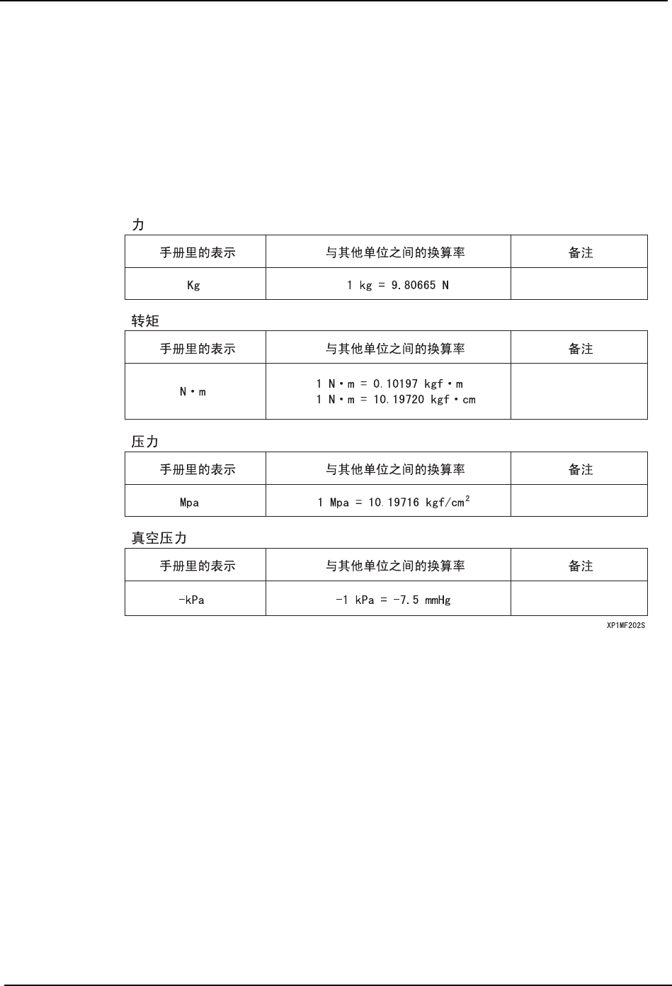
表示单位和换算率
本手册里使用的表示单位和其他单位之间的换算率如下所示。