7OM-1601-006_w.pdf - 第176页
7OM-1601 5-13 ノイズフィルタ Z サーボモータドライバ A ステッピングモータ ドライバ A スピードコント ロールパック A スイッチング電源 G サーボモータ用 ブレーキ電源 G 雷サージプロテクタ F ユニット基板 U ハードディスク ドライブ D フロッピーディスク ドライブ D A その他ユニット 図記号は一般的にユニットを表します。 回路記号は電気部品の分類により異なり ます。 備 考 図 記 号 名 称 記 …

7OM-1601
5-12
備 考
図 記 号
名 称 記 号
ソレノイド
Y
電磁式ブレーキ
(OFFブレーキ)
ポジションスイッチ
真空センサ
S
近接センサ
B
モニタディスプレー
タッチパネル
フォトセンサ
B
カメラ
B
電圧計
P
ジャンパー
ユニット基板内のジャンパーソケット
(ジャンパー実装)を表します。
電磁ロック式ドアスイッチ
のソレノイドには、左図を
使用します。
電磁弁
Y
電池
測定器
トランジスタ
F
P
V
NPN
PNP
0906-001

7OM-1601
5-13
ノイズフィルタ
Z
サーボモータドライバ
A
ステッピングモータ
ドライバ
A
スピードコント
ロールパック
A
スイッチング電源
G
サーボモータ用
ブレーキ電源
G
雷サージプロテクタ
F
ユニット基板
U
ハードディスク
ドライブ
D
フロッピーディスク
ドライブ
D
A
その他ユニット
図記号は一般的にユニットを表します。
回路記号は電気部品の分類により異なり
ます。
備 考
図 記 号
名 称 記 号
インバータ
変換器
U
U
0906-001

7OM-1601
5-14
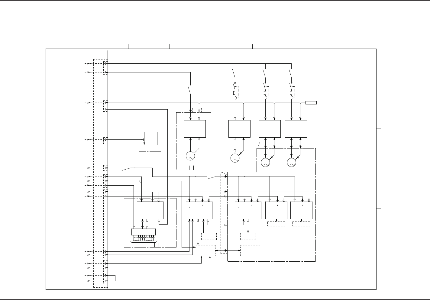
4.2 電気回路図
多段トレイブロック図
4.2 電気回路図 多段トレイブロック図
0906-001 A(M921WA---0001)
UA54 UA54UB76
UB74
トラバース軸(ID:2) エレベータ1軸(ID:3) エレベータ2軸(ID:4)カッター軸(ID:1)
UB26UB26
3ピン
2ピン
5ピン
1ピン
1ピン
1ピン
2ピン
2ピン
2ピン
4ピン
1ピン
5ピン
3ピン
1ピン
3
M
3
M
3
M
3
M
U155U154
ILB-TR
CN1 CN2CN3 CN4CN6 CN2
U69
FB
U68
安全回路
CN100
SV-NET
【本体側】
テープフィーダ10レーン
X300E
各リレー・
【トラバース側】
K101 K201
Q101 Q201K52
A01
CN1 CN2
A02
CN1 CN2
A03
CN1 CN2
A63
CN1 CN2
M63
M01
CN3 CN5
M02 M03
U157
SW2
CN1 CN2A CN2B
U156
SW1
CN1 CN2A CN2B
K301
X300D
多段トレイ接続確認
HLS
24A2
24G1
24G2
24G5,6
本体非常停止検出
本体安全リレー(421)
CN9
センサ・負荷
CN8 CN1
SW基板 SW基板
X300B
X300C
オフラインコントロール
5ピン
6ピン
安全スイッチ
CN3 CN5 CN3 CN5CN3 CN5
ILB-EV
DC48V
AC200V
CN3 CN4
RS232C
X300F
センサ・負荷
N.C
X30
X16301
【OP】
CU-SRS
U
CT TV EV1 EV2
X16302
FB-SRS
U
一括コネクタ
HLS HLSHLSHLSHLS センサ負荷
PWR
センサ負荷
PWR
K505
Q301
一括コネクタ
TV-EV
PWR
RS232C
PWR PWR
一括コネクタ
TV-EV
外部ユニット接続
24B11
X300D
RS232C
(ACV特仕)
IDコントローラ
X4
電源
【OP】
インターロック信号
(本体ILBへ)
24B1
X300D
K52
24B10
【エレベータ側】
終端抵抗
1 2 3 4 5 6 7 8
A
B
C
D
E
F