7OM-1601-006_w.pdf - 第178页

7OM-1601 5-15 4.2 電気回路図 多段トレイ安全回路ブロック図 多段トレイ安全回路ブロック図 0906-001 -(M921W A---0002) 3 M 3 M 3 M S0501(下) 51 52 A1 A2 Power To Lock S0503(マガジン) 11 42 21 22 51 52 A1 A2 31 32 Power To Lock 12 41 K301 CN1 CN3 CN5 M03 S0502(上) …

100%1 / 193
7OM-1601
5-14
4.2 電気回路図
多段トレイブロック図
4.2 電気回路図 多段トレイブロック図
0906-001 A(M921WA---0001)
UA54 UA54UB76
UB74
トラバース軸(ID:2) エレベータ1軸(ID:3) エレベータ2軸(ID:4)カッター軸(ID:1)
UB26UB26
3ピン
2ピン
5ピン
1ピン
1ピン
1ピン
2ピン
2ピン
2ピン
4ピン
1ピン
5ピン
3ピン
1ピン
3
M
3
M
3
M
3
M
U155U154
ILB-TR
CN1 CN2CN3 CN4CN6 CN2
U69
FB
U68
安全回路
CN100
SV-NET
【本体側】
テープフィーダ10レーン
X300E
各リレー・
【トラバース側】
K101 K201
Q101 Q201K52
A01
CN1 CN2
A02
CN1 CN2
A03
CN1 CN2
A63
CN1 CN2
M63
M01
CN3 CN5
M02 M03
U157
SW2
CN1 CN2A CN2B
U156
SW1
CN1 CN2A CN2B
K301
X300D
多段トレイ接続確認
HLS
24A2
24G1
24G2
24G5,6
本体非常停止検出
本体安全リレー(421)
CN9
センサ・負荷
CN8 CN1
SW基板 SW基板
X300B
X300C
オフラインコントロール
5ピン
6ピン
安全スイッチ
CN3 CN5 CN3 CN5CN3 CN5
ILB-EV
DC48V
AC200V
CN3 CN4
RS232C
X300F
センサ・負荷
N.C
X30
X16301
【OP】
CU-SRS
U
CT TV EV1 EV2
X16302
FB-SRS
U
一括コネクタ
HLS HLSHLSHLSHLS センサ負荷
PWR
センサ負荷
PWR
K505
Q301
一括コネクタ
TV-EV
PWR
RS232C
PWR PWR
一括コネクタ
TV-EV
外部ユニット接続
24B11
X300D
RS232C
(ACV特仕)
IDコントローラ
X4
電源
【OP】
インターロック信号
(本体ILBへ)
24B1
X300D
K52
24B10
【エレベータ側】
終端抵抗
1 2 3 4 5 6 7 8
A
B
C
D
E
F
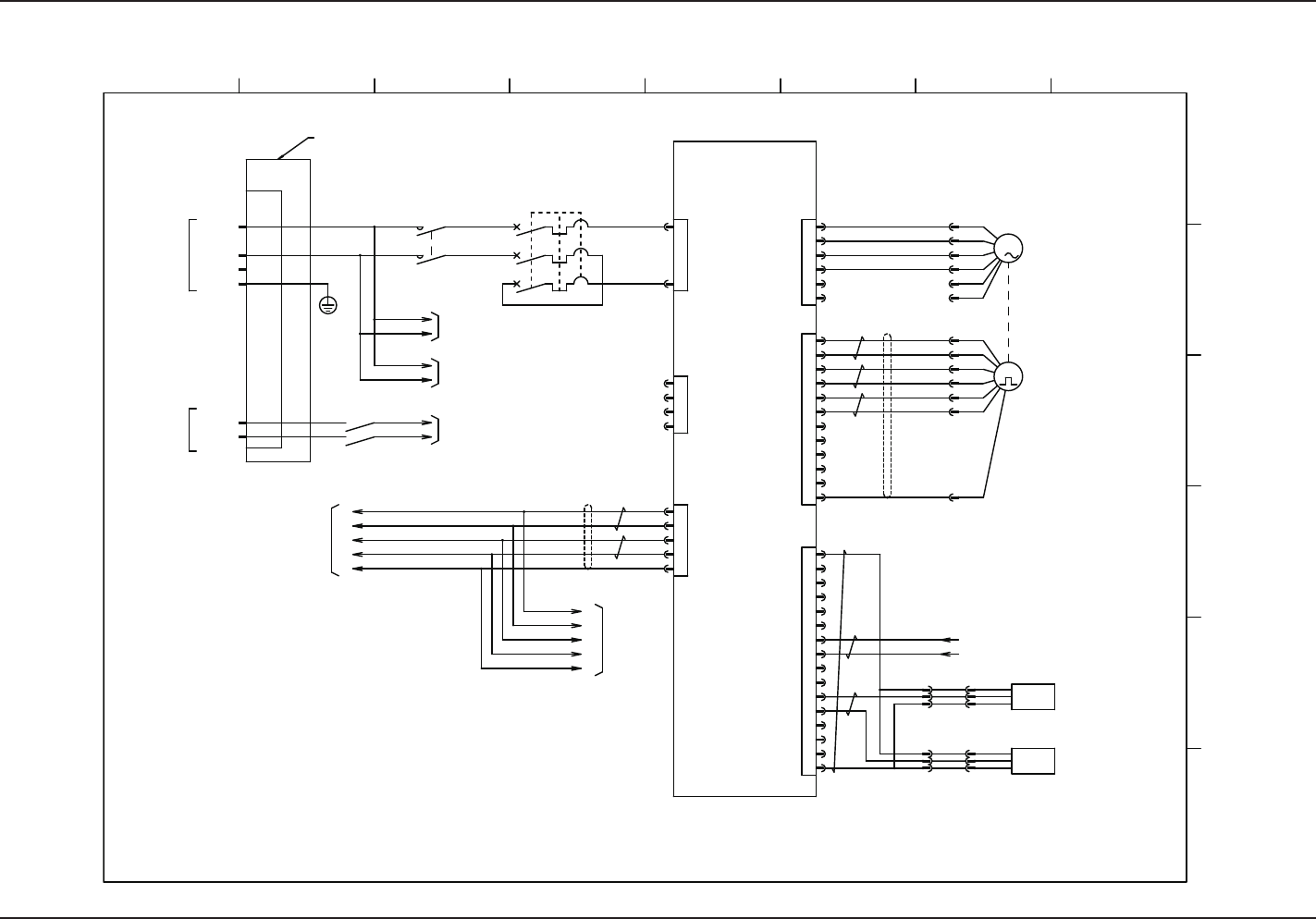
7OM-1601
5-15
4.2 電気回路図 多段トレイ安全回路ブロック図
多段トレイ安全回路ブロック図
0906-001 -(M921WA---0002)
3
M
3
M
3
M
S0501(下)
51
52
A1
A2
Power To Lock
S0503(マガジン)
11
42
21
22
51
52
A1
A2
31
32
Power To Lock
1241
K301
CN1 CN3
CN5
M03
S0502(上)
51
52
A1
A2
Power To Lock
T11
T12
T21
T22
K201
CN1 CN3
CN5
M02
Q101
CN1 CN3
CN5
M01
K002
T31
T32
Q201
2423
K508
K509
K507
1413
A1
T11
T12
T21
T22
K001
T31
T32
2423
1413
A1
A2
K503
K502
K3
1413
T31
T32
K22
24A2
入力
入力
入力
入力
入力
入力
A2
入力
入力
10A
421
非常停止検出
CN7
CN7
CN7
AC200V(単相)
入力
出力
出力
出力
本体側
多段トレイ側
K101
Q301
11
42
21
22
31
32
1241
11
42
21
22
31
32
1241
K512
K513
K513
K513
K512
K508
K507
K504
安全スイッチ
ロック接点
安全スイッチ
開閉接点
開閉接点
開閉接点
ロック接点
ロック接点
EV2主電源投入
EV2(上)
A03
安全スイッチ
ロック接点
EV1主電源投入
EV1(下)
A02
TV
A01
安全リレー
溶着確認
I/O基板
安全リレー
安全リレー
溶着確認
溶着確認
※TV,EVの溶着確認は多段トレイ側で行う。
TV主電源投入
開閉接点
開閉接点
開閉接点
ロック接点
開閉接点
開閉接点
開閉接点
ロック接点
溶着確認用
溶着確認用
1
2 3 4 5 6 7 8 9 10 11 12
A
B
C
D
E
F
G
H
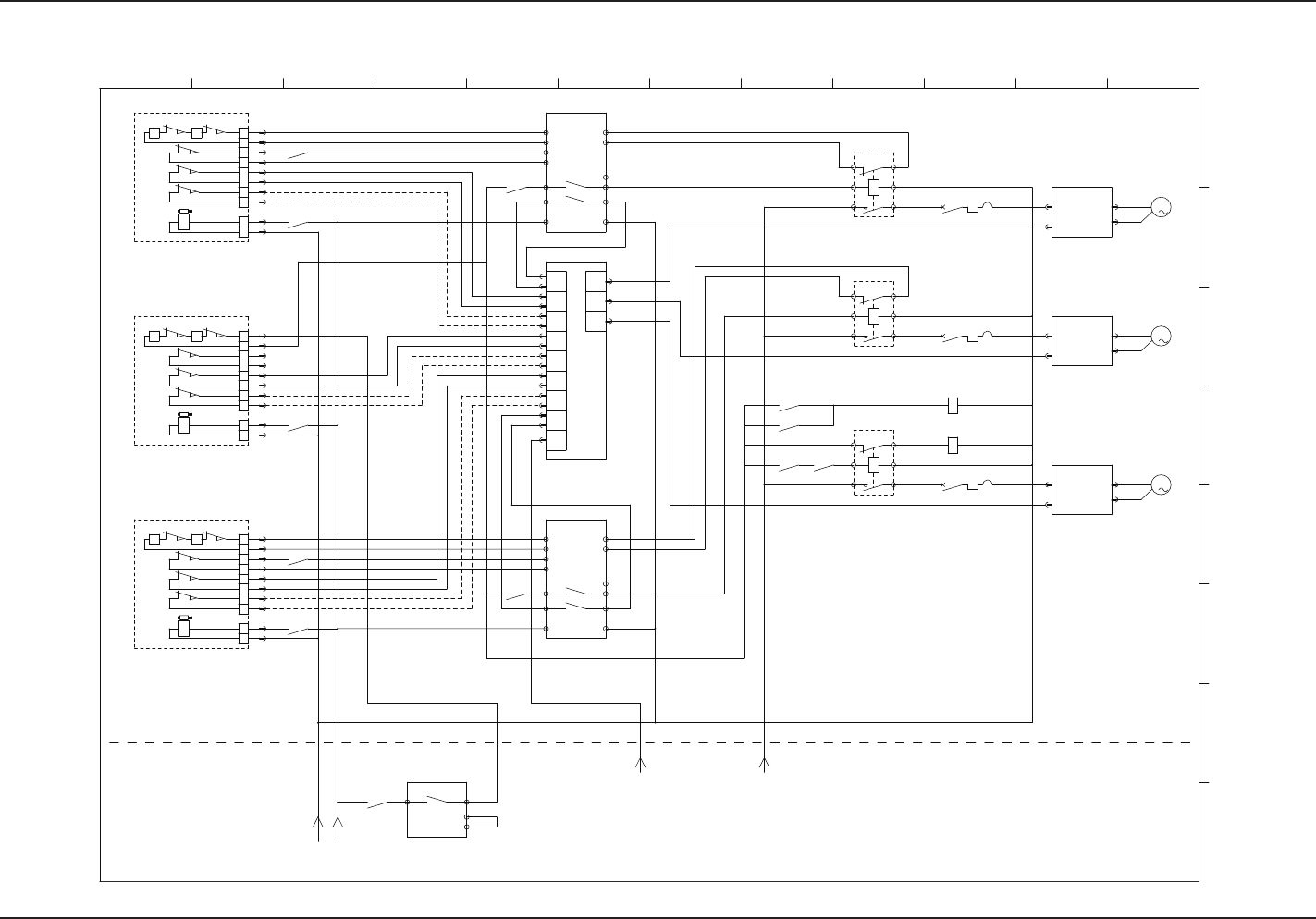
7OM-1601
5-16
4.2 電気回路図 トラバース M 回路図
トラバース M 回路図
1003-002 D(M921WB---0001)
175218-2(AMP)
1-178129-6(AMP)
1318108-1(AMP)
1-1318118-6(AMP)
HIF3BA-16D-2.54R(HIROSE)
TA8411
5556-TL(MOLEX)
5557-02R(MOLEX)
BM3RSB-004
SD-Q11 DC24V 1b
(2.5-4A)
(三相12A/単相6A)
734-165(WAGO)
3
M
SSG
1
2
CN1
X0101
Q101
L110
:1
X300B
:2
:3
:4
4
5
CN2
X0102
2
3
1
CAN H
CAN L
GND
24V
SD
A3
A2
B2
A1
B1
W
V
(BK)
U
FG
CN3
X0103
B3
(BK)
M01
TV-Axis
A2
B1
A3
A1
B2
S1
S4
R1
S2
S3
CN5
X0105
B3
R2
A6
B5
NC
NC
B6
GND(SD)
M01
:A1
:A2
:A3
:B1
M01P
:A1
:B1
:A2
:B2
:A3
:B3
(MOTOR)
:B2
:B3
A5
B4
A4
NC
NC
NC
:B6
3
2
5
1
4
AIN
F-PLS+
GND(COM-)
R-PLS-
CN7
X0107
6
F-PLS-
8
7
AUX
GND
9
C-RST
10
12
11
F-LMT
R-LMT
13
SV-ON
15
14
ALM
INP
16
+24V(COM+)
R-PLS+
RST
(I/O)
本体側
EV側
(MAIN PWR)
(SV-NET)
A01
Servo Motor Driver
(SV-NET)
Q201
[D-/12/4B]:(1)
L210 L250
L150
L350
L151
[B-/02/2B]
K201
X0202
[B-/02/2D]
:4
:5
:2
:3
:1
1
4
CN6
2
3
RG1
DB1
RG2
DB2
L110
L210
L310
E
X16302
:3
:5
:6
:SD
:1
X16301
:5
:6
10D
48D3
K101
1 2
3 4
L351
[B-/03/2B]
K301
U154(STLT ILB TR)
X15442(CN42):1
[B-/07/2B]
[D-/22/4B]:(2)
[D-/12/4B]:(1)
[D-/22/4B]:(2)
K52
14 13
24 23
824
B0102
B0101
48D4
10D
:4
:2
:1
+
OUT
-
BL
BK
BR
:4
:2
:1
+
OUT
-
BL
BK
BR
[B-/14/3A]
10B
X15431(CN31):1
[B-/06/7C]
X10107
:4
:5
:6
:1
:2
:3
X10107
外部ユニット接続一括コネクタ
X30
B module
(6Pins)
AC200V電源
AC200V電源
A02:EV1(下)用
A02:EV1(下)軸
A63:カッター軸
DC48V電源
A63:CT用
DC48V電源
AC200V電源
A03:EV2(上)用
オーバーラン(+)
オーバーラン(-)
1 2 3 4 5 6 7 8
A
B
C
D
E
F