7OM-1601-006_w.pdf - 第184页

7OM-1601 5-21 4.2 電気回路図 U154 I/O P.C.B STLT ILB 2 U154 I/O P.C.B STLT ILB 2 1003-002 B(M921WB---0006) X15421 (TRU) (TRU) (TRU) (TRU) (TRU) (TRU) (TRU) (INT) 803 (UA54) X15422 804 813 814 815 (INT) (TRU) (TRU) (TRU) (TRU)…

100%1 / 193
7OM-1601
5-20
4.2 電気回路図 U154 I/O P.C.B STLT ILB 1
U154 I/O P.C.B STLT ILB 1
1011-003 D(M921WB---0005)
(アンプ)
D-SUB 9PIN
(TRU)
(TRU)
(TRU)
(TRU)
(INT)
(INT)
(INT)
(INT) (TRU)
(TRU)
(INT)
(TRU)
(INT)
(INT)
(INT)
(INT)
Shielded Shielded
X15416
(UA54)
798
PM-R24
PM-R24
EE-SX672
E3T-FD12R
E3X-MDA11
GL-N12FX10
GL-N12FX10
EX-23
EX-23
EX-23
E3X-DA11-S
E3X-DA21-S 2M
EX-23
SCALE 1
/RX
RX
/TX
TX
FG
CN5
CN6
CN7
CN8
CN9
CN10
CN11
CN12
9
3 72
6
7
9 63
2
FG
TX
/TX
RX
/RX
X15404X15403
CN4CN3
1
2
3
3
2
1
3
2
1
3
2
1
1
2
3
1
2
3
1
2
3
3
2
1
1
2
CN2
CN20
CN19
CN18
CN17
CN16
CN15
CN14
CN13
1
2
3
3
2
1
3
2
1
3
2
1
1
2
3
1
2
3
1
2
3
3
2
1
:30
:26
:27
:28
:29
10B
24B10
X15402
X15405
X15406
X15407
X15408
X15409
787(500)
X15413
X15414
X15415
X15417
X15418
B15414
:3
:2
:1
:3
:2
:1
+
OUT
-
:3
:2
:1
XB15417
+
OUT
-
B15417
:3
:2
:1
XB15414
+
OUT
-
B15417T
-
+
-
+
:1
:2
:2
:1
XB15417T
:2
:1
10B
24B10
:1
:2
:3
:4
:5
[B-/13/2C]
[B-/04/4C]
I/O P.C.B
STLT_ILB_TR
U154
[B-/13/4E]
788
10B
24B10
789
10B
24B10
790
10B
24B10
791
10B
24B10
793
10B
24B10
794
10B
24B10
795
796
10B
24B10
797
10B
24B10
799
10B
24B10
800
10B
24B10
801
10B
24B10
802
X15410
X15411
X15412
X15419
X15420
B15406
-
OUT1
+
XB15406
:1
:2
:5
BL
BK
BR
B15407
-
OUT1
+
XB15407
:1
:2
:3
BL
BK
W
OUT2
BR
B15408
:4
B15409
-
OUT
L
+
+
OUT
-
:3
:2
:1
B15411
XB15411
BL
BK
BR
B15412
-
OUT2
+
XB15412
:1
:2
:4
BL
OR
BR
OUT1
BK
BL
BK
BR
B15415
:3
:2
:1
XB15415
+
OUT
-
BL
BK
BR
BL
BK
BR
BL
BK
BR
BL
BR
BL
BR
XB15418
B15418 B15418T
XB15418T
XB15419 XB15419T
:3
-
OUT1
+
BL
BK
W
OUT2
BR
[B-/08/3A]
X35
X35
:66
:67
:68
:9
:2
:6
:3
:7
X15503(CN3)
U155(STLT ILB EV)
+
OUT
- -
+
BL
BK
BR
BL
BR
B15419 B15419T
:5
:6
:5
N.C.
B15413
:4
:3
:1
XB15414
+
OUT
-
10B
24B10
BL
BK
BR
:2
OUT2
:3OR
IN
:4PK
フルサイズのみ短絡
(JEDECは未実装)
:3
:2
:1
:2
:1
10B
24B10
XB15420 XB15420T
+
OUT
- -
+
BL
BK
BR
BL
BR
B15420 B15420T
TV/EV接続一括コネクタ
注1 注1
吸着ミス検出(30mm)
吸着ミス検出(16mm)
吸着ミス検出(12mm)
パレットチャック爪開閉検出L
フィーダ吸着ミス部品検出
本体非常停止検出
-X300F
外部ユニット接続一括コネクタ
-X300F:11
外部ユニット接続一括コネクタ
入力用電源
パレット飛び出し検出
パレットチャック爪開閉検出R
フォトセンサL
パレット乗継部自動教示用
トラバース種類判別
パレット検出センサ
フィーダフック外れ検出
エレベータユニット接近検出L
エレベータユニット接近検出R
TV/EV接続一括コネクタ
吸着ミス検出(24mm)
1 2 3 4 5 6 7 8
A
B
C
D
E
F
REV_NO
REV_NO
REV_NO
REV_NO
REV_NO
7OM-1601
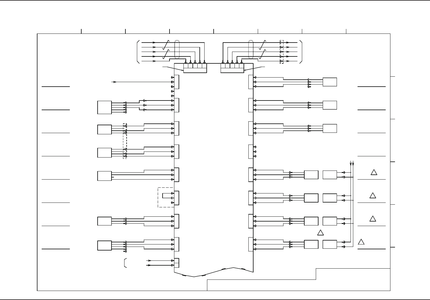
5-21
4.2 電気回路図 U154 I/O P.C.B STLT ILB 2
U154 I/O P.C.B STLT ILB 2
1003-002 B(M921WB---0006)
X15421
(TRU)
(TRU)
(TRU)
(TRU)
(TRU)
(TRU)
(TRU)
(INT)
803
(UA54)
X15422
804
813
814
815
(INT)
(TRU)
(TRU)
(TRU)
(TRU)
(TRU)
(TRU)
(TRU)
RDQD40-40M-M9N
RDQD40-40M-M9N
RDQD40-40M-M9N
RDQD40-40M-M9N
1
2
3
3
2
1
3
2
1
3
2
1
1
2
3
1
2
3
1
2
3
3
2
1
1
2
3
3
2
1
3
2
1
3
2
1
1
2
3
1
2
3
1
2
3
3
2
1
CN28
CN27
CN26
CN25
CN24
CN23
CN22
CN21
CN36
CN35
CN34
CN33
CN32
CN31
CN30
CN29
モータブレーカトリップ検出
セーフティリレー検出
セーフティリレー検出
[クランプ側]
エレベータ接続確認
811
X15429
I/O P.C.B
STLT_ILB_TR
U154
10B
24B10
812
X15430
X15423
805
X15431
10B
X15424
806
X15432
10B
X15425
807
X15433
10B
X15426
816(875)
808
X15434
10B
24B10
X15427
817(876)
809
X15435
10B
24B10
X15428
818810
X15436
10B
24B10
エレベータ下
エレベータ上
Q301
13 14
805B
Q201
13 14
805A
Q101
13 14
K001:14
K001:13
[B-/04/7D]
K002:14
K002:13
[B-/04/7F]
B15426
-
OUT
+
XB15426
:1
:2
:3
BL
BK
BR
[アンクランプ側]
B15427
-
OUT
+
XB15427
:1
:2
:3
BL
BK
BR
B15428
-
OUT
+
XB15428
:1
:2
:3
BL
BK
BR
クランプシリンダR
B15429
XB15429
:1
:2
:3
-
OUT
+
クランプシリンダL
クランプシリンダL
[クランプ側]
[アンクランプ側]
クランプシリンダR
BL
BK
BR
EV1インターロック信号
EV2インターロック信号
10B
X15546(CN46)
[B-/10/7E]
U155(STLT ILB EV)
X15547(CN47):1
[B-/10/7E]
U155(STLT ILB EV)
X35
:71
:72
K101
5 6
トラバース主電源検出
:47
:48
:1
:1
X35
X0107(CN7)
[B-/01/7E]
A01(TV)
:7
10B
X0307(CN7)
[B-/03/7E]
A03(EV2:上)
:7
10B
X0207(CN7)
[B-/02/7D]
A02(EV1:下)
:7
10B
エレベータユニット
CB異常 -EV2CB異常 -EV1CB異常 -TV
エレベータユニット
エレベータユニット
エレベータユニット
TV/EV接続一括コネクタ
TV/EV接続一括コネクタ
1 2 3 4 5 6 7 8
A
B
C
D
E
F
7OM-1601
5-22
U154 I/O P.C.B STLT ILB 3
4.2 電気回路図 U154 I/O P.C.B STLT ILB 3
0906-001 A(M921WB---0007)
(INT)
(TRU)
(TRU)
(TRU)
(TRU)
(TRU)
(INT)
(INT)
(INT)
(INT)
(INT)
(TRU)
(TRU)
(TRU)
(TRU)
(TRU)
820
X15438
833
834
I/O P.C.B
STLT_ILB_TR
U154
1
2
2
1
2
1
2
1
1
2
1
2
1
2
2
1
CN37
CN38
CN39
CN40
CN41
CN42
CN43
CN44
1
2
2
1
2
1
2
1
1
2
1
2
1
2
2
1
CN51
CN50
CN49
CN48
CN47
CN46
CN53
CN52
827
EV1緊急停止信号
X15401
CN1
2
1
10B
3
4
24B10
EV2緊急停止信号
TV緊急停止信号
安全扉(上)電磁ロック
安全扉(下)電磁ロック
TV主回路電源投入
EV1主回路電源投入
EV2主回路電源投入開閉シリンダバルブ(開)
X15444 X15453
安全扉(マガジン)電磁ロック
9 13
K502
K503
1410
11 15
K504
シリンダバルブ(開)
819
[B-/13/4E]
821
822
823
824
825
826
X15443
X15442
X15441
X15440
X15439
X15437
X15452
X15451
X15450
X15449
X15448
X15447
X15446
828
829
830
831
832
エレベータユニットクランプ
パレットチャック爪
XY15437
:1
:2
Y15437
XY15439
:1
:2
Y15439
24B10
1 8
K507
1 8
K508
1 8
K509
X0207(CN7):8
[B-/02/7D]
A02(EV1:下)
X0307(CN7):8
[B-/03/7D]
A03(EV2:上)
X0107(CN7):8
[B-/01/7E]
A01(TV)
EV負荷電源投入
24B10
24B10
24B10
24B10
24B10
24B10
24B10
24B10
16 12
K505
ビーム緊急停止信号
[B-/04/4D]
出力用電源
-X300F:12
外部ユニット接続一括コネクタ
1 2 3 4 5 6 7 8
A
B
C
D
E
F