7OM-1601-006_w.pdf - 第193页
不許複製 2009 年 6 月 初版発行 2011 年 11 月 第 6 版発行 編集および発行所 1 1 1 1-006 7OM-1601 〒 360-0238 埼玉県熊谷市妻沼西一丁目 6 番地 TEL:(048)506-6086 FAX:(048)567-0084

7OM-1601
5-28
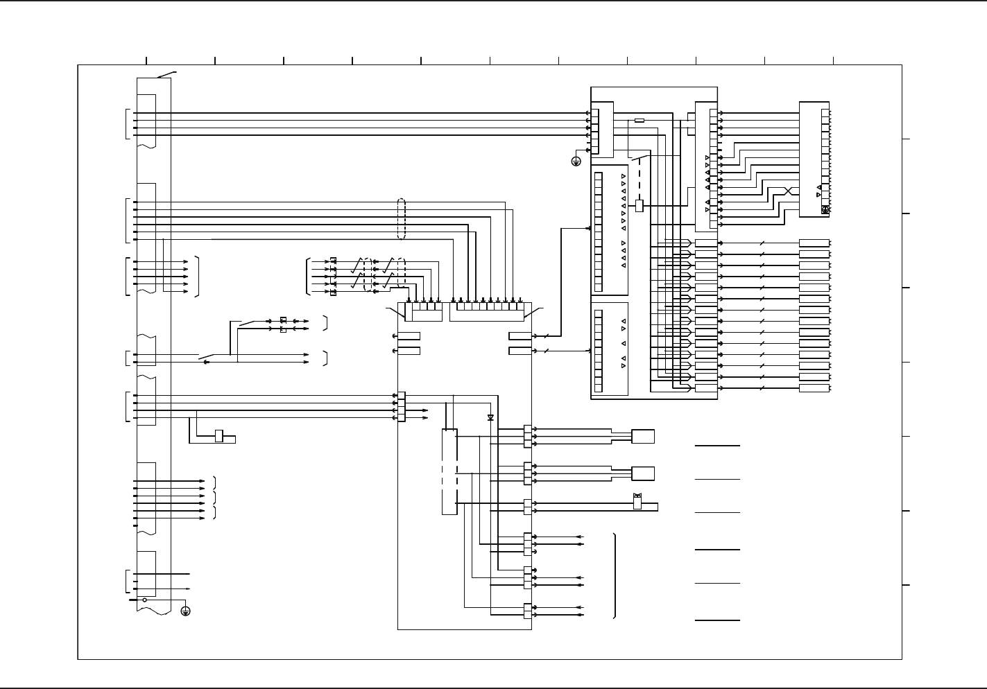
フィーダベース回路図
4.2 電気回路図 フィーダベース回路図
1003-003 C(M921WB---0013)
SSD-L-40-15-T3V D
SSD-L-40-15-T3V D
(HLS+RS232C)
コネクタ:IL-S-3P-S2T2-EF
ピン:IL-S-C2-S-0001
コネクタ:IL-S-3P-S2T2-EF
ピン:IL-S-C2-S-0001
コネクタ:IL-S-2P-S2T2-EF
ピン:IL-S-C2-S-0001
コネクタ:IL-S-2P-S2T2-EF
ピン:IL-S-C2-S-0001
コネクタ:IL-S-3P-S2T2-EF
ピン:IL-S-C2-S-0001
コネクタ:IL-S-3P-S2T2-EF
ピン:IL-S-C2-S-0001
9
8
5
6
7
4
1
2
3
+24V
+24v
GND
X01
GND
FG
13
10
11
12
S.GND
TXD
RXD
4GND
1
2
3
+24V
+24V
GND
9
8
5
6
7
13
10
11
12
S.GND
TXD
RXD 14
15
16FG
X01
14
X02
14
X03
14
X04
14
X05
OUT1
OUT2
IN1
IN2
IN3
14
X06
14
X07
14
X08
14
X09
14
X10
14
X11
14
X12
14
X13
14
X14
14
X15
X02
X03
X04
X05
X06
X07
X08
X09
X10
X11
X12
X13
X14
X15
4
3
2
1 GND
+24V
GND
+24V
X100
X68100
Connection P.C.B FB
-U68
6
5
FG
OUT1
OUT2
IN1
IN2
IN3
X01:
X01:
X01:
X01:
X01:
OUT1
OUT2
IN1
IN2
IN3
X02:
X02:
X02:
X15:
X15:
OUT2
IN1
X15:
X15:
…
X101
X01:
X01:
X01:
X02:
X02:
X15:
X15:
…
X102
S.GND
TXD
RXD
S.GND
TXD
TXD
RXD
24G5
10G
24G6
10G
:5
:8
:7
:6
X300C
U69
X6909
FG(コネクタケース
/TX
CN9
TX
/RX
RX
I/O P.C.B
STLT_FB
:3
:2
:4
:1
24G2
24G1
10G
10G
:6
:5
:10
:9
:8
:7
:34
:32
:33
:31
:35
FG
RTS
TxD
S.GND
RxD
CTS
φ6
:3
79 68
FG
RTS
CN6
CTS
5
S.GND
4 3
TXD
2
RXD
1
80X6901
CN1CN2
X6908
CN8
10B1
24VB1
X6801
X6802
X6803
X6804
X6805
X6806
X6807
X6808
X6809
X6810
X6811
X6812
X6813
X6814
X6815
X68101
X68102
X6906
X300F
X300A
1
2
3
4
10B2
24VB2
CN4
50X6903
CN3
3
7 5
9
X300C
:1
:6
:9
:10
:11
:12
X300E
+24V
GND
+24V
:1
:2
:1
:2
-X6911
-X6912
-X6915
:2
:3
[B-/13/7H]
[B-/13/7G]
[B-/13/7G]
77
80
79
78
73
76
75
74
9
8
7
6
1
5
…
…
47
50
49
48
46
8
7
1
6
…
…
:2
:7
:8
RLY
1Ω7W
Y6913X6913
1
2
CN13
24VBO
24VBO
24VBO
内部入出力回路
[B-/13/3F]
B6914
-
OUT
+
BL
BK
BR
B6910
-
OUT
+
BL
BK
BR
24VBO
CN10
CN14
X6910
X6914
1
2
3
1
2
3
24VBO
1
2
3
1
2
3
2
1
X300E
:8
:9
:10
:11
:6
:7
+24V
GND
+24V
X6912
CN12
X6915
CN15
X6911
CN11
U157(STLT TR SW2)
[B-/12/6A]
[B-/08/3F] [B-/10/3F]
DC24V
[D-/12/4D]:(1)
[D-/22/4D]:(2)
RS232C
[D-/12/8D]:(1)
[D-/22/8D]:(2)
DC24V
[D-/12/4C]:(1)
[D-/22/4C]:(2)
空圧用ホース
[D-/12/4A]:(1)
[D-/22/4A]:(2)
:1
:2
:2
:6
[B-/05/3A]
:3
:4
:3
:7
:9
U154(STLT ILB TR)
X15403(CN3)
HLS
[D-/12/8C]:(1)
[D-/22/8C]:(2)
/RX
/TX
RX
TX
FG
24VBO
[B-/05/2F] [B-/07/3F]
K505
4 8
24B10
10B
A1 A2
K52
:2
X215501
:1
:60
X35
:59
X1572B(CN2B)
:3
X16909
:5
:7
:9
:コネクタケース
:2
115501
:1
24B11
10B
[B-/11/4F] [B-/12/4F]
X35
:9
:5
:7
:3
:コネクタケース
X26909
K52
44 43
:1
:2
X300C
10B
24B1
DC24V
[D-/12/4E]:(1)
[D-/22/4E]:(2)
オフラインコントロー
ル
U69(CN15)へ
オフラインコントロー
ル
U69(CN12)へ
オフラインコントロー
ル
U69(CN11)へ
電磁弁へ
注記
注1.ドレン線はコネクタの7番端子に接続される。
電磁弁へ
外部ユニット接続一括コネクタ
X30
送り開始1
送り開始2
送り準備完了
フィーダ用ドロワーコネクタ
通信準備完了
フィーダ接続確認
C module
(12Pins)
注1
F module
(12Pins)
A module
(3Pins)
フィーダ用ドロワーコネクタ
フィーダ用ドロワーコネクタ
フィーダ用ドロワーコネクタ
フィーダ用ドロワーコネクタ
フィーダ用ドロワーコネクタ
フィーダ用ドロワーコネクタ
フィーダ用ドロワーコネクタ
フィーダ用ドロワーコネクタ
フィーダ用ドロワーコネクタ
フィーダ用ドロワーコネクタ
フィーダ用ドロワーコネクタ
フィーダ用ドロワーコネクタ
フィーダ用ドロワーコネクタ
フィーダ用ドロワーコネクタ
C module
(12Pins)
E module
(12Pins)
(アンクランプ)
(クランプ)外部通知
外部通知
(フィーダクランプ)外部指令
外部指令(フィーダクランプ)
オフラインコントロール用
外部通知(アンクランプ)
フィーダークランプ上限
フィーダークランプ下限
外部通知(クランプ)
10レーンフィーダクランプ
オフラインコントロール用
オフラインコントロール用
(クランプ)
(アンクランプ)
10レーンフィーダクランプ上限
10レーンフィーダクランプ下限
X15402,X15401
U154(STLT ILB TR)
DCセンサ/負荷電源
TV/EV接続一括コネクタ
エレベータ部
TV/EV接続一括コネクタ
D module
(12Pins)
1
2 3 4 5 6 7 8 9 10 11 12
A
B
C
D
E
F
G
H

7OM-1601
5-290906-001

不許複製
2009 年 6 月 初版発行
2011 年 11 月 第 6 版発行
編集および発行所
1111-006
7OM-1601
〒 360-0238 埼玉県熊谷市妻沼西一丁目 6 番地
TEL:(048)506-6086 FAX:(048)567-0084