TR7DN-Rev02 - 第49页
- 46 - REF.NO NOTE PART NO D E S C R I P T I O N 品 名 Qty 1 401-19784 YA LIMIT+ SENSO R CABLE ASM YA LIMIT+ センサケーブル組 1 2 401-19785 YA ORG/LIMIT- SENSOR CABLE ASM YA ORG/LIMIT− センサケーブル組 1 3 401-19783 YA LMT SENSO R CABLE A…

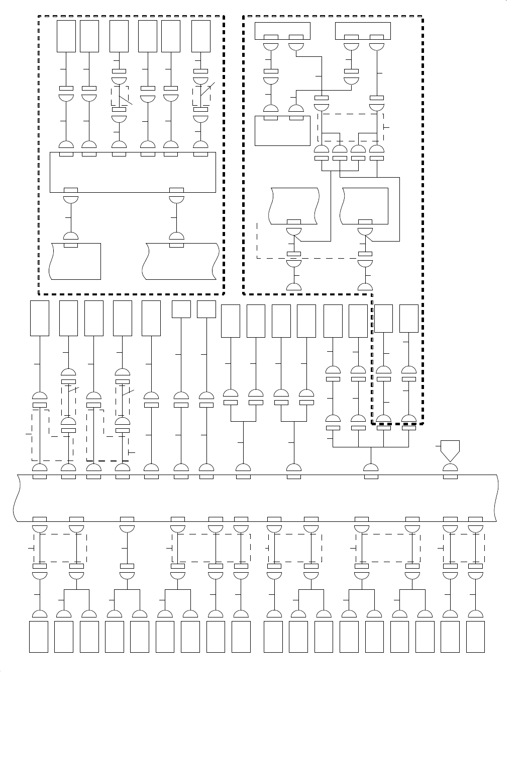
- 45 -
23.SYSTEM DIAGRAM (3)
SYSTEM DIAGRAM(3)
RFID SCN PCB
SLOW MODE PCB
MAIN PCB(6/6)
MAIN PCB(5/6)
MAIN PCB(4/6)
SCN PCB(4/4)
SCN PCB(3/4)
3_4C
3_4C
3_4B
3_4C
2_3D
3_2D
3_3A
2_5D
COJISCAN
ANTENNA
ARRAY
14mm 20
COJISCAN
ANTENNA
ARRAY
14mm 20
ANT A1
ANT B1
SUNX,EX-19A
SUNX,EX-19A
SUNX,EX-19A
SUNX,EX-19A
SUNX
PM2-LH10B
SUNX
PM2-LH10B
SUNX
PM2-LH10B
SUNX
PM2-LH10B
ALEPH
OJ-JK02-N47
ALEPH
OJ-JK02-N47
ALEPH
OJ-JK02-N47
ALEPH
OJ-JK02-N47
ALEPH
OJ-JK02-N47
ALEPH
OJ-JK02-N47
ALEPH
OJ-JK02-N47
ALEPH
OJ-JK02-N47
ALEPH
OJ-JK01-N47
ALEPH
OJ-JK02-N47
ALEPH
OJ-JK01-N47
ALEPH
OJ-JK01-N47
ALEPH
OJ-JK02-N47
ALEPH
OJ-JK01-N47
ANT B2
CN151
CN152
ANT A2
CN160
CN159
CN156
CN154
CN155
CN153
CN422
CN22
S-I/F
P-I/F
CN113
CN110
CN112
CN111
CN128
CN127
CN109
CN108
CN23
CN08
CN07
CN02
CN06
CN05
CN04
CN03
CN01CN20
SUNX,PM-Y44
SUNX,PM-Y44
SUNX,EX-19A
SUNX,EX-19A
CN164
CN163
CN162
CN161
CN158
CN145
CN157
CN144
CN149
CN148
CN147
CN146
CN143
CN038
CN135
CN092CN091
CN141
CN142
CN037
CN036
CN18
CN19
CN25
CN09
CN37
CN03
CN02
CN47
CN57
CN59
CN23
CN61CN180
CN53CN179
CN39CN178
CN38CN177
CN32CN176
CN28CN175
CN50CN174
CN43CN173
CN51CN172
CN42
CN171
CN33
CN170
CN29
CN169
RFID OPTION
SLOW MODE OPTION
Inside of TR7DN
ZB CABLE BEAR
ZA CABLE BEAR
SLOW
MODE1
(TRAY HLD A1)
SLOW
MODE1
(TRAY HLD A1)
SLOW
MODE1
(TRAY HLD A1)
SLOW
MODE1
(TRAY HLD A1)
SLOW
MODE1
(TRAY HLD A1)
SLOW
MODE1
(TRAY HLD A1)
IS POSI
BSENS
IS POSI
ASENS
Y CRASH
SENS(EMITTER)
Y CRASH
SENS(RECEIVER)
CMPNT
10.5(EMITTER)
CMPNT
23.5(RECEIVER)
CMPNT
23.5(EMITTER)
CMPNT
10.5(RECEIVER)
FAN
(YA)
FAN
(YA)
Y C ENT S.V
SHT OPEN B S.V
TRAY HLD B S.V
ZB CABLE BEAR
SHT OPEN A S.V
TRAY HLD A S.V
ZA CABLE BEAR
TRAY B SENS-
TRAY RLS B2
TRAY HLD B2
TRAY B SENS+
TRAY RLS B1
TRAY HLD B1
YB LMT- SENS
YB ORG SENS
YB LMT+ SENS
TRAY A SENS-
TRAY RLS A2
TRAY HLD A2
TRAY A SENS+
TRAY RLS A1
TRAY HLD A1
YA LMT- SENS
YA ORG SENS
YA LMT+ SENS
1
2
3
4
5
6
78
9
10
11
12 13
15
14
16 17
18
21
19
20
23
22
25
27
28
29
30
31
32
33
34
35
36
37
38
39
40
41 43
42
44
61
62
63
64
45 46
47
48
49
50
51
53
54
55
56
57
58
60
52
59
65
67
6866
26
24
71
72
73
74
75
70
69

- 46 -
REF.NO NOTE PART NO D E S C R I P T I O N
品 名
Qty
1 401-19784 YA LIMIT+ SENSOR CABLE ASM
YA LIMIT+ センサケーブル組
1
2 401-19785 YA ORG/LIMIT- SENSOR CABLE ASM
YA ORG/LIMIT− センサケーブル組
1
3 401-19783 YA LMT SENSOR CABLE ASM
YA LMT センサケーブル組
1
4 401-19787 TRAY HLD/RLS A1 SENSOR CABLE 2 ASM
TRAY HLD/RLS A1 センサケーブル2組
1
5 401-19786 TRAY HLD/RLS A1 SENSOR CABLE 1 ASM
TRAY HLD/RLS A1 センサケーブル1組
1
6 401-19789 TRAY HLD/RLS A2 SENSOR CABLE A ASM
TRAY HLD/RLS A2 センサケーブルA組
1
7 401-17202 TRAY A SENSOR+ CABLE ASM
TRAY A SENSOR+ ケーブル組
1
8 401-17203 TRAY A SENSOR- CABLE ASM
TRAY A SENSOR− ケーブル組
1
9 401-19788 TRAY A SENSOR CABLE ASM
TRAY A センサケーブル組
1
10 401-19793 YB LIMIT+ SENSOR CABLE ASM
YB LIMIT+ センサケーブル組
1
11 401-19792 YB LMT SENSOR CABLE ASM
YB LMT センサケーブル組
1
12 401-19794 YB ORG/LIMIT- SENSOR CABLE ASM
YB ORG/LIMIT− センサケーブル組
1
13 401-19796 TRAY HLD/RLS B1 SENSOR CABLE ASM
TRAY HLD/RLS B1 センサケーブル組
1
14 401-19797 TRAY HLD/RLS B2 SENSOR CABLE ASM
TRAY HLD/RLS B2 センサケーブル組
1
15 401-19795 TRAY B HLD/RLS SENSOR CABLE ASM
TRAY B HLD/RLS センサケーブル組
1
16 401-17215 TRAY B SENSOR+ CABLE ASM
TRAY B センサ+ ケーブル組
1
17 401-17216 TRAY B SENSOR- CABLE ASM
TRAY B センサ− ケーブル組
1
18 401-19798 TRAY B SENSOR CABLE ASM
TRAY B センサケーブル組
1
19 401-22307 TRAY HOLD/SHT A S.V. CABLE ASM
TRAY HOLD/SHT A S.V.ケーブル組
1
20 401-17205 TRAY HOLD A S.V. ASM
TRAY HOLD A S.V.組
1
21 401-17243 SENSOR SHORT CABLE ASM
センサ SHORT ケーブル組
1
22 401-19889 SHT OPEN A S.V. CABLE 2 ASM
SHT OPEN A S.V.ケーブル2組
1
23 401-17207 SHT OPEN A S.V. ASM
SHT OPEN A S.V.組
1
24 401-19804 TRAY HOLD/SHT B S.V. CABLE ASM
TRAY HOLD/SHT B S.V.ケーブル組
1
25 401-17218 TRAY HOLD B S.V. ASM
TRAY HOLD B S.V.組
1
26 401-19890 SHT OPEN B S.V. CABLE 2 ASM
SHT OPEN B S.V.ケーブル2組
1
27 401-17220 SHT OPEN B S.V. ASM
SHT OPEN B S.V.組
1
28 401-19402 Y CENT S.V. CABLE ASM
Y CENT S.V.ケーブル組
1
29 401-19403 Y CENT S.V. ASM
Y CENT S.V.組
1
30 401-17208 FAN MOTOR(YA MOTOR) CABLE ASM
FAN モータ(YA モータ)ケーブル組
1
31 400-49579 FAN MOTOR(Y MOTOR) ASM
FAN モータ(Y モータ)組
1
32 401-17221 FAN MOTOR(YB MOTOR) CABLE ASM
FAN モータ(YB モータ)ケーブル組
1
33 401-17222 FAN MOTOR(YB MOTOR) ASM
FAN モータ(YB モータ)組
1
34 401-17209 CMPNT SENSOR R CABLE ASM
CMPNT センサRケーブル組
1
35 401-17237 CMPNT10.5 RECEIVE SENSOR ASM
CMPNT10.5 受光センサ組
1
36 401-17238 CMPNT23.5 SENS ASM
CMPNT23.5 センサ組
1
37 401-17210 CMPNT SENSOR L CABLE ASM
CMPNT センサLケーブル組
1
38 401-17239 CMPNT23.5 RECEIVE SENSOR ASM
CMPNT23.5 受光センサ組
1
39 401-17240 CMPNT10.5 SENSOR ASM
CMPNT10.5 センサ組
1
40 401-17613 SENSOR CABLE ASM
センサケーブル組
1
41 401-19893 Y CRASH SENSOR (REC)RELAY CABL ASM
Y CRASH センサ (受光)リレーケーブル組
1
42 401-19883 Y CRASH RECEIVER SENSOR ASM
Y CRASH 受光センサ組
1
43 401-19894 Y CRASH SENSOR (EMI)RELAY CABL ASM
Y CRASH センサ (投光)リレーケーブル組
1
44 401-19884 Y CRASH EMITTER SENS ASM
Y CRASH 投光センサ組
1
45 400-45174 SLOW MODE CABLE ASM
スローモードケーブル組
1
46 400-49701 SLOW MODE POWER CABLE ASM
スローモードパワーケーブル組
1
47 401-17246 SLOW MODE(TRAY HLD A1) CABLE ASM
スローモード(トレイ HLD A1)ケーブル組
1
48 400-45177 SLOW MODE(HR UP) ASM
スローモード(HR UP)組
1
49 401-17247 SLOW MODE(TRAY HLD A2) CABLE ASM
スローモード(トレイ HLD A2)ケーブル組
1
50 400-45179 SLOW MODE(HR DOWN) ASM
スローダウン(HR DOWN)組
1
51 401-17248 SLOW MODE(SHT A) CABLE ASM
スローモード(SHT A)ケーブル組
1
52 401-17257 SLOW MODE(SHT A) CABLE 2 ASM
スローモード(SHT A)ケーブル2組
1
53 400-49706 SLOW MODE(SHT) ASM
スローモード(SHT)組
1
54 401-17249 SLOW MODE(TRAY HLD B1) CABLE ASM
スローモード(トレイ HLD B1)ケーブル組
1
55 400-45183 SLOW MODE(HL DOWN) ASM
スローモード(HL DOWN)組
1
56 401-17250 SLOW MODE(TRAY HLD B2) CABLE ASM
スローモード(トレイ HLD B2)ケーブル組
1
57 400-45185 SLOW MODE(SHT) ASM
スローモード(SHT)組
1
58 401-17251 SLOW MODE(SHT B) CABLE ASM
スローモード(SHT B)ケーブル組
1
59 401-17258 SLOW MODE(SHT B) CABLE 2 ASM
スローモード(SHT B)ケーブル2組
1
60 400-45187 SLOW MODE(TRAY) ASM
スローモード(トレイ)組
1
61 401-17609 IS INPOSI A SENSOR RELAY CABLE ASM
IS INPOSI Aセンサリレーケーブル組
1
62 401-17610 IS INPOSI A SENSOR CABLE ASM
IS INPOSI Aセンサケーブル組
1
63 401-17611 IS INPOSI B SENSOR RELAY CABLE ASM
IS INPOSI Bセンサリレーケーブル組
1
64 401-17612 IS INPOSI B SENSOR CABLE ASM
IS INPOSI Bセンサケーブル組
1
65 401-17224 MTS P-I/F CABLE ASM
MTS P−I/Fケーブル組
1
66 401-17252 RFID I/F CABLE ASM
RFID I/Fケーブル組
1
67 401-17225 MTS S-I/F CABLE ASM
MTS S−I/Fケーブル組
1
68 400-96123 RFID I/F CABLE ASM
RFID I/Fケーブル組
1
69 401-17256 ANTENNA ARRAY A CABLE ASM
アンテナアレイAケーブル組
1
70 401-17259 ANTENNA ARRAY RFID I/F CABLE ASM
アンテナアレイRFID I/Fケーブル組
1
71 401-17253 SCN ANTENNA B CABLE ASM
SCN アンテナBケーブル組
1
72 400-75451 MTC/MTR INPUTS CABLE
MTC/MTR 入力ケーブル
1
73 401-17254 SCN ANTENNA A CABLE ASM
SCN アンテナAケーブル組
1
74 401-17255 ANTENNA ARRAY B CABLE ASM
アンテナアレイBケーブル組
1
75 400-75451 MTC/MTR INPUTS CABLE
MTC/MTR 入力ケーブル
1

- 47 -
24.SYSTEM DIAGRAM (4)(FOR CE)
SYSTEM DIAGRAM(4)(CE 用)
RLY7
D1
01
1
0
22
21
MC5
23 24
RLY3
34
12
34
12
SRLY2
SRLY1
01_5B
(CE)
01_2D
(CE)
01_2D
(CE)
01_2D
(CE)
01_2D
(CE)
44 43
34 33
34 33
34 33
MC5
A2 A1
10
10
CN067 -A
10
34 3334 33
23 24
22
21
22 21 22 21
CN116-BCN116-A
MC4
RLY6
RLY5
RLY4
SC-03/G DC24V
SC-03/G DC24V
G7SA-3A1B DC24V
G7SA-3A1B DC24V
G7SA-3A1B DC24V
G7SA-3A1B DC24V
FUJI
FUJI
OMRON
OMRON
OMRON
OMRON
RLY3
MC5
MC4
RLY6
RLY5
RLY4
1
A2 A1
RLY6
RLY4
MC4 MC1
RLY6
RLY5
RLY7
MC2
RLY7
RLY3
RLY3
CN107-A
-
TB2
+
+
-
TB2
-
-
1_1B
(CE)
CN067-B
CN115-B
TB2
-
-
CN115-A
5_4C
(CE)
TB2
+
+
TB2
+
+
TB2
-
+
CN076
5_4B
(CE)
CN078
5_4B
(CE)
CN107-B
DOORAOPENSW
31
11
32
12
CN074
CN072
CN075
DOOR B OPEN SW
CN073
31
11
32
12
TB2
-
+
YB
YA
K2
K1
bK2
K2
K1
a
K1
TH
SA
b
a
Control
Circuit
42342414BAT23 T22T21PE
A2 41332313T32T31T12T11A1
K2
K1
bK2
K2
K1
a
K1
TH
SA
b
a
Control
Circuit
42342414BAT23 T22T21PE
A2 41332313T32T31T12T11A1
1
2
3
4
14
15
12
13
9
5
6
8
7
3
4
11
17
19
16
18
10
23
24
25
26
32
34
33
31
28
30
29
27
36
22
20
35
22
20
21
37
38
39
40
41
42
43
44
45
RLY7 OMRON G7SA-3A1B DC24V