M10D10_MultiConv_PartsList PDFA - 第4页

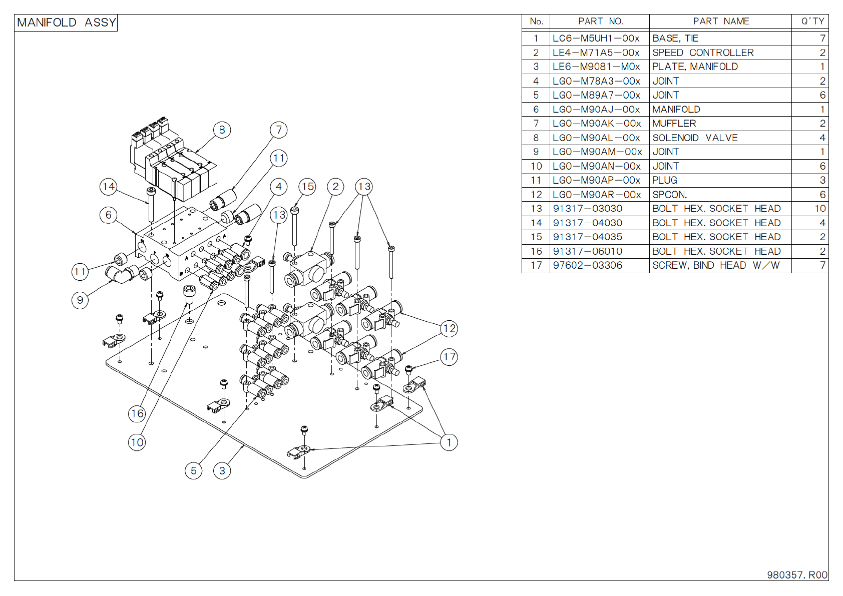
M A N I F O L D A S S Y 9 8 0 3 5 7 . R 0 0 P A R T N O . P A R T N A M E Q ’ T Y N o . 1 L C 6 - M 5 U H 1 - 0 0 x B A S E , T I E 7 2 L E 4 - M 7 1 A 5 - 0 0 x S P E E D C O N T R O L L E R 2 3 L E 6 - M 9 0 8 1 - M 0 …

100%1 / 28
 
 
   
O L    
   
   
 
   
     
I F  
   
  O L  
P L I F O L  
0 x
0 x
 
F L
O L    
0 x