M10D10_MultiConv_PartsList PDFA - 第12页
S H T . 2 / 2 P A R T N O . P A R T N A M E Q ’ T Y N o . 1 L C 2 - M 9 1 2 M - 0 0 x L O W H E A D C A P S C R E W 4 2 L E 6 - M 6 5 E 6 - 2 0 x Q C - F C Y L . A S S Y 1 3 L E 6 - M 9 4 1 2 - 0 0 x B U S H 4 4 L E 6 - …

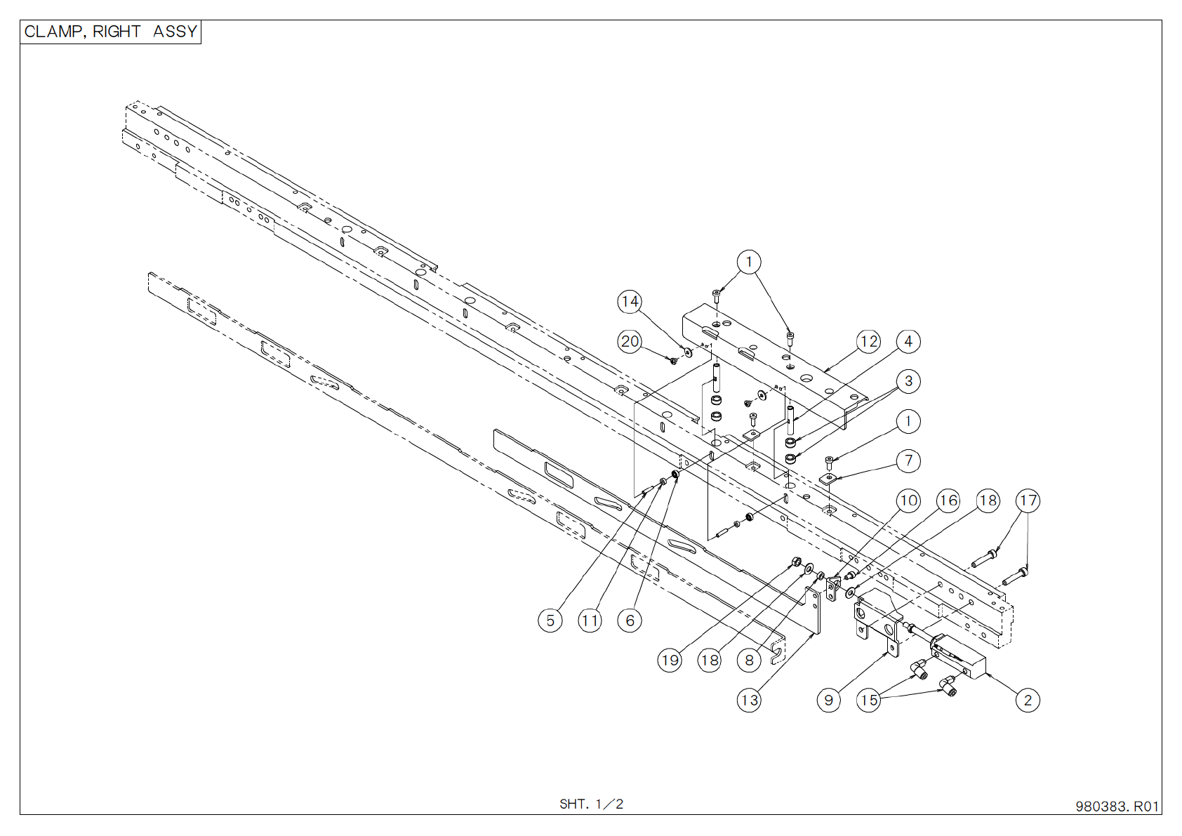
S H T . 1 / 2
C L A M P , R I G H T A S S Y
9 8 0 3 8 3 . R 0 1
1
7
1 5 2
1 4
2 0
91 3
81 81 9
3
41 2
1
61 15
1 0 1 6 1 8 1 7

S H T . 2 / 2
P A R T N O . P A
R T N A M E Q ’ T YN o .
1 L C 2 - M 9 1 2 M - 0 0 x L O W H E A D C A P S C R E W 4
2 L E 6 - M 6 5 E 6 - 2 0 x Q C - F C Y L . A S S Y 1
3 L E 6 - M 9 4 1 2 - 0 0 x B U S H 4
4 L E 6 - M 9 4 7 7 - 0 0 x S H A F T , S L I D E 2
5 L E 6 - M 9 4 7 9 - 0 0 x P I N , N E E D L E 2
6 B R G 2
7 L E 6 - M 9 4 7 F - 0 0 x P L A T E , L E V E R 2
8 L E 6 - M 9 4 7 K - 0 0 x S P A C E R 1
9 L E 6 - M 9 4 7 N - 0 0 x B R K T . C Y L 1
1 0 L E 6 - M 9 4 7 R - 0 0 x J O I N T , C Y L R 1
1 1 L E 6 - M 9 4 7 T - 0 0 x S P A C E R 2
1 2 L E 7 - M 9 4 7 3 - 0 0 x C L A M P E R , 3 1
1 3 L E 7 - M 9 4 7 J - 0 0 x L E V E R , 2 1
1 4 L G 0 - M 7 1 F 1 - 0 0 x W A S H E R L , P L A I N 2
1 5 L G 0 - M 7 8 A 7 - 0 0 x J O I N T 2
1 6 9 1 3 1 4 - 0 4 0 0 6 B O L T H E X . S O C K E T H E A D 2
1 7 9 1 3 1 4 - 0 5 0 2 5 B O L T H E X . S O C K E T H E A D 2
1 8 9 2 9 0 3 - 0 5 2 0 0 W A S H E R , P L A I N 2
1 9 9 5 3 0 7 - 0 5 6 0 0 N U T H E X A G O N 1
2 0 9 8 9 0 4 - 0 3 0 0 3 S C R E W , B I N D I N G H E A D 2
C L A M P , R I G H T A S S Y
9 8 0 3 8 3 . R 0 1
L E
6 - M 9 4 7 A - 0 1 x

S H T . 1 / 2
R A I L , M O V I N G S E C
9 8 0 3 7 7 . R 0 1
3 8
1 04 0
2
2 7
2 5
2 6
1 93 4
3 4
9
3 2
4 11 1
683 61 3
1 8
1
3 31 6
1
1
3 4
2
3 6
1
1 7
8 6
4 1
4 0
7
1 5
3 1
3 55
2 2
3 4 2 0
3 4 1 9 9
3 7
2 3
3 8
1 0
3 9
3 3
3 9
2 3
1 1
3 4
7
2 9
3 7
2 0
3 2
3
3 0
3 5
1 4
4
2 1
2 8
1 4
4
1 2
1 2
3
2 4
5 3 1