文档中心
/
Shuttle Extension_20211118_074153
Shuttle Extension_20211118_074153 - 第9页
Shuttle Extension Page 9 / 15 18.11.2021
目录
100%
显示:宽度
宽度
1 / 15
回到旧版
旧版
?
Shuttle Extension
Page 8 / 15
18.11.2021
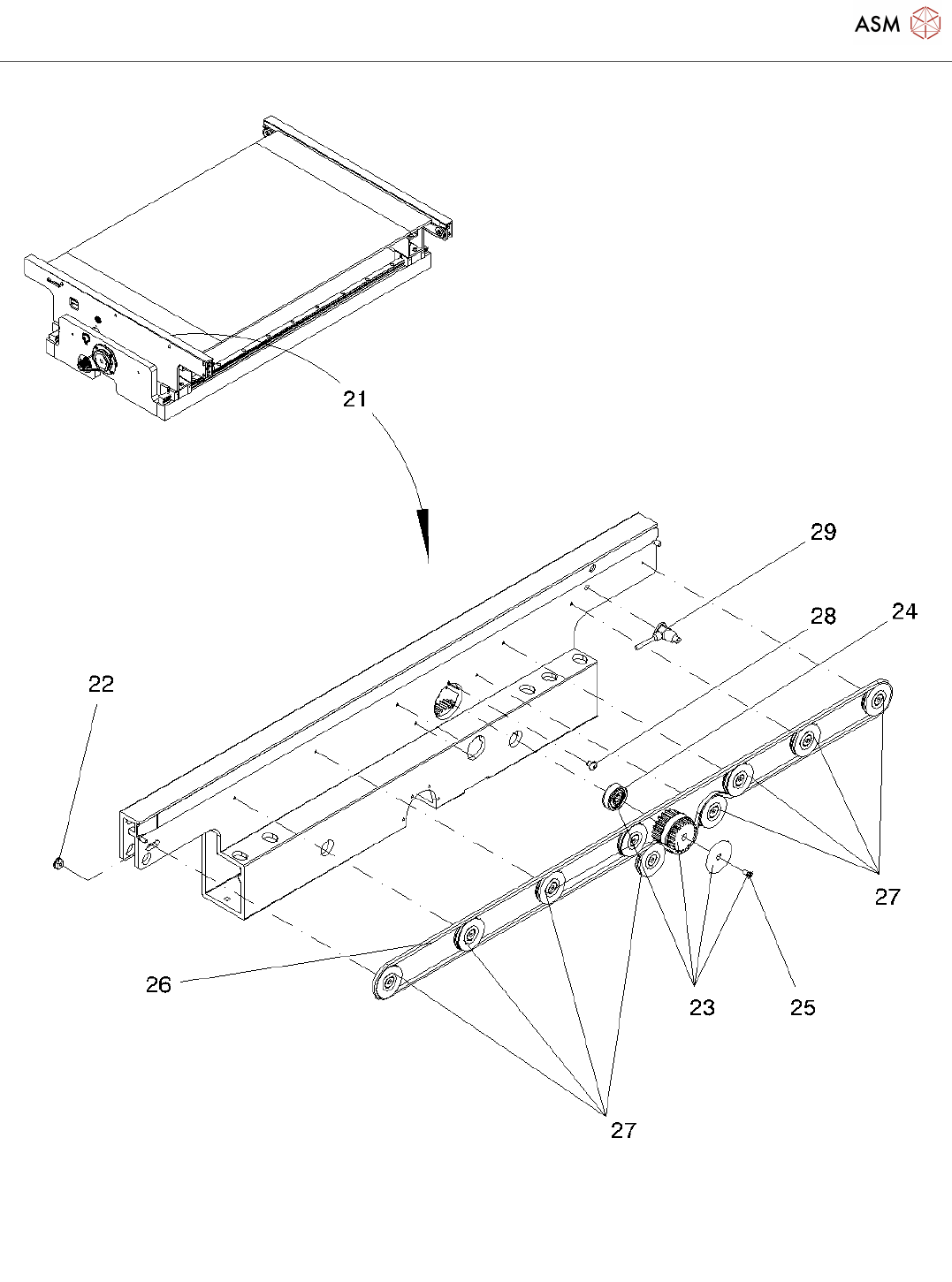
Shuttle Extension
Page 9 / 15
18.11.2021
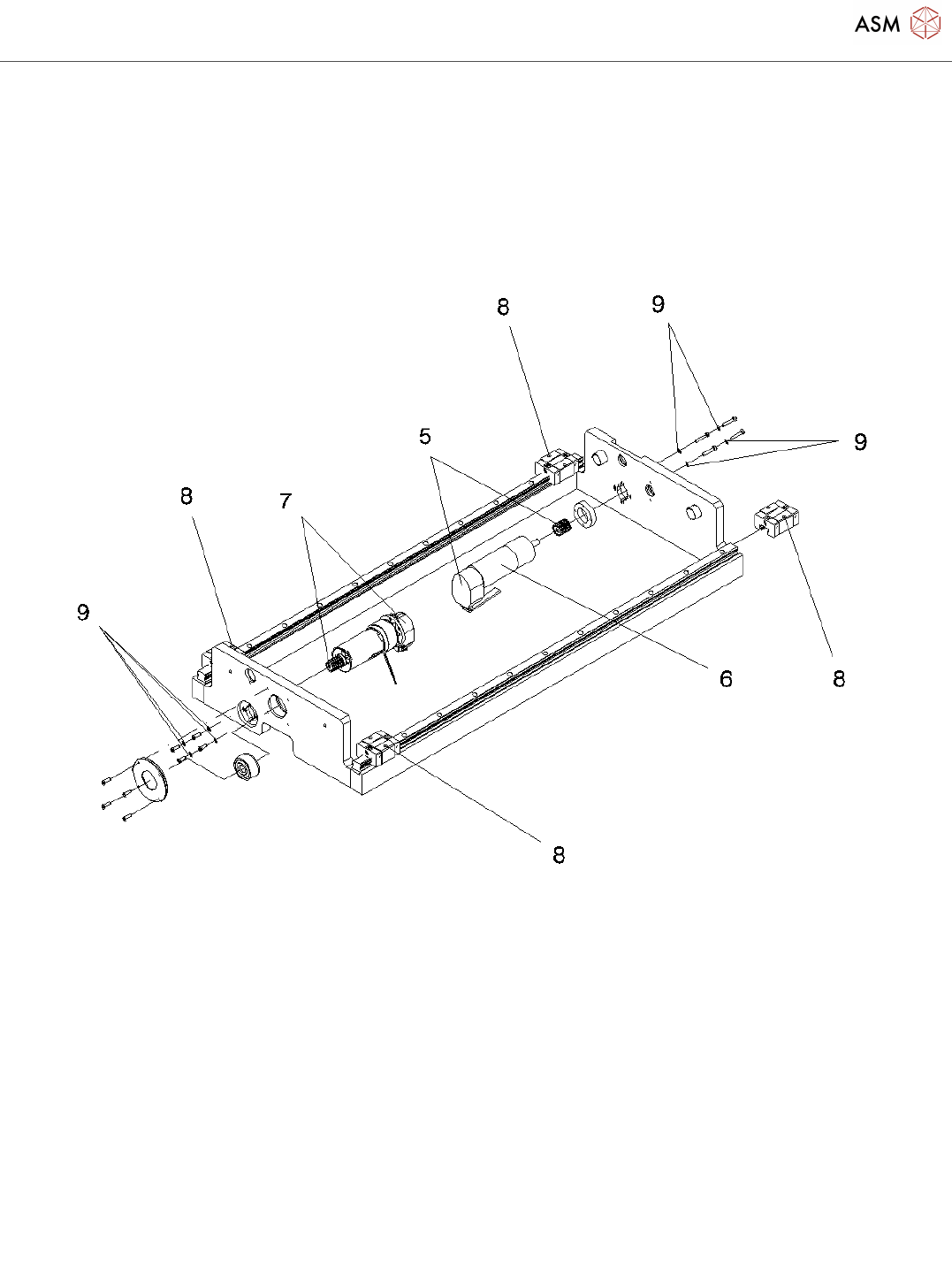
Shuttle Extension
Page 10 / 15
18.11.2021
该页面需要启用 JavaScript 才能进行交互式预览。