FX-3R_(操作手册.管理员)OperationManual2_Rev00_C - 第449页
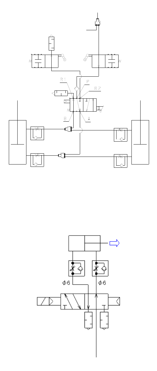
操作手册Ⅱ 5-14 (3)管道系统图(统一更换台,4处通用) (4)管道系統图(切带刀、4处通用) 通向歧管 通向后侧 前侧 通向联管节 Y 切断方向

操作手册Ⅱ
5-13
(2)管道系统图(贴片头)
)
)
压力传感器
过滤器
吸嘴
贴片头管道系统图(1)
气缸
贴片头管道系统图(2)

操作手册Ⅱ
5-14
(3)管道系统图(统一更换台,4处通用)
(4)管道系統图(切带刀、4处通用)
通向歧管
通向后侧
前侧
通向联管节
Y
切断方向

操作手册Ⅱ
5-15
1) 请目检确认贴片头单元正面部过滤器箱内的空气过滤器没
有脏污。
✎检查过滤器脏污的方法✎
在主画面上选择“维护”→“机器自动校准”,
再执行“设置组”→“真空校准”。
(参见“4-7-2-4 真空校准”)
执行结果若有问题,会显示提示,敦促更换。
2) 有脏污时,请更换新过滤器。
1)
把过滤器箱的「固定螺丝②」(前后 4
「
处)拧松,取下 过滤器箱 U
」
①。
2)
「」
检查 过滤器③ 有无脏污。
3)
「
若有脏污,请把 过滤器箱 L
」
④ 中的「过滤器③」更换下来。
4)
「」
把 过滤器③ 插入「过滤器箱 L④」,要插到底,用「固定螺丝②」固定好。
此时,请确认「O 环 F2⑤」是否正好套进「过滤器箱 L④」的沟里。
检查项目
5-2-6 空气过滤器(LNC60 贴片头)
实施频度 :每月
检查内容 检查空气过滤器脏污
更换 更换新的空气过滤器 使用工具 :螺丝刀 更换标准: 6 个月
过滤器③ 货号:E3052729000
①
①
②
③
④
⑤