80S15贴片机电路图 - 第126页
3 - 9 1710470- Y0921- 000-0 5-L-05-4 Conversio n instru ctions fo r Sipla ce from 23 0/400V to 1 10/2 08V (S h. 5 of 6) 1710470- Y0921- 000-0 5-L-05-4 Conversio n instru ctions fo r Sipla ce from 23 0/400V to 1 10/2 08V …

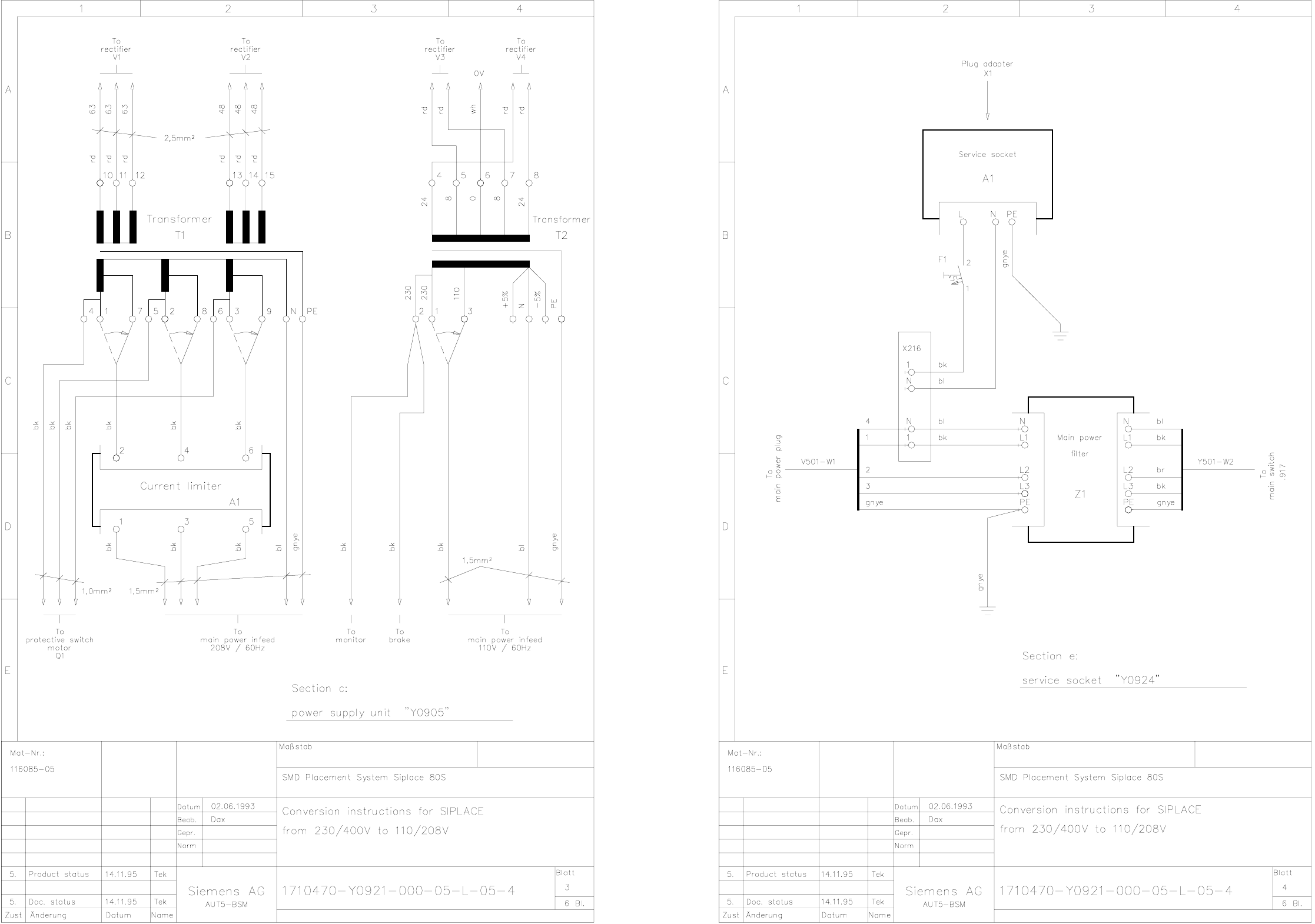
3 - 8
1710470-Y0921-000-05-L-05-4Conversion instructions for Siplace from 230/400V to 110/208V (Sh. 3 of 6)
1710470-Y0921-000-05-L-05-4Conversion instructions for Siplace from 230/400V to 110/208V (Sh. 4 of 6)

3 - 9
1710470-Y0921-000-05-L-05-4Conversion instructions for Siplace from 230/400V to 110/208V (Sh. 5 of 6)
1710470-Y0921-000-05-L-05-4Conversion instructions for Siplace from 230/400V to 110/208V (Sh. 6 of 6)

3 - 10
1710470-Y0964-000-02-F-02-4Interface simulation, SIPLACE previous station (Sh. 1 of 2)
1710470-Y0964-000-02-F-02-4Interface simulation, SIPLACE previous station (Sh. 2 of 2)