80S15贴片机电路图 - 第127页
3 - 10 1710470- Y0964- 000-0 2-F-02-4 Interface simula tion, SIP LACE prev ious stati on (S h. 1 of 2) 1710470- Y0964- 000-0 2-F-02-4 Interface simula tion, SIP LACE prev ious stati on (S h. 2 of 2)

3 - 9
1710470-Y0921-000-05-L-05-4Conversion instructions for Siplace from 230/400V to 110/208V (Sh. 5 of 6)
1710470-Y0921-000-05-L-05-4Conversion instructions for Siplace from 230/400V to 110/208V (Sh. 6 of 6)

3 - 10
1710470-Y0964-000-02-F-02-4Interface simulation, SIPLACE previous station (Sh. 1 of 2)
1710470-Y0964-000-02-F-02-4Interface simulation, SIPLACE previous station (Sh. 2 of 2)

3 - 11
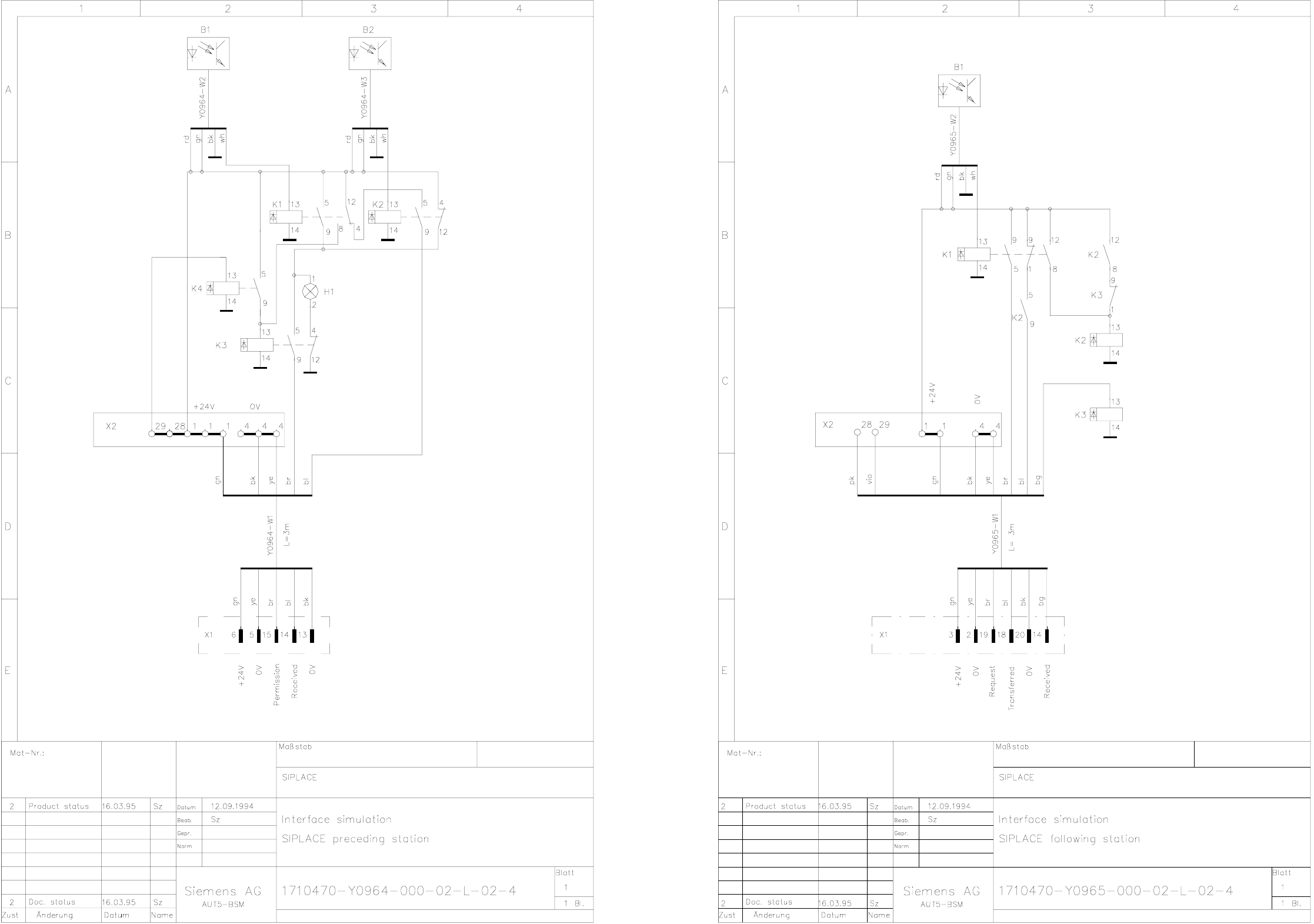
1710470-Y0964-000-02-L-02-4Interface simulation, SIPLACE previous station
1710470-Y0965-000-02-L-02-4Interface simulation, SIPLACE following station