文档中心
/
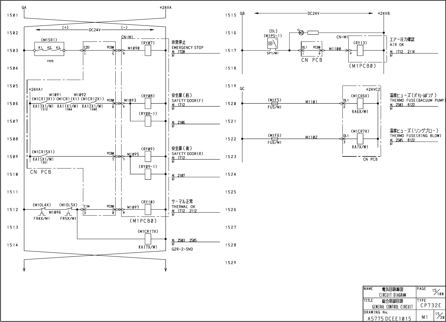
CP732E电路图.pdf
CP732E电路图.pdf - 第20页
在线预览 CP732E电路图.pdf PDF 文档。
目录
100%
显示:宽度
宽度
1 / 221
回到旧版
旧版
?
该页面需要启用 JavaScript 才能进行交互式预览。