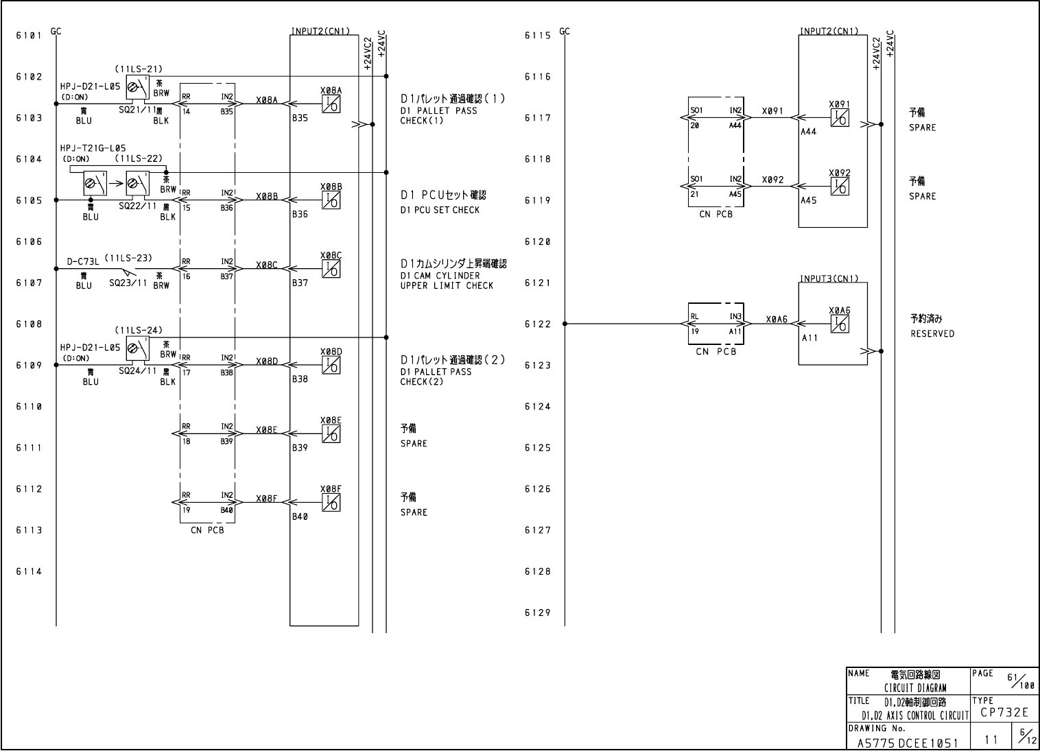
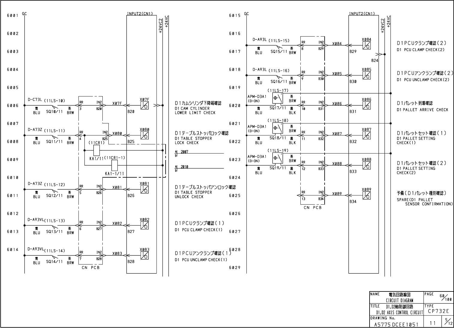
CP732E电路图.pdf - 第64页

在线预览 CP732E电路图.pdf PDF 文档。

100%1 / 221