CP-643E-08 - 第14页
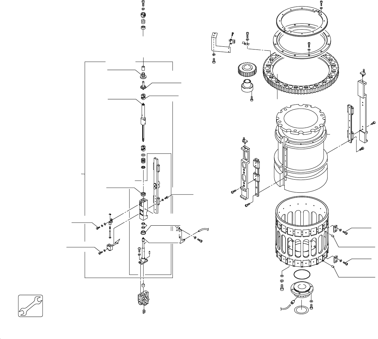
2.プレーシングヘッド,ドラム(CSPH) 2.Placing head,Drum(CSPH) 番号 図番 & コード番号 個数 品名 規格 備考 材質 No. Drg.No. & Code No. QTY Description Rating Remarks Materials 1 WPH0010 1 CAM, CYLINDRICAL カム 円筒 FE 2 WPH0063 1 SLIDER スライダ FE …

Note.1
注.1
A
B
A
B
CP-643E PARTS LIST
2 - 2
2.プレーシングヘッド,ドラム(WPH)
2.Placing head,Drum(WPH)
2.プレーシングヘッド,ドラム(WPH)
2.Placing head,Drum(WPH)
LOCTITE262
LOCTITE262
ThreeBond1373B
ThreeBond1390E
ThreeBond1373B
ThreeBond1390E
1.96N.m
3.9N.m
LOCTITE7471
LOCTITE601
1.96N・m
3.92N・m
LOCTITE7649
LOCTITE262
4.41N・m
LOCTITE7649
4.41N・m
LOCTITE7649
LOCTITE262
LOCTITE7649
LOCTITE601
1.96N・m
LOCTITE7649
LOCTITE601
1.47N・m
LOCTITE7649
LOCTITE262
LOCTITE222
1.47N・m
ThreeBond1373B
ThreeBond1390F
ThreeBond1373B
ThreeBond1390F

2.プレーシングヘッド,ドラム(CSPH)
2.Placing head,Drum(CSPH)
番号 図番 & コード番号 個数 品名 規格 備考
材質
No. Drg.No. & Code No. QTY Description Rating Remarks
Materials
1 WPH0010 1 CAM, CYLINDRICAL カム 円筒 FE
2 WPH0063 1 SLIDER スライダ FE
3 WPH0053 1 SLIDER スライダ FE
4 WPH0091 1 GEAR, HELICAL ギヤ ヘリカル FE
5 WPH5030 2 GUIDE, RAIL ガイド レール OT
6 WPH1320 2 JOINT ジョイント FE
7 WPH5076 20 GUIDE, RAIL ガイド レール 注1. Note.1 OT
8 H4118H 20 BEARING ベアリング SST-1680 FE
9 WPH0412 20 SPRING スプリング FE
10 WPH0385 20 CLUTCH クラッチ FE
11 H4452C 20 BEARING, MINIATURE ベアリング ミニチュア BK81015A FE
12 WPH0924 20 SLEEVE スリーブ FE
13 WPH1284 20 SHAFT シャフト FE
14 K1005Z 40 COUPLING カップリング CPU-26-A-T1 OT
18 H4113A 40 BEARING ベアリング LF-1910ZZ FE
19 WPH2097 20 HOLDER ホルダ 注1. Note.1 AL
20 H1164H 40 PACKING パッキン MY-10A OT
21 WPH0870 20 BKT BKT FE
22 WPH2130 20 SPRING スプリング FE
23 WPH2120 20 PIN ピン FE
24 S1021A 20 CIR-CLIP サークリップ ST-EW-3 FE
25 WPH1182 20 VALVE, MECHANICAL バルブ メカニカル OT
27 WPH2102 20 SHAFT シャフト 注1. Note.1 FE
28 AWPH3115 20 HOLDER ホルダ OT
39 WPH0335 20 CLAMPER クランパ FE
40 WPH0081 1 RETAINER, BARING 押え ベアリング FE
41 WPH5012 1 BEARING, ROLLER ベアリング ローラ OT
42 WPH1012 1 DRUM ドラム AL
43 WPH0212 1 MANIFOLD マニホールド AL
44 S2147A 20 JOINT ジョイント BF6 OT
45 WPH1060 20 PIN ピン OT
46 WPH1050 20 PIN ピン OT
47 WPH0112 1 DOG ドッグ FE
49 WPH0101 1 GEAR, HELICAL ギヤ ヘリカル FE
50 R2060K 1 RING, LOCKING リング 締結 RL025X034TF OT
51 WPH1350 20 HOSE, AIR ホース エアー OT
55 W1023A WASHER, LOCK ワッシャ スプリング 5M/M FE
56 W1022A WASHER, LOCK ワッシャ スプリング 4M/M FE
57 W1021A WASHER, LOCK ワッシャ スプリング 3M/M FE
58 W1040A WASHER, FLAT ワッシャ 平 3M/MX0.5X7 FE
59 W1012A WASHER, CONICAL ワッシャ 皿 M-5-L FE
60 W1011A WASHER, CONICAL ワッシャ 皿 M-4-L FE
61 W1010A WASHER, CONICAL ワッシャ 皿 M-3-L FE
CP-643E PARTS LIST
2 - 3
2.プレーシングヘッド,ドラム(CSPH)
2.Placing head,Drum(CSPH)

2.プレーシングヘッド,ドラム(CSPH)
2.Placing head,Drum(CSPH)
番号 図番 & コード番号 個数 品名 規格 備考
材質
No. Drg.No. & Code No. QTY Description Rating Remarks
Materials
62 H5322A BOLT, HEX SOCKET ボルト 六角穴 M6X15L FE
63 K5261H SCREW, HEX SOCKET BUTTON 小ネジ六角穴ボタン M5X12L FE
64 H5289A BOLT, HEX SOCKET ボルト 六角穴 M4X12L FE
65 H5288A BOLT, HEX SOCKET ボルト 六角穴 M4X10L FE
66 H5300A BOLT, HEX SOCKET ボルト 六角穴 M5X15L FE
67 H5286A BOLT, HEX SOCKET ボルト 六角穴 M4X6L FE
68 H5275A BOLT, HEX SOCKET ボルト 六角穴 M3X8L FE
70 H5165A BOLT, HEX ボルト 六角 M3X10L FE
71 K5261H SCREW, HEX SOCKET BUTTON 小ネジ六角穴ボタン M5X12L FE
72 W1026A WASHER, LOCK ワッシャ スプリング 10M/M FE
73 H5361A BOLT, HEX SOCKET ボルト 六角穴 M10X30L FE
74 A5139Z 1 O RING O リング S63 OT
75 R5012A 20 ROLLER, NEEDLE ローラ ニードル ゚3X9.8 OT
77 WPH2175 20 MANIFOLD マニホールド PL
79 WPH0780 20 WASHER ワッシャ FE
80 W1019T 60 WASHER, LOCK ワッシャ スプリング BBY0062611AO OT
81 WPH0790 20 WASHER ワッシャ FE
83 WPQ0651 1 BKT, SENSOR BKT センサ FE
84 S4040X 1 SENSOR, PHOTO センサ フォト EE-SPX306-W2A OT
85 . SCREW, C/R PAN ネジ 十穴鍋 M3X8L FE
86 WPH1025 20 CLAMPER クランパ FE
90 A5129A 60 O RING O リング S4 OT
92 WPH2030 20 FILTER フィルタ OT
93 H5274A BOLT, HEX SOCKET ボルト 六角穴 M3X6L FE
94 H5278T BOLT, HEX SOCKET ボルト 六角穴 M3X18L FE
96 AWPH3088 20 SHAFT シャフト OT
97 AWPH3120 20 SHAFT, SPLINE シャフト スプライン OT
98 WPH1163 120 SPRING スプリング FE
99 W1055A WASHER, FLAT ワッシャ 平 10M/MX2.0X21 FE
100 WWM0250 1 SEAL シール PL .
注1.(19)ホルダ、(27)シャフト、(7)ガイドレールを含めたASSYでの供給となります。
2-1ページのイラストを参照して下さい。
Note.1 : The holder (No.19) the shaft (No.27) and the guide rail (No.7) are supplied as a set.
Refer to the figure on page 2-1.
CP-643E PARTS LIST
2 - 4
2.プレーシングヘッド,ドラム(CSPH)
2.Placing head,Drum(CSPH)