CP-643E-08 - 第152页
26.2.カムボックス 3(CSPA) 26.2.Cam box 3(CSPA) 番号 図番 & コード番号 個数 品名 規格 備考 材質 No. Drg.No. & Code No. QTY Description Rating Remarks Materials 90 S3073A 4 SLEEVE スリーブ KN006-000CE OT 91 S2171B 1 JOINT, ONE-TOUCH ジョイント …

26.2.カムボックス 3(CSPA)
26.2.Cam box 3(CSPA)
番号 図番 & コード番号 個数 品名 規格 備考
材質
No. Drg.No. & Code No. QTY Description Rating Remarks
Materials
1 WPA0911 1 DISTRIBUTOR 分配器 FE
2 WPA0930 2 HOLDER 受け FE
3 WPA1451 1 ELBOW エルボ FE
4 WPA1460 1 PIPE, DOUBLE ENDED パイプ 両口 FE
5 WPA1470 1 PIPE, DOUBLE ENDED パイプ 両口 FE
6 WPA1481 1 PIPE パイプ FE
7 WPA1491 1 PIPE パイプ FE
8 WPA1581 1 DISTRIBUTOR 分配器 FE
9 H3057T 1 BUSHING ブッシュ SBU06-02J OT
10 N2003A 4 NIPPLE ニップル KLN06-011CE OT
11 H1150N 4 BAND, HOSE バンド ホース HS16 OT
12 H5004T 1 HOSE ホース M゚25X゚30 OT
13 H5038T 1 HOSE, HYDRAULIC ホース 油圧 716-M200 OT
14 H5041A 1 HOSE, HYDRAULIC ホース 油圧 716-M700 OT
15 H5044R 1 HOSE, HYDRAULIC ホース 油圧 718-720MK OT
16 S4033T 1 SENSOR, PRESSURE センサ 圧力 AP-13 OT
17 A1038T 1 AMPLIFIER アンプ AP-70 OT
18 A4024A 1 ELBOW エルボ SLA06-000J OT
19 A4084A 2 ELBOW, MALE AND FEMALE エルボ オスメス SLC06-000J OT
20 A4085N 1 ELBOW エルボ 3/4. OT
21 A3035A 1 PLUG 埋栓 PS3/4 OT
22 A3032A 2 PLUG 埋栓 PT1/2 OT
23 H3060A 1 BUSHING ブッシュ SBU08-060J OT
24 S2164T 2 JOINT, MALE AND FEMALE ジョイント オスメス 408054KN OT
26 A50034 1 OIL, COOLANT オイル クーラント SCFB-01-CE-2 OT
27 WPA0942 4 NIPPLE ニップル OT
49 H5275A BOLT, HEX SOCKET ボルト 六角穴 M3X8L FE
53 H5298A BOLT, HEX SOCKET ボルト 六角穴 M5X10L FE
59 H5322A BOLT, HEX SOCKET ボルト 六角穴 M6X15L FE
62 W1023A WASHER, LOCK ワッシャ スプリング 5M/M FE
63 W1024A WASHER, LOCK ワッシャ スプリング 6M/M FE
69 WAC0151 4 BOLT ボルト FE
70 WAC0210 4 SHEET, RUBBER シート ゴム PL
71 WAC0200 4 BUSHING ブッシュ PL
72 WAC0120 1 PLATE プレート FE
73 WAC0190 2 COLLAR カラー FE
82 WPA1810 1 HOSE ホース OT
83 A4044A 1 ELBOW エルボ PL6-01M OT
84 T4022B 1 TEE ティー TT6-01 OT
86 WAC0111 3 BKT BKT OT
89 N1109A 4 NUT, DOMED CAP ナット 六角袋 KKN06-000CE FE
CP-643E PARTS LIST
26 - 7
26.2.カムボックス 3(CSPA)
26.2.Cam box 3(CSPA)

26.2.カムボックス 3(CSPA)
26.2.Cam box 3(CSPA)
番号 図番 & コード番号 個数 品名 規格 備考
材質
No. Drg.No. & Code No. QTY Description Rating Remarks
Materials
90 S3073A 4 SLEEVE スリーブ KN006-000CE OT
91 S2171B 1 JOINT, ONE-TOUCH ジョイント ワンタッチ TL6-01 ・ OT
CP-643E PARTS LIST
26 - 8
26.2.カムボックス 3(CSPA)
26.2.Cam box 3(CSPA)

Ref.33-7
Ref.31-1
Ref.31-1
Ref.31-1
Ref.31-1
QMQ6-5M812
INキャリア前後
キャリア受取時
(φ16x635)
3233
34
1616
10
11 11 11 11
29
30 30 30
44 44 47
24 24 24 24
25
26 27
36
36
31
36
36
36
36
36
36
24 24
24 24
47
47
47
45
22 22
21 21
23
23
38 39
3938
43
41
40
30
29
2828
11 11 11 11
10
12
1313
5
9
9
6
7
1
4818 2
3
4
7
8
φ6
φ6
φ6
φ6
φ6
φ6
φ6 φ6
φ6φ6
φ6
φ6 φ6
φ6
φ6
φ6
φ6 φ6
φ6
φ6 φ6 φ6
φ6
φ6
φ6
φ6 φ6 φ6
φ6
φ6
φ6
φ6
φ6
φ6
φ6
基準側 従属側
While career close
Operator side
Back side
IN キャリア開閉
IN career open/close
キャリア閉時
(φ16x15)
基準側
従属側
While career close
While career receive
While career delivery
Operator side
Back side
Out キャリア開閉
Out career open/close
Out career fwd/bwd
IN career fwd/bwd
キャリア閉時
(φ16x15)
IN中間ストッパ
IN middle stopper
Outキャリア前後
キャリア受渡し時
(φ16x615)
φ8
PT3/8
φ8
KQP-06
Vacuum backup
(Option)
プラグ
(オプション)
バキュームバックアップ仕様
φ8 φ8
3/8
3/83/8
2
5kgf/cm
φ8
φ6
φ4
φ4
φ6φ6 φ6 φ6
φ6
φ6
φ6 φ6 φ6 φ6
φ8
φ8
φ6
φ6
φ6
φ6
φ6
φ6
φ6
φ6
リアフェンス(WAF)
バキュームバックアップ(オプション)
Vacuum back up
XYテーブル
XY table
(Option)
シャッタ−右
シャッタ−左
(φ20X250)
(φ20X250)
(Rear fence)
Right shutter
INリフター上下
(φ32X15)
IN lifter up/down
Left shutter
防音BOX (WPV)
(Noise reduction box)
メカニカルバルブ
Mechanical valbes
20ヘッド
20 heads
バキューム系
Vacuum
φ6φ6φ6
φ6
φ6
φ6
φ6
φ6
φ6
φ6
Out中間ストッパ
Out middle stopper
φ8
φ8
φ6
φ6
φ6
φ6
φ6 φ6
φ6
φ6
φ6 φ6 φ6
φ4 φ4 φ4 φ4
φ6
B1
2
4.0kgf/cm
θ軸(WPQ)
基板クランプ
(Boad clamp)
基板ローダ(CSQL)
(Boad loading)
基板搬送(CSQC)
(Boad conveyor)
Tape feeding lever
(1st machanizm)
Pθ旋回
Pθrotation
(φ25X40)
90゜旋回時
While rotating 90゜
Pθ旋回
Pθrotation
(φ25X40)
90゜旋回時
While rotating 90゜
16st(WPU)
16st真空破壊
(16st vacuum cut)
16st vacuum cut off
11st(WPS)
11st真空破壊
(11st vacuum cut)
リフター下降時
While lifter down
INストッパ上下
(φ20X30)
IN stopper up/down
ストッパ下降時
While stopper down
Outリフター上下
(φ32X15)
Out lifter up/down
リフター下降時
While lifter down
従属側レールクランプ
クランプ時
Back side rail clamp
While clamp
11st vacuum cut off
(Pθrotation)
カートリッジ送り
送りレバー後退時
1st駆動部(WPL)
Feeding lever retracted
Conduct terminal
配管ターミナル
Conduct terminal
While clamp open
基準側基板クランプ(左)
クランプ開時
(φ20X25)
Operator side board clamp(left)
While clamp open
基準側基板クランプ(右)
クランプ開時
(φ34X19)
Operator side board clamp(Right)
While clamp open
従属側基板クランプ
クランプ開時
(φ34X19)
Back side board clamp
配管ターミナル
Conduct terminal
配管ターミナル
(Air supply)
エアー源
x3
B1
C37
C38
C40
C39
B1
B1
B1
B1
B1
B1
B1
B1
B1
B1
Q1
配管No.を で囲んだものは配管の両端にマーカー
をそれぞれ1個組み付け
配管No.を で囲んだものは配管にマーカーを
1個組み付け
V1
B1
P1
P2
Q2 Q3 Q4 Q5
Q1
Q1
B1
B1
B1
B1
B1
F1
F2
F3
F4
B1
B1
B1
B1
B1
B1
Z2
B1
L1
L2
L3
L4
C1
C2
C3
C4
C5
C6
C7
C8
C9C10
C11
C12
C13
C14
C15
C16
C17
C18
C19
C20
C21
C22
C23
C24
C25C26
C27
C28
C29
C30
C31
C32
C33
C34
C35
C36
C41
C42
C43
C44
A1
A1
A1
15
19
37
37
20
35
20
φ6 φ6
φ6
φ6
φ6
φ6
φ6
φ6
φ6
S2
S2
S2
S1
S2
S2
S2
φ6
φ6
S1
φ6
S1
φ6
S2
S2
S2
S2
C45
C46
C47
C48
C50
C49
Numbers enclosed by are attached with a
marker.
Numbers enclosed by are attached with a
marker at both ends.
1st送り上下
レバー上昇時
(φ25X12)
14
46
46
46
46
46
46
46
46
46
46
46
46
46
46
14 14 14 14 14 14
1st feed lever up/down
While lever ascends
1stノズル上下
レバー上昇時
(φ25X12)
1st nozzle up/down
While lever ascends
11stノズル上下
レバー上昇時
(φ25X12)
11st nozzle up/down
While lever ascends
18stノズル切替前後
レバー上昇時
(φ25X12)
18st nozzle change fed/bwd
While lever ascends
3stPθ上下
レバー上昇時
(φ25X12)
3st Pθ up/down
While lever ascends
13stP Rθ上下
レバー上昇時
(φ25X12)
13st P Rθ up/down
While lever ascends
10stFθ上下
レバー上昇時
(φ25X12)
10st Fθ up/down
While lever ascends
R1
A B
R2 R1
A B
R2 R1
A B
R2 R1
A B
R2 R1
A B
R2 R1
A B
R2 R1
A B
R2
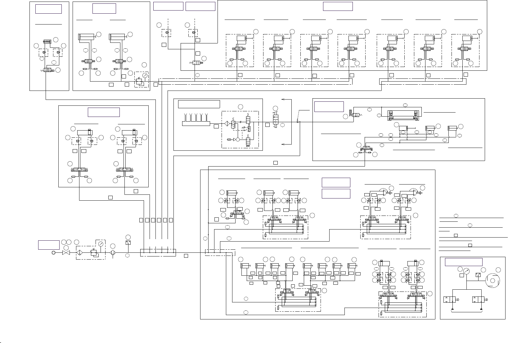
カムBOX(WPA)
(Cam box)
27 - 1
27.1.エアー配管図(マーク基準)(CSPI)
27.1.Pneumatic circuit diagram(For machines using mark referencing)(CSPI)
27.1.エアー配管図(マーク基準)(CSPI)
27.1.Pneumatic circuit diagram(For machines using mark referencing)(CSPI)
CP-643E PARTS LIST