SM431 Technical Reference - 第110页
Page SAMSUNG TECHWIN 100 SM4 3 1 Safty Interlock EE 8 1 4 3 -A2 +A1 -A2 +A1 8 1 8 1 24G +24V -K1 -K1 -MC1 -MC2 -MC1 -READY S/W -K1 -K3 (FRONT) (REAR) -MC2 -K3 -K2 4 3 6 5 MCEN1 6 5 MCA1 K1 MC2 MC1 CN19-1 CN19-2 CN18-2 CN…

Page
SAMSUNG TECHWIN
99
SM4
3
1
Safety Control Interface (3/3)
SAFETY CONTROL
BOARD
-A2
44
BOARD
CN9
22
33
24G
MCA1
11
MC2
MC1
SAFETY CONTROL
22
+A1
21
4
CN12
3
2
1
CN5
SAFEGUARD OVERRIDE KEY
3
2
4
1
24G
FSO
B2
A2
4
3
FD1
TF1
B1
A1
2
1
FRSO
22
21
1B
14
13
1A
MAGNETIC CONTACTOR #1
1
MOLEX 2PIN
22
1
CN15
TF EM1
TF EM1
TO CABLE (SM41_VM001)
TFEM1
CN14
MOLEX 2PIN
2
1
1
22
1
2
1
1
2
1
22
1
1
2
MOLEX 2PIN
CN15
TFEM2
TF EM2
TF EM2
TO CABLE (SM41_VM002)
1
MOLEX 2PIN
22
1
CN14
3
2
4
1
F24G
F24G
3
4
4
3
F24V
F24V
1
2
2
1
B2
A2
B1
A1
SM431_SC008(J90833072A)
SM431_SC007(J90833071A)
SM431_SC006(J90833070A)
44
CN10
22
33
11
USE FOR MAGNETIC CONTACTOR #2
USE FOR TRAY FEEDER EM I/F #1
USE FOR TRAY FEEDER EM I/F #2
1
MOLEX 2PIN
22
1
CN17
1
MOLEX 2PIN
22
1
CN16
USE FOR SPARE EMERGENCY SW #1
USE FOR SPARE EMERGENCY SW #2
SM431_FD005(J90833107A)
4
CN13
3
2
1
3
2
4
1
F24G
F24G
3
4
4
3
F24V
F24V
1
2
2
1
SM431_FD006(J90833108A)
FRONT FEEDER BASE B/D
(FRONT DOCKING CART)
REAR FEEDER BASE B/D
(REAR DOCKING CART)
B2
CN26
A2
B1
A1
2
2
(SCANNER POWER)
24G
+24V
1
1
B2
A2
B1
A1
TYCO 4PIN
SM431_IT003(J90833120A)
B2
CN27
A2
B1
A1
B2
A2
B1
A1
TYCO 4PIN
B2
CN28
A2
B1
A1
B2
A2
B1
A1
TYCO 4PIN
B2
CN29
A2
B1
A1
B2
A2
B1
A1
TYCO 4PIN
IT OPTION
SPARE POWER 1
SPARE POWER 2
SPARE POWER 3
TYCO 4PIN
MOLEX 4PIN
MOLEX 4PIN
MOLEX 4PIN
MOLEX 4PIN

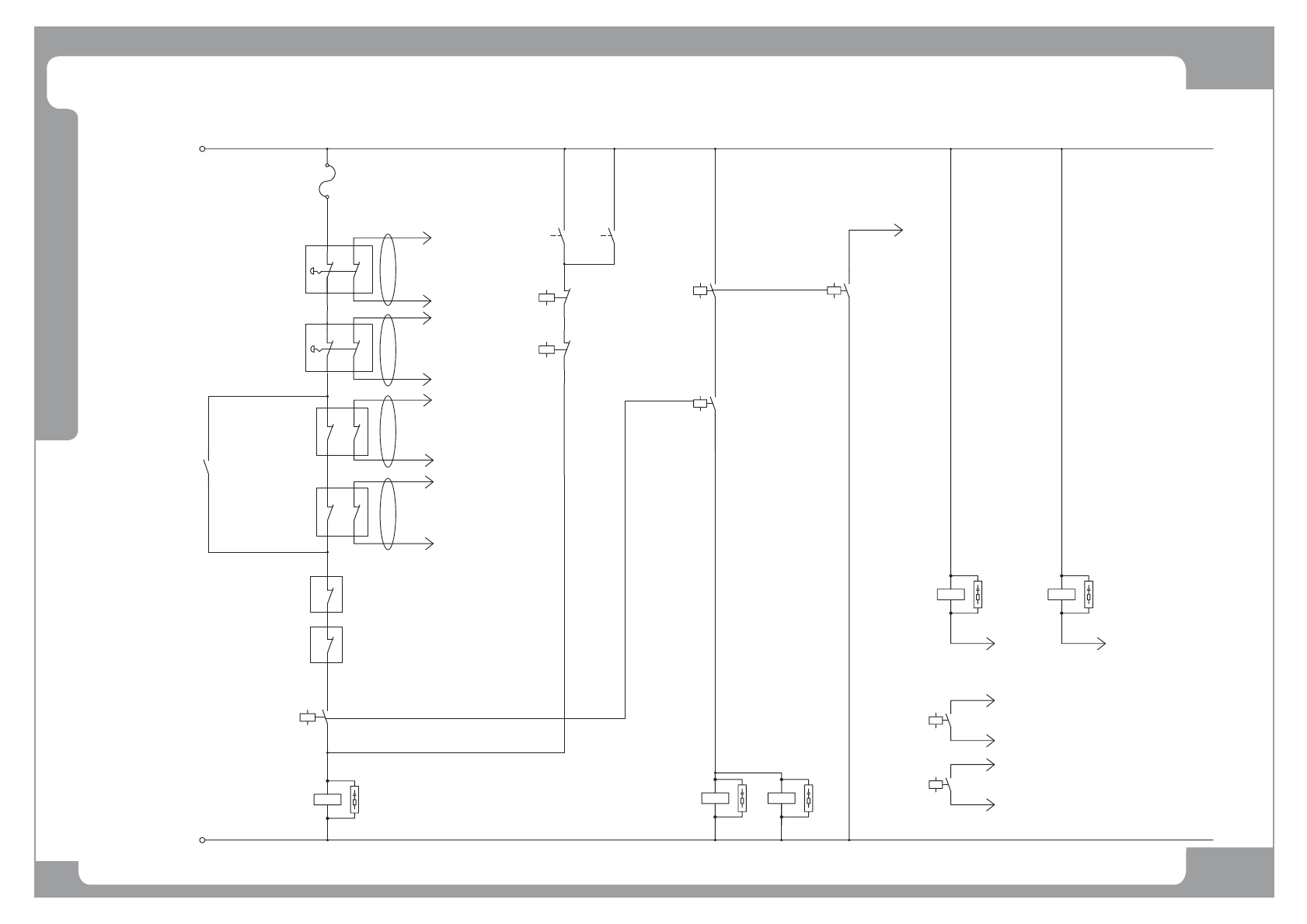
Page
SAMSUNG TECHWIN
100
SM4
3
1
Safty Interlock
EE
8
1
4
3
-A2
+A1
-A2
+A1
8
1
8
1
24G
+24V
-K1
-K1
-MC1
-MC2
-MC1
-READY S/W
-K1
-K3
(FRONT)
(REAR)
-MC2
-K3
-K2
4
3
6
5
MCEN1
6
5
MCA1
K1
MC2
MC1
CN19-1
CN19-2
CN18-2
CN18-1
CN3-3
CN3-4
CN4-3
CN4-4
-K3
3
4
-K2
5
6
-K2
22
12
-EM S/W1
21
11
(CONV.CN17-3)
EM1
-EM S/W2
22
12
21
11
EM2
(CONV.CN18-3)
(FRONT)
(REAR)
21
22
11
12
21
11
22
12
-DOOR S/W1
(FRONT)
-DOOR S/W2
(REAR)
DOOR1
(CONV.CN17-4)
DOOR2
24G
(CONV.CN17-5)
(CONV.CN18-4)
24G
(CONV.CN18-5)
24G
(CONV.CN17-6)
24G
(CONV.CN18-6)
READY OUT
REM1
FD1
RD1
TF3
K1
TF2
-EM SPARE1
-EM SPARE2
TF1
-SAFEGUARD
OVERRIDE KEY
K1
DIP SW-1
DIP SW-4
DIP SW-3
DIP SW-2
READY OUT
PW-ON
NO1-1
NO1-2
NO2-1
NO2-2
TRAY FEEDER INTERLOCK1
TRAY FEEDER INTERLOCK2

Page
SAMSUNG TECHWIN
101
SM4
3
1
Electric Circuit Diagram (1/7)
246
135
1
456
23
2
1
264
135
4
3
24
13
6
5
2
1
4
3
240
2.5 mm
2.5 mm
-MAIN S/W
(600VAC,20A)
L32
L33
L31
-NF1
(3Ø, 20A)
L22
L21
L23
2P-C16
-CP1
2.5 mm
-MCCB1
(3Ø, 20A)
L13
L12
L11
-
MAIN
CON
.
-EARTH PLATE
FRAME GROUND
-TRANS
220V
208200 220
L31
to TB1-1A,TB1-9A
1L1
1L2
22S
22R 22T
3P-C16
-CP3
TF2L1
TF2L2
TF2L3
220V 220V
0V 220V
200220415380 200 208 380240 415
L32
415208 220 380240
L33
2.5 mm
FX,RX,F
Y
to MC2
6.SECONDARY #1 : 1Ø 220(2.5KVA)
SECONDARY #2 : 3Ø 220(2.5KVA)
2.FREQUENCY : 50/60Hz
1.CAPACITY
:
5KVA
3.PHASE : 3Ø
4. CONNECTION: Y-Y
5.PRIMARY : 3Ø 200/208/220/240/380/415
V
(23860)
(23880)
DC POWER #3,#4(24VDC)
(FZ,RZ AXIS)
CONTROL RACK(PC+VME)
MONITOR1,2
DC POWER #1,#2(24VDC)
AC FAN
TF1L1
TF1L2
2.
5
2L1
2L2
2.5 mm
2.5 mm
2P-C16
-CP2
(23860)
2.5 mm
2
2
PE01
2
PE02
2
2
2
2
SM431_PW002:J90833002A
SM431_PW007:J90833007A
SM431_PW008:J9083008A
SM431_PW009:J9083009A
SM431_PW010:J9083010A
S
SM431_PW013:J9083013A
SM431_PW015:J9083015A
S