SM431 Technical Reference - 第112页
Page SAMSUNG TECHWIN 102 SM4 3 1 Electric Circuit Diagram (2/7) 9A 9B 1A 1B 10A 2A 3A A B 11A 14B 6A 4A A B 12B A B 13B 5A B A 7A 15B 1 34 2 A B 16B 8A 2B 10B 3B 11B TO REAR MONITOR CONTROL BOX(PC+VME ASSY) TO FRONT MONI…

Page
SAMSUNG TECHWIN
101
SM4
3
1
Electric Circuit Diagram (1/7)
246
135
1
456
23
2
1
264
135
4
3
24
13
6
5
2
1
4
3
240
2.5 mm
2.5 mm
-MAIN S/W
(600VAC,20A)
L32
L33
L31
-NF1
(3Ø, 20A)
L22
L21
L23
2P-C16
-CP1
2.5 mm
-MCCB1
(3Ø, 20A)
L13
L12
L11
-
MAIN
CON
.
-EARTH PLATE
FRAME GROUND
-TRANS
220V
208200 220
L31
to TB1-1A,TB1-9A
1L1
1L2
22S
22R 22T
3P-C16
-CP3
TF2L1
TF2L2
TF2L3
220V 220V
0V 220V
200220415380 200 208 380240 415
L32
415208 220 380240
L33
2.5 mm
FX,RX,F
Y
to MC2
6.SECONDARY #1 : 1Ø 220(2.5KVA)
SECONDARY #2 : 3Ø 220(2.5KVA)
2.FREQUENCY : 50/60Hz
1.CAPACITY
:
5KVA
3.PHASE : 3Ø
4. CONNECTION: Y-Y
5.PRIMARY : 3Ø 200/208/220/240/380/415
V
(23860)
(23880)
DC POWER #3,#4(24VDC)
(FZ,RZ AXIS)
CONTROL RACK(PC+VME)
MONITOR1,2
DC POWER #1,#2(24VDC)
AC FAN
TF1L1
TF1L2
2.
5
2L1
2L2
2.5 mm
2.5 mm
2P-C16
-CP2
(23860)
2.5 mm
2
2
PE01
2
PE02
2
2
2
2
SM431_PW002:J90833002A
SM431_PW007:J90833007A
SM431_PW008:J9083008A
SM431_PW009:J9083009A
SM431_PW010:J9083010A
S
SM431_PW013:J9083013A
SM431_PW015:J9083015A
S

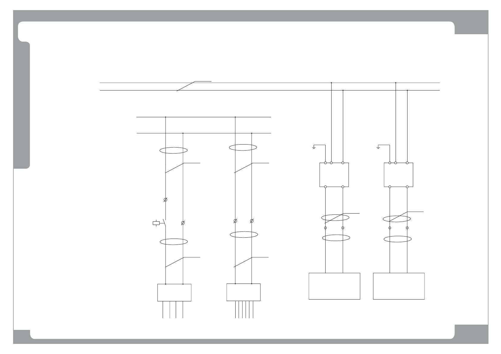
Page
SAMSUNG TECHWIN
102
SM4
3
1
Electric Circuit Diagram (2/7)
9A
9B
1A 1B
10A
2A 3A
A
B
11A 14B
6A4A
A
B
12B
A
B
13B
5A
B
A
7A
15B
1
34
2
A
B
16B
8A 2B
10B
3B
11B
TO REAR MONITOR
CONTROL BOX(PC+VME ASSY)
TO FRONT MONITOR
1L1 1L2
FROM CP1
1L2
1L1
1.5mm
(RIGHT SIDE)
-FAN1
-FAN2
1L1 1L2(F3)
0.75mm
1L1 1L2
1L1 1L2 1L1 1L2
-PS1
1.5mm
1L1 1L2(F1)
1L21L1
-FUSE1 (AC250V,10A)
1.5mm
TO SC-CN1
+24V 24G +24VM 24G
1L1 1L2(F2)
-FUSE2 (AC250V,10A)
1.5mm
1L1 1L2
-PS2
-FUSE3 (AC250V,5A)
-FAN3
(LEFT FRONT)
1L1
1L1
1L2(F4)
-FUSE4 (AC250V,5A)
1L2
0.75mm
1L1
1L1
AC220V
(GENERAL IO)
TO F/R FEEDER PW
-NF2
(1Ø, 5A)
(CONV.BELT 4AXIS)
(CONV.MV/WD 6AXIS)
1.5mm
-SV_FAN2
-FUSE5 (AC250V,5A)
0.75mm
(SERVO DRIVER RACK)
-SV_FAN1
1L2(F5)
1L2
-FAN4
-MONITOR DISTRIBUTOR
SPARK KILLER (1PH)
-SK
2
2
PE04
DC POWER(400W)
(+)
PE07
(-)
AC IN
2
24VDC
2
DC POWER(400W)
(-)
24VDC
(+)
AC IN
2
PE08
2
PE03
2
2
PE05 PE06
SM431_PW016
:J90833016A
SM431_PW018
:J90833018A
SM431_PW019
:J90833019A
SM431_PW020
:J90833020A
SM431_PW021
:J90833021A
SM431_PW022
:J90833022A
SM431_PW065
:J90832910A
SM431_PW050
:J90833050A
SM431_PW051
:J90833051A

Page
SAMSUNG TECHWIN
103
SM4
3
1
Electric Circuit Diagram (3/7)
13
14
19B 20B
19A 20A
18B
18A
17A
17B
1,2 3,4 1,2,3 4,5,6
2L2
FROM CP2
2L1
AC220V
24G
+24VZ1 24G
-PS3
(SHUTTLE/CONVEYOR BELT 4AXIS)
2L1 2L2
(SHUTTLE MOVE/WIDTH 6AXIS)
+24VB
24G
-MC1
+24V 24G
HEAD FZ,FR,FM
+24VZ2 24G
-PS4
2L1 2L2
HEAD RZ,RR,RM
FROM PS2(DC POWER #2)
+24V
1.5 mm1.5 mm
1.5 mm 1.5 mm
2.5 mm
2.5 mm
2.5 mm
-TB1 (17~20 : DC24V)
CN1 J5
DC POWER (400W)
(-)
24VDC
(+)
AC IN
PE09
DC POWER B/D#1
DRIVER CONSOLE
DC POWER(400W)
(-)
24VDC
(+)
AC IN
PE10
2
2
2 2
2
2
2
SM431_PW044
:J90833044A
SM431_PW045
:J90833045A
SM431_PW047
:J90833047A
SM431_PW046
:J90833046A
SM431_PW066
:J90833066A
SM431_PW066
:J90833066A
SM431_PW048
:J90833048A
SM431_PW049
:J90833049A