SM431 Technical Reference - 第80页
Page SAMSUNG TECHWIN 70 SM4 3 1 Electric Control Part

Page
SAMSUNG TECHWIN
69
SM4
3
1
Electric Device Ass’y
NO. LEVEL PART NO. PART NAME Q’TY TYPE Old No. Stock Apply Reference
27 J44011011A SM411F_POWER_SUPPLY_STW400-S 4 STW400-S
28 J70511040A POWER_SUPPLY_BRACKET 4
29 J70511045A POWER_SUPPLY_STAND 1
30 J90601045A SM431_VISION_IF_BOARD 1 VER 1.0
31 J70541252A DRIVER_BOX_BASE 1
32 J70541251A DRIVER_BOX_COVER 1
33 J91741208A SEDES_SLAVE_M_BOARD 1
34 J31531003A MINI_AMP 5 MMDDT2C09
35 J90511012A CONVEYOR_STEP_MOTOR_DRIVER_ASSY 1
36 J31521002B STEP_MOTOR_DRIVER 4 LB340-2AXIS
37 J91741194A SAFETY_FROP_BOARD_ASSY 1 SAFROP_REV.1.0
38 J91741076A CONV_SUB_IF_BOARD 1 VER 1.0
39 J91741049A CAN_CONVEYOR_BOARD 1 VER 1.1
40 J90601048A SM431_CONVEYOR_SENSOR_IF_BOARD 2 2LAYER, 1.6T
41 J91741195A SM431_STEP_DRIVER_BOARD_ASSY 1 SM400_M_SEDES
42 J70601009A STEP_DRIVER_BOARD_BRACKET 1 STEBRO-BS4-SM400
43 J91741206A SM431_STEP_SLAVE_BOARD 1 STEP_SLAVE_BOARD
44 J91741205A SM431_STEP_MOTOR_DRIVER_BOARD 6 STEBRO-BS4-SM400M

Page
SAMSUNG TECHWIN
70
SM4
3
1
Electric Control Part

Page
SAMSUNG TECHWIN
71
SM4
3
1
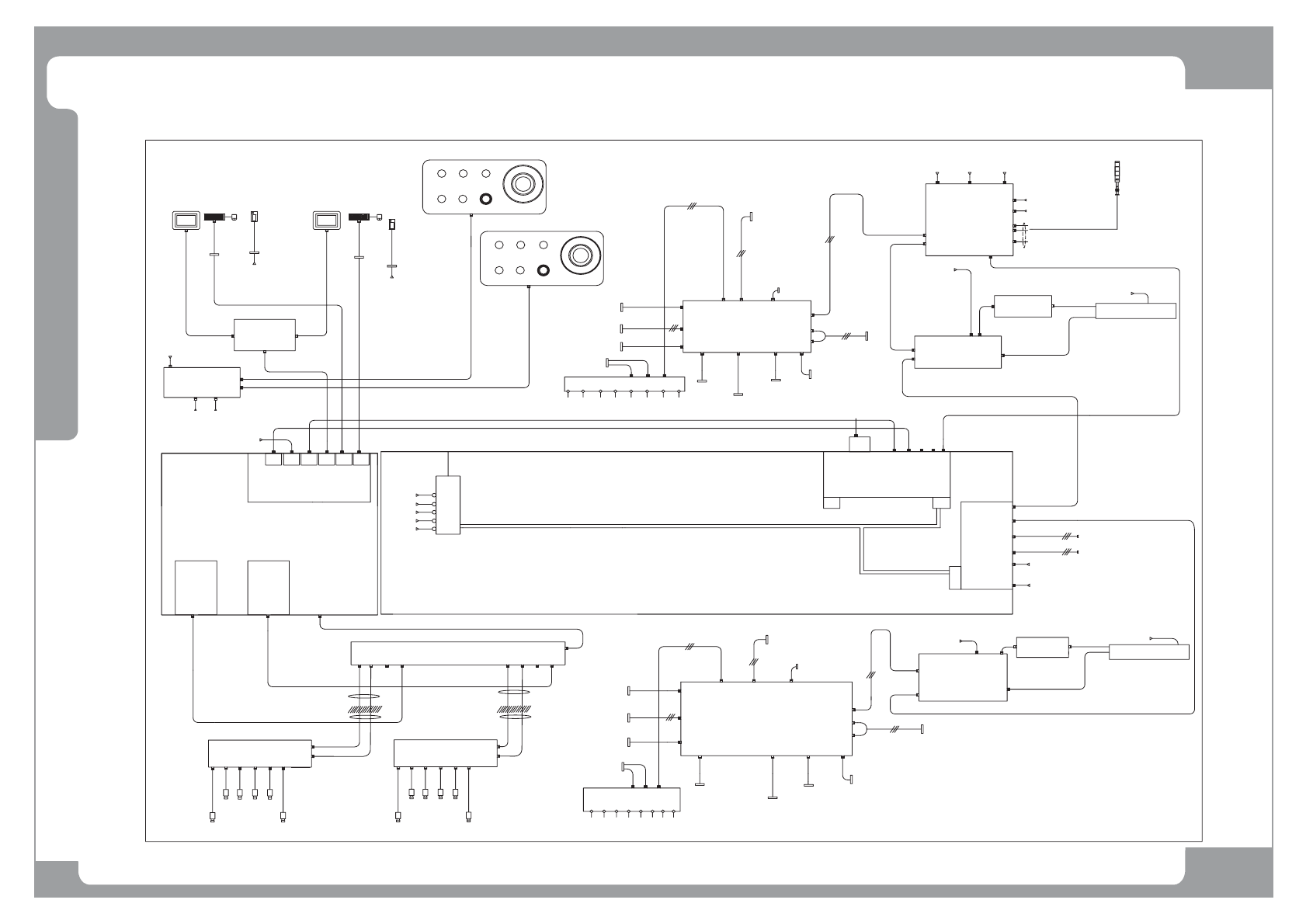
SM431 Wiring Diagram (1/2)
SEDES SLAVE B/D CN9
_CS081
SM431
CN14
SM431_VIS005
SM431_VIS008
12V
SM431_VM017
LAN PORT
REAR LEFT PANEL
COM1
CN4
CN6
(CONV SUB I/F CN3)
(CONV SUB I/F CN2)
SM431_CV035
SM431_CV034
CN17
CN18
CONV I/F
(CONV I/F B/D CN18)
AMESS
LAN2
CN9
SM431_VIS005
CN2
CN1
CN6
CN5
SM431_VIS002
SM431_VIS003
(OPTION)
J6
J5
J4
J3
SM431_VIS007
CN8
CN7
SM431_VIS006
SM431_VIS001
SM431_VIS003
SM431_VIS004
FIDUCIAL CAMERA
HD+/-,VD+/-,+12V,12G
FLY CAMERA1~4
CAMERA IO B'D
J1
J2
CN2
CN1
ANALOG
CN4
CN3
VISION I/F BOARD
(to AXIS SENSOR BOARD CN10)
SM431_CS072
(STOPPER,ANC,EDGE PUSHER,WORK STOPPER,BUT)
CONVEYOR PCB SENSOR, F/R SOL
CN3
(TO HEAD2 IO B/D CN10)
SM431_CI003
CN2
(TO HEAD1 IO B/D CN10)
SM431_CI002
SM431_CI001(FROM SAFETY CONTROL B/D CN22)
+24V,24G
CN1
CN7
CAN IO B/D
COM1
PMC-1
_CV016
SM431
B/D CN5)
(SAFETY CONTROL
CN26
SM431_CV035
SM431_CV0033
SM431_CV002
SM431_CA002
SM431_KV005
SM431_KV004
CN2 CN3
CN6
SM431_CV019-1
(FROM SAFETY CONTROL B/D CN8)
SM431_CV019
SM431_CV018-1
(FROM SAFETY CONTROL B/D CN6)
CN13
CN7
REAR USB PORT
FRONT USB PORT
USB2
OUT1
OUT2
INPUT
DISTRIBUTOR
MONITOR
SM431_OP003
SM431_OP002
CN4
CN5
<REAR-OP>
<FRONT-OP>
Y
AMESS
SM431_FD006
SM431_FD005
SAFETY CONTROL B/D CN13
F24V, 24G
SAFETY CONTROL B/D CN12
CN3
CN4
SM431_HD011
SM431_HD010
SIDE VIEW SEN
CN17
#2 FIDUCIAL ILL, COAXIAL
_HD007
SM431
CN15
SM431_HD006
EL HOME SEN
FLY COAXIAL B/D
_HD005
SM431
CN12
FLY OUTER(1,2) ILL B/D
_HD004
SM431
CN13
SM431_HD008
SM431_HD001
H 1~8 VAC SOL
CN1 CN2
H7 H8
HEAD VAC/BLOW SOL
(TO VME IO B/D CN1)
#1 FIDUCIAL ILL
_HD006
SM431
CN3
SM431_HD009
SM431_HD008
SM431_HD002
H1~8 BLOW SOL
H5 H6
VACUUM SENSOR B'D(H1~H8)
H4
H3
H2
H1
VAC. Sensor
Z1~4, R HOME SEN
CN18
CN9
CN10
CN11
CN14
CN7
CN8
CAN
HEAD IO B/D
SEDES SLAVE B/D CN9
SM431_CA004
CN3
CN4
SM431_HD011
SM431_HD010
SIDE VIEW SEN
CN17
#2 FIDUCIAL ILL, COAXIAL
_HD007
SM431
CN15
SM431_HD006
EL HOME SEN
FLY COAXIAL B/D
_HD005
SM431
CN12
FLY OUTER(1,2) ILL B/D
_HD004
SM431
CN13
SM431_HD008
SM431_HD001
H 1~8 VAC SOL
CN1 CN2
H7 H8
G-ENET1
LAN1
SM431_CA003
CAN
REAR FEEDER BASE B/D
SM431_FD004
CN2
SM431_FD002
SM_FD005
SM431_FD003
(FROM SAFETY CONTROL B/D)
SM431_CA005
EXT.BOARD
FEEDER INPUT
CN11
+24V,24G
CN5
CN4
CN3
CN2
BOARD
R-FEEDER I/O
CN11
HEAD VAC/BLOW SOL
(TO VME IO B/D CN2)
#1 FIDUCIAL ILL, COAXIAL
_HD006
SM431
CN3
SM431_HD009
SM431_HD008
SM431_HD002
H1~8 BLOW SOL
H5 H6
VACUUM SENSOR B'D(H1~H8)
H4
H3
H2
H1
Z1~4, R HOME SEN
CN18
CN9 CN10
CN11
CN14
CN7
CN8
CAN
CAN
HEAD IO B/D
CONV.SUB I/F BOARD
SM431_KV001
SM431_KV003
SM431_CV018
SM431_KV002
T-BOX
MOUSEKBD
MON.
T-BOX
MOUSEKBD
MON.
<REAR>
<FRONT>
CH1
NEXTEYE VISION B/D
_CV001
SM431
CH1
F24V, 24G
FRONT FEEDER BASE B/D
EXT.BOARD
CN2
FEEDER INPUT
SM431_FD004
SM431_FD001
(FROM SAFETY CONTROL B/D CN19)
SM_FD005
SM431_FD003
SM431_CA001
VME
USB1
MONITOR
INDUSTRIAL PC
SBC
NEXTEYE VISION B/D
CN28
<--> CONV.SUB I/F B/D CN1
CN4
210TS
TRANSCEIVER
P2
P1
J1
+24V,24G
CN4
+24V,24G
CAN
CAN
CAN
CAN
12G
-12V
+12V
5G
+5V
TOWER LAMP & GENERAL I/O
CN5
CN2
CN3
CN3
CN2
BOARD
BOARD
F-FEEDER I/O
LAN
PMC-3
PMC-2
ETHERNET
BOARD
MVME3100 MAIN
J1-BACKPLAIN
(From Axis Sensor B/D CN12)
SELECT
C
G
M
E
R
E
E
N
FEEDER CHG
RESET
READY
START
STOP
EM
SM431_CV034
(CONV I/F B/D CN17)
SM431_CV033
(CONV I/F B/D CN6)
y n ~
~ ~
Y
SELECT
C
G
M
E
R
E
E
N
FEEDER CHG
RESET
READY
START
STOP
EM
y n White
Yellow White
White
COAXIAL
CN1
SM431_VIS005
SM431_VIS005
CN2
CN1
(OPTION)
J6
J5
J4
J3
SM431_VIS004
FIDUCIAL CAMERA
HD+/-,VD+/-,+12V,12G
FLY CAMERA1~4
CAMERA IO B'D
J1
J2