SM431 Technical Reference - 第96页
Page SAMSUNG TECHWIN 86 SM4 3 1 Head I/O (2/2) +24V ILL_OUT FIDU1_COAXIAL_P FIDU1_COAXIAL_M +24V ILL_OUT FIDU2_COAXIAL_P FIDU2_COAXIAL_M +24V BROWN -COM HIGH ON_OFF SYS ANALOG+ PASS SYS ANALOG- LOW BLUE WHITE GRAY PINK B…

Page
SAMSUNG TECHWIN
85
SM4
3
1
Head I/O (1/2)
6P
3
2
3
2
1
CN3P
CN3S
1
11
2
3
6P
3
2
CN2P
CN2S
BOARD
HEAD IO
1
3
2
4
CN1
CN1S
5
6
BOARD
HEAD IO
CN6P
CN6S
8P
8
7
8
7
6
5
4
1
3
2
4
5
6
4
5
6
3
4
5
6
1
2
CAN PORT2
SM431_FL001:J90832960A
SM431_FL001:J90832960A
CN4P
4P
11
33
44
22
CN4S
4
2
3
1
SOL/SEN RESERVE
10P
4
5
6
4
5
6
1
4
5
6
2
3
1
4
5
6
2
3
CAN_H
CAN_L
IO_RESET
GND
-COM
+12V
+COM
-COM
-COM
+COM
CAN PORT1
SM431_HD003:J90832963A
6P
12
~
CN5P
CN5S
1
8
9
10
7
8
9
10
7
1
2
3
3
2
1
CN7S
CN7P
4P
CN9P
CN9S
20P
A1
A2
A3
SM431_HD008:J90832968A
A8
A9
A10
A7
CN8P
CN8S
8P
1
4
5
6
2
3
8
7
1
4
5
6
2
3
8
7
H8S/2134 FIRMWARE DOWNLOAD
12
~
1
CPLD DOWNLOAD
EL HOME SENSOR
PM-U24
BROWN
WHITE
BLUE
44
+24V
EL_HOME
-COM
SEDES SLAVE B/D
CN9
SM431_FL001:J90832960A
1
4
5
6
2
3
8
7
H1Z_HOME
H2Z_HOME
H3Z_HOME
PASS
H4Z_HOME
R_HOME
EL_HOME
A4
A5
A6
B1
B2
B3
B8
B9
B10
B7
B4
B5
B6
A1
A2
A3
A8
A9
A10
A7
A4
A5
A6
B1
B2
B3
B8
B9
B10
B7
B4
B5
B6
A1
A2
A3
A8
A9
A10
A7
A4
A5
A6
B1
B2
B10
B5
B4
B3
B6
B9
B8
B7
VACUUM SENSOR B/D
CN3
+5VDC
GND
H1_VAC_SEN
H2_VAC_SEN
H3_VAC_SEN
H4_VAC_SEN
H5_VAC_SEN
H6_VAC_SEN
H7_VAC_SEN
H8_VAC_SEN
+24VDC
GND
SOL1
SOL2
SOL3
SOL4
SOL5
SOL6
SOL7
SOL8
BALCK
RED
GREEN
WHITE
YELLOW
BROWN
BLUE
ORANGE
GRAY
PURPLE
BLACK
WHITE
RED
GREEN
YELLOW
BROWN
BLUE
ORANGE
GRAY
PURPLE
SEDES SLAVE B/D
CN9
A1
A2
A3
A8
A9
A10
A7
A4
A5
A6
B1
B2
B10
B5
B4
B3
B6
B9
B8
B7
A1
A2
A3
A4
B1
B2
B4
B3
A1
A2
A3
A4
B1
B2
B4
B3
CN1
CN2
+24VDC
SOL8
H8 VAC SOLENOID PORT
GRAY
BLACK
+24VDC
SOL7
H7 VAC SOLENOID PORT
GRAY
BLACK
+24VDC
SOL6
H6 VAC SOLENOID PORT
GRAY
BLACK
+24VDC
SOL5
H5 VAC SOLENOID PORT
GRAY
BLACK
A1
A2
A3
A4
B1
B2
B4
B3
A1
A2
A3
A4
B1
B2
B4
B3
+24VDC
SOL4
H4 VAC SOLENOID PORT
GRAY
BLACK
+24VDC
SOL3
H3 VAC SOLENOID PORT
GRAY
BLACK
+24VDC
SOL2
H2 VAC SOLENOID PORT
GRAY
BLACK
+24VDC
SOL1
H1 VAC SOLENOID PORT
GRAY
BLACK
SM431_HD001:J90832961A

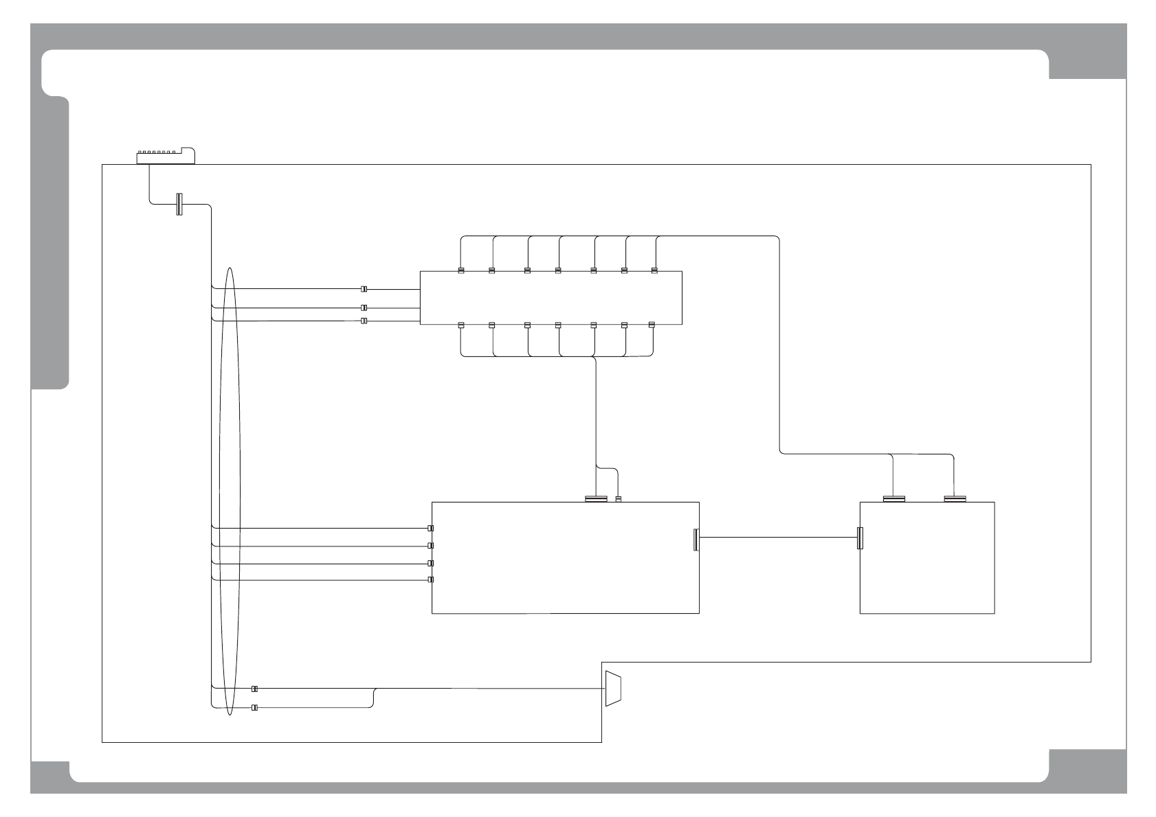
Page
SAMSUNG TECHWIN
86
SM4
3
1
Head I/O (2/2)
+24V
ILL_OUT
FIDU1_COAXIAL_P
FIDU1_COAXIAL_M
+24V
ILL_OUT
FIDU2_COAXIAL_P
FIDU2_COAXIAL_M
+24V BROWN
-COM
HIGH
ON_OFF
SYS ANALOG+
PASS
SYS ANALOG-
LOW
BLUE
WHITE
GRAY
PINK
BLACK
SHIELD
GREEN
YELLOW
BLACK SHIELD
BLACK SIGNAL
ORANGE
OUT SHIELD
WHITE
BLUE
BLACK
BROWN
ORANGE/BLACK
BLUE
BLACK
BROWN
+24VDC
H1Z_HOME
24GND
+24VDC
H2Z_HOME
24GND
+24VDC
H3Z_HOME
24GND
+24VDC
H4Z_HOME
24GND
+24VDC
R_HOME
24GND
BOARD
HEAD IO
HEAD IO
BOARD
CN14P
4P
CN14S
CN11P
16P
CN10P
16P
CN10S
8
7
6
5
2
3
4
1
12
10
9
11
7
9
8
5
6
4
3
2
1
12
11
10
HEAD1_VAC
8
7
6
5
2
3
4
1
12
10
9
11
13
16
15
14
16
14
13
15
13
16
15
14
HEAD2_VAC
HEAD3_VAC
HEAD4_VAC
HEAD5_VAC
HEAD6_VAC
HEAD7_VAC
HEAD8_VAC
HEAD1_BLOW
HEAD2_BLOW
HEAD3_BLOW
HEAD4_BLOW
HEAD5_BLOW
HEAD6_BLOW
HEAD7_BLOW
HEAD8_BLOW
VME IO B/D
CN2
SM431_FL001:J90832960A
CN11S
9
1
10
22
9
1
10
+24V
HEAD1 BLOW
SM431_HD002:J90832962A
H1 BLOW SOLENOID PORT
H2 BLOW SOLENOID PORT
+24V
HEAD2 BLOW
BLACK
BLACK
GRAY
BLACK
CN12P
CN12S
8P
1
4
5
6
2
3
8
7
1
4
5
6
2
3
8
7
FLY COAXIAL B/D
4
3
2
5
6
COAXIAL1_P
1
8
7
COAXIAL2_P
COAXIAL3_P
COAXIAL4_P
COAXIAL1_M
COAXIAL2_M
COAXIAL3_M
COAXIAL4_M
SM431_HD005:J90832965A
CN13P
CN13S
8P
1
4
5
6
2
3
8
7
1
4
5
6
2
3
8
7
1 (2) FLY OUTER B/D
4
3
2
5
6
OUTER_1P
1
8
7
SM431_HD004:J90832964A
OUTER_2P
OUTER_3P
OUTER_4P
OUTER_1M
OUTER_2M
OUTER_3M
OUTER_4M
3
1
4
2
1
3
4
2
1
3
2
4
3
1
2
4
#1 FIDUCIAL ILL
#1 FIDUCIAL COAXIAL
SM431_HD006:J90832966A
CN15P
4P
CN15S
3
1
4
2
1
3
4
2
1
3
2
4
3
1
2
4
#2 FIDUCIAL ILL
#2 FIDUCIAL COAXIAL
SM431_HD007:J90832967A
CN17P
CN17S
10P
1
4
5
6
2
3
1
4
5
6
2
3
8
9
10
7
8
9
10
7
1
4
5
6
2
3
GRAY
WHITE
HL-AC1
SM431_HD011:J90833151A
1
4
5
6
2
3
4
3
1
2
4
3
1
2
SIDE SENSOR1
SIDE SENSOR2
SM431_HD010:J90833150A
CN18P
16P
Z1 HOME SENSOR
PM-L24
BROWN
WHITE
BLUE
BLUE
WHITE
BROWN
BLUE
WHITE
BROWN
Z4 HOME SENSOR
PM-L24
BROWN
WHITE
BLUE
BLUE
WHITE
BROWN
Z2 HOME SENSOR
PM-L24
R HOME SENSOR
EX-26A
Z3 HOME SENSOR
PM-L24
1
4
5
6
2
3
8
7
1
4
5
6
2
3
8
15
7
10
16
14
11
12
13
1
4
5
6
2
3
8
7
1
4
5
6
2
3
8
7
9
15
10
16
14
11
12
13
9
15
10
16
14
11
12
13
9
15
10
16
14
11
12
13
9
BLACK
WHITE
RED
BROWN
YELLOW
GREEN
GRAY
ORANGE
BLUE
PURPLE
PINK
NATURAL
GREEN(BLACK)
RED(BLACK)
WHITE(BLACK)
SM431_HD008:J90832968A
SM431_HD009:J90833026A
CN18S

Page
SAMSUNG TECHWIN
87
SM4
3
1
Docking Cart Interface
FEEDER I/O
FEEDER INPUT
BOARD
EXT.BOARD
CN5
JJ1 JJ2 JJ4JJ3 JJ5 JJ6
FEEDER BASE B/D
JK1 JK2 JK3 JK4 JK6JK5
F24V/G
D_CAN-CH1
CN2 CN3CN6
SM431_DC006(J90833115A)
SM431_DC007(J90833116A)
CN3
CN4
CN10
CN11
CN1
CAN
F24V/G
FRONT/REAR SELECT SIG
DOCKING CART I/F PROBE UNIT
SM431_DC002(J90833111A)
SM431_DC005(J90833114A)
DOCKING CART IT TEST PORT
D-SUB 9PIN
SM431_DC009(J90833260A)
SM_FD017(J9080857B)
JJ7
JK7
CN13
F24V I/O
D_CAN-CH2
D-NET CAN
D-NET PW
SM431_DC008(J90833117A)