SM471_TechnicalReference(Eng_Ver1[1].1) - 第109页
Page SAMSUNG TECHWIN 99 SM471 Blank

Page
SAMSUNG TECHWIN
98
SM471
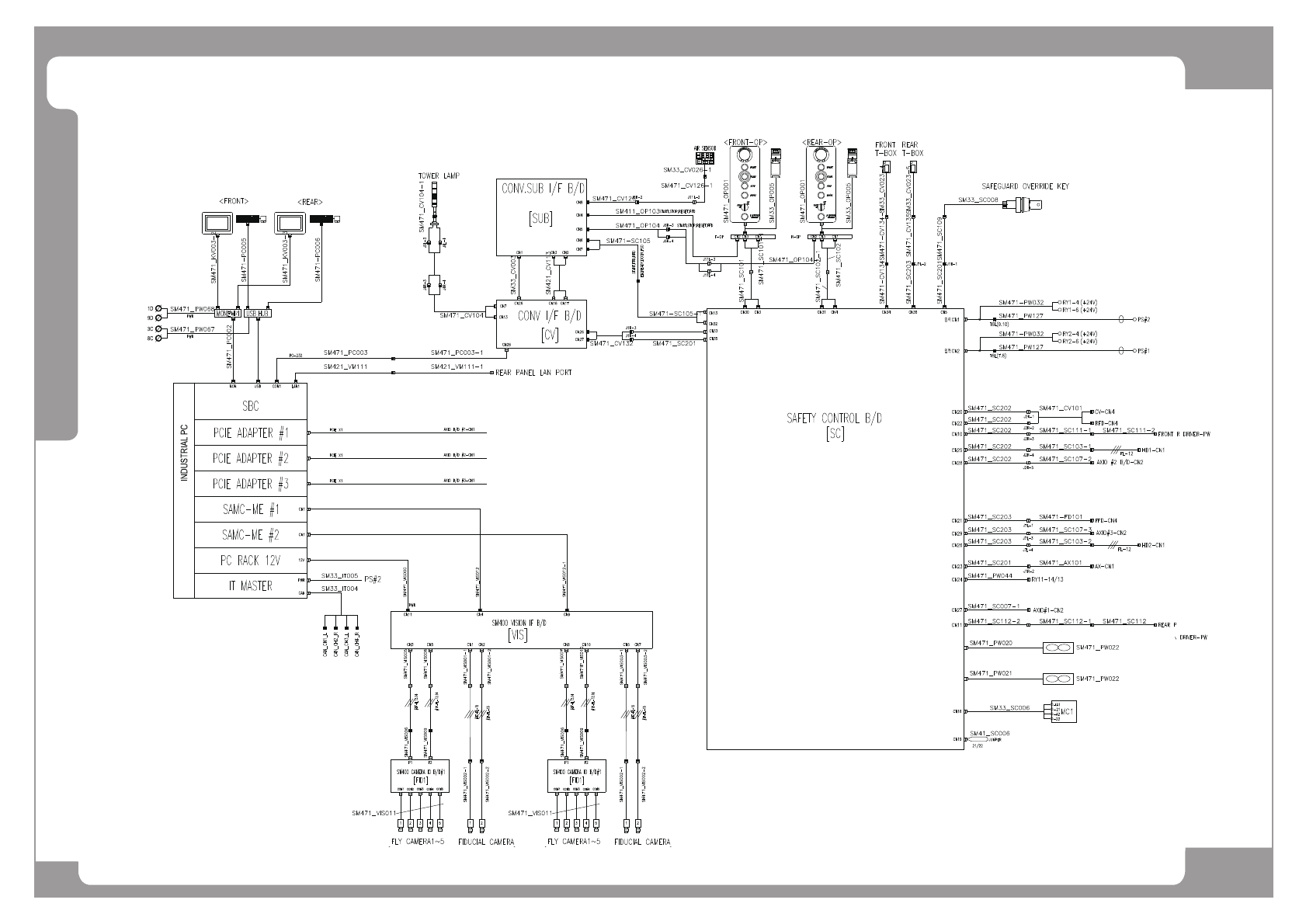
Electric Control Part

Page
SAMSUNG TECHWIN
99
SM471
Blank

Page
SAMSUNG TECHWIN
100
SM471
SM471 Harness Wiring Diagram
CN6
CN7
Page SAMSUNG TECHWIN 99 SM471 Blank


