SM471_TechnicalReference(Eng_Ver1[1].1) - 第114页
Page SAMSUNG TECHWIN 104 SM471 Camera IO Board ^4` ^5` ^8` ^7` ^6` ^9`

Page
SAMSUNG TECHWIN
103
SM471
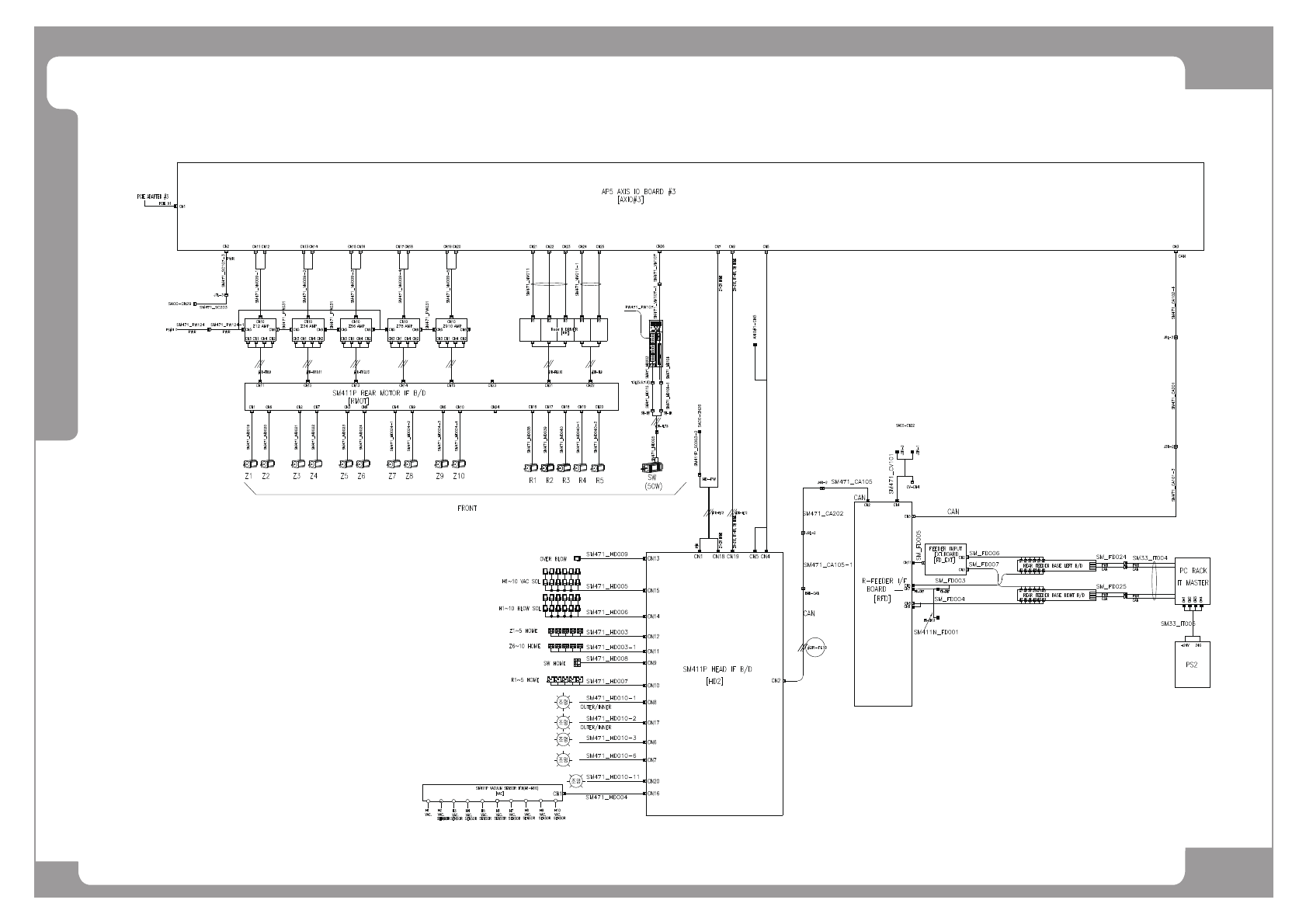
SM471 Harness Wiring Diagram
SET
MODE
Panasonic AC servo
FIDUCIAL㦤⮹GJX
FIDUCIAL㦤⮹GJY
SIDE
OUT
COAX

Page
SAMSUNG TECHWIN
104
SM471
Camera IO Board
^4`
^5`
^8`
^7`
^6`
^9`

Page
SAMSUNG TECHWIN
105
SM471
Camera IO Board
NO. Lev. PART NO. PART NAME Q'TY Old No. Supply Supply LT Reference
1 AM03-005547A CABLE ASSY-HD1_FLY_CAM_PW_SYNC 1 SM471-VIS005
2 AM03-005549A CABLE ASSY-HEAD2 FLY CAM PWR/SYNC 1 SM471-VIS007
3 AM03-005548A CABLE ASSY-FLY_CAM_PWR-SYNC_EXT 1 SM471-VIS006
4 AM03-005550A CABLE ASSY-HEAD1 FLY CAM SIG 1 SM471-VIS008
5 AM03-005552A CABLE ASSY-HEAD2 FLY CAM SIG 1 SM471-VIS010
6 AM03-005551A CABLE ASSY-FLY CAM SIG EXT 1 SM471-VIS009