SM471_TechnicalReference(Eng_Ver1[1].1) - 第117页
Page SAMSUNG TECHWIN 107 SM471 F ront Feeder Board Interface (1/2) NO. Lev . P ART NO. P ART NAME Q'TY Old No. Supply Supply L T Reference 1 J90800840B FDR INPUT E XT CABLE ASSY S M_FD005 1 SM_FD005 2 AM03-005398 A …

Page
SAMSUNG TECHWIN
106
SM471
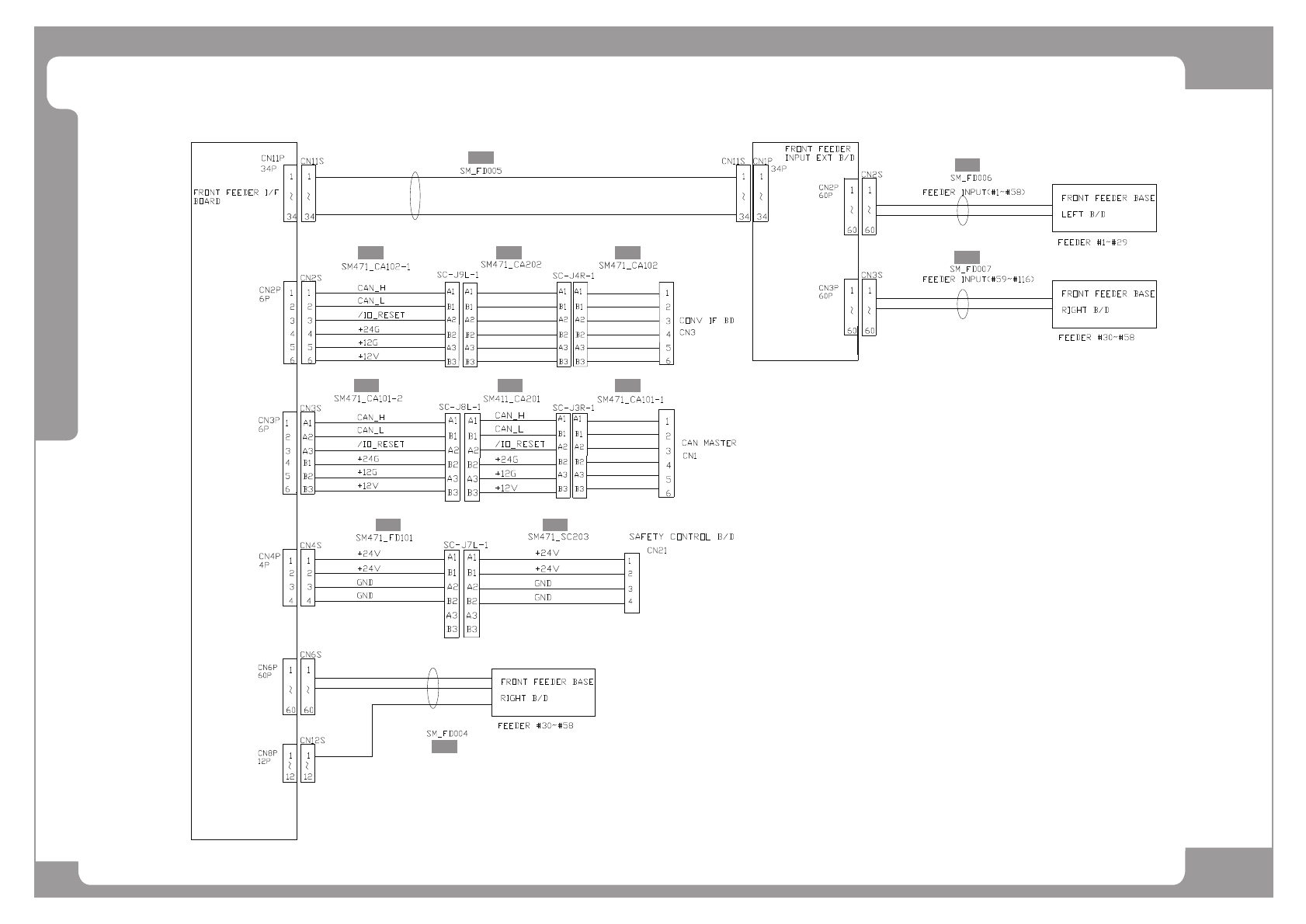
Front Feeder Board Interface (1/2)
[2 ] [3 ]
[1 ]
[4 ]
[12]
[5 ] [6 ] [7 ]
[8 ] [9 ]
[1 0 ]
[1 1 ]

Page
SAMSUNG TECHWIN
107
SM471
Front Feeder Board Interface (1/2)
NO. Lev. PART NO. PART NAME Q'TY Old No. Supply Supply LT Reference
1 J90800840B FDR INPUT EXT CABLE ASSY SM_FD005 1 SM_FD005
2 AM03-005398A CABLE ASSY-FFDR-CVIF_CAN_J9L 1 SM471_CA102-1
3 AM03-005400A CABLE ASSY-CAN_TW_J4R-J9L 1 SM471_CA202
4 AM03-005397A CABLE ASSY-FFDR-CVIF_CAN_J4R 1 SM471_CA102
5 AM03-005393A CABLE ASSY-AXIO_BD_2_FFD_CAN_J8L SM471-CA101-2
6 AM03-005396A CABLE ASSY-AXIO_CAN_FDR_UL_J3R-J8L 1 SM471_CA201
7 AM03-005392A CABLE ASSY-AXIO_BD_2_FFD_CAN_J3R 1 SM471_CA101-1
8 AM03-005455A CABLE ASSY-FRONT FDR CTRL PWR_J7L 1 SM471_FD101
9 AM03-005454A CABLE ASSY-BD_PW_SC_T-BOX_J7L 1 SM471_SC203
10 J90800839D RIGHT FDR SOL OUTPUT CABLE ASSY 1 SM_FD004
11 J90800841C LEFT FDR SENSOR INPUT CABLE ASS 1 SM_FD006
12 J90800842C RIGHT FDR SENSOR INPUT CABLE AS 1 SM_FD007

Page
SAMSUNG TECHWIN
108
SM471
Front Feeder Board Interface (2/2)
[2 ]
[3 ]
[1 ]