SM471_TechnicalReference(Eng_Ver1[1].1) - 第119页
Page SAMSUNG TECHWIN 109 SM471 F ront Feeder Board Interface (2/2) NO. Lev . P ART NO. P ART NAME Q'TY Old No. Supply Supply L T Reference 1 J90800838D LEFT FDR SOL OUTPUT CABLE ASSY 1 SM_FD003 2 AM03-005455 A CABLE…

Page
SAMSUNG TECHWIN
108
SM471
Front Feeder Board Interface (2/2)
[2 ]
[3 ]
[1 ]

Page
SAMSUNG TECHWIN
109
SM471
Front Feeder Board Interface (2/2)
NO. Lev. PART NO. PART NAME Q'TY Old No. Supply Supply LT Reference
1 J90800838D LEFT FDR SOL OUTPUT CABLE ASSY 1 SM_FD003
2 AM03-005455A CABLE ASSY-FRONT FDR CTRL PWR_J1L 1 SM471-FD101
3 AM03-005456A CABLE ASSY-F FDR PWR RELAY 1 SM471-FD002

Page
SAMSUNG TECHWIN
110
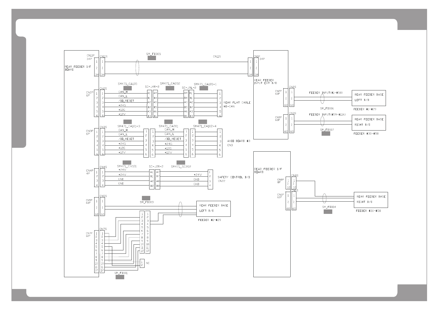
SM471
Rear Feeder Board Interface
[2 ] [3 ]
[1 ]
[4 ]
[1 3 ]
[5 ] [6 ] [7 ]
[8 ] [9 ]
[1 0 ]
[1 1 ]
[12]