SM471_TechnicalReference(Eng_Ver1[1].1) - 第184页
Page SAMSUNG TECHWIN 174 SM471 S afety Control Board Interface (2/4) [1 ] [2 ] [3 ] [4 ] [5 ] [6 ] [7 ] [8 ] [9 ] [ 10] [ 11]

Page
SAMSUNG TECHWIN
173
SM471
Safety Control Board Interface (1/4)
NO. Lev. PART NO. PART NAME Q'TY Old No. Supply Supply LT Reference
1 AM03-005506A CABLE ASSY-GENERAL_PW_RELAY 1 SM471-PW032
2 AM03-005504A CABLE ASSY-PS1_PS2_SACO_T6L 1 SM471-PW127
3 AM03-005507A CABLE ASSY-FEEDER_PW_RELAY 1 SM471-PW033
4 AM03-005520A CABLE ASSY-F_OP_PANEL_IF 1 SM471-SC101
5 AM03-005521A CABLE ASSY-F_OP_PANEL_IF-EXT 1 SM471-SC101-1
6 AM03-005523A CABLE ASSY-R_OP_PANEL_IF-EXT 1 SM471-SC102-1
7 AM03-005522A CABLE ASSY-R_OP_PANEL_IF 1 SM471-SC102

Page
SAMSUNG TECHWIN
174
SM471
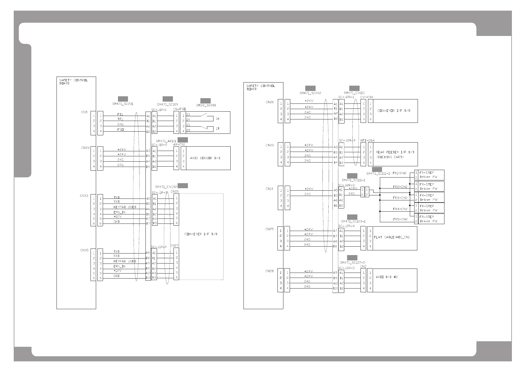
Safety Control Board Interface (2/4)
[1 ] [2 ]
[3 ]
[4 ]
[5 ]
[6 ] [7 ]
[8 ]
[9 ]
[10]
[11]

Page
SAMSUNG TECHWIN
175
SM471
Safety Control Board Interface (2/4)
NO. Lev. PART NO. PART NAME Q'TY Old No. Supply Supply LT Reference
1 AM03-005389A CABLE ASSY-BD_PW_SC_T-BOX_J1R 1 SM471_SC201
2 AM03-005531A CABLE ASSY-F_OVERRIDE_KEY_EXT_J1R 1 SM471-SC109
3 J90831059C SAFEGUARD_OV_SW_KEY_CABLE_ASSY 1 SM411-SC008
4 AM03-005388A CABLE ASSY-AXIS_SENSOR_BD_PW_EXT_J1R 1 SM471_AX101
5 AM03-005450A CABLE ASSY-T_BOX_HOST_J1R 1 SM471_CV132
6 AM03-005434A CABLE ASSY-BD_PW_SC_J2R 1 SM471_SC202
7 AM03-005432A CABLE ASSY-CONV_I-F_R_FDR_PWR_J2R 1 SM471_CV101
8 AM03-005532A CABLE ASSY-FR_STEP_DRV_PWR_J2R 1 SM471-SC111-1
9 AM03-005723A CABLE ASSY-FR_STEP_DRV_PWR_J2R_EXT SM471-SC111-2
10 AM03-005524A CABLE ASSY-HEAD1_PWR_J2R 1 SM471_SC103-1
11 AM03-005529A CABLE ASSY-AXIO_BD_2_PWR_J2R 1 SM471-SC107-2