SM471_TechnicalReference(Eng_Ver1[1].1) - 第189页
Page SAMSUNG TECHWIN 179 SM471 S afety Control Board Interface (4/4) NO. Lev . P ART NO. P ART NAME Q'TY Old No. Supply Supply L T Reference 1 AM03-005527 A CABLE ASSY -CONV_SUB_IF-EXT 1 SM471-SC105-1 2 AM03-005526 …

Page
SAMSUNG TECHWIN
178
SM471
Safety Control Board Interface (4/4)
[2 ]
[3 ]
[1 ]
[4 ] [5 ]

Page
SAMSUNG TECHWIN
179
SM471
Safety Control Board Interface (4/4)
NO. Lev. PART NO. PART NAME Q'TY Old No. Supply Supply LT Reference
1 AM03-005527A CABLE ASSY-CONV_SUB_IF-EXT 1 SM471-SC105-1
2 AM03-005526A CABLE ASSY-CONV_SUB_IF 1 SM471-SC105
3 AM03-005451A CABLE ASSY-SAFETY-FRONT_T_BOX 1 SM471-CV134
4 AM03-005452A CABLE ASSY-SAFETY-FRONT_T_BOX_EXT 1 SM471-CV134-1
5 AM03-005521A CABLE ASSY-F_OP_PANEL_IF-EXT 1 SM33-CV023-4

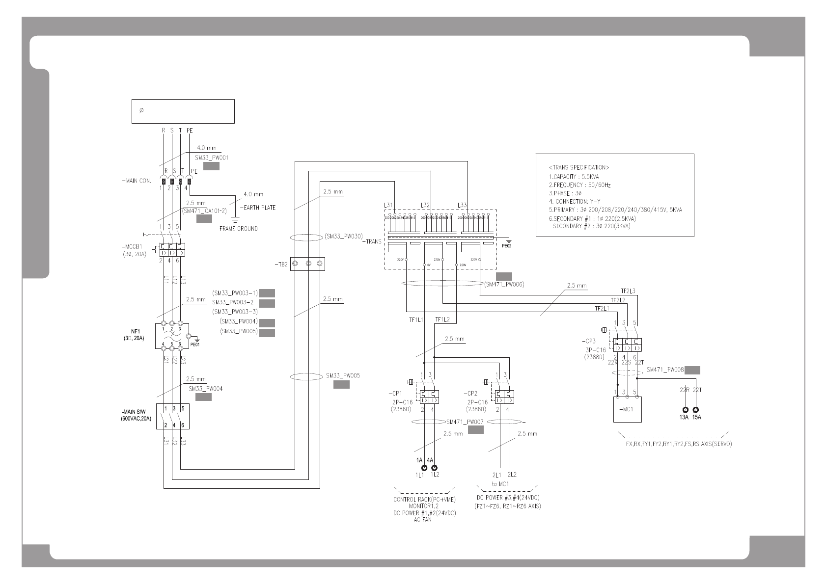
Page
SAMSUNG TECHWIN
180
SM471
Electric Circuit Diagram (1/7)
^4`
2
2
2
2
2
2 2
2
2
FACTORY MAIN POWER
(3 /PE 60HZ 200~415VAC)
APPROX. 5KVA)
2
2
^6`
^9`
^;`
^<`
^5`
^7`
^8`
^9`
^6`
^:`