SM471_TechnicalReference(Eng_Ver1[1].1) - 第193页
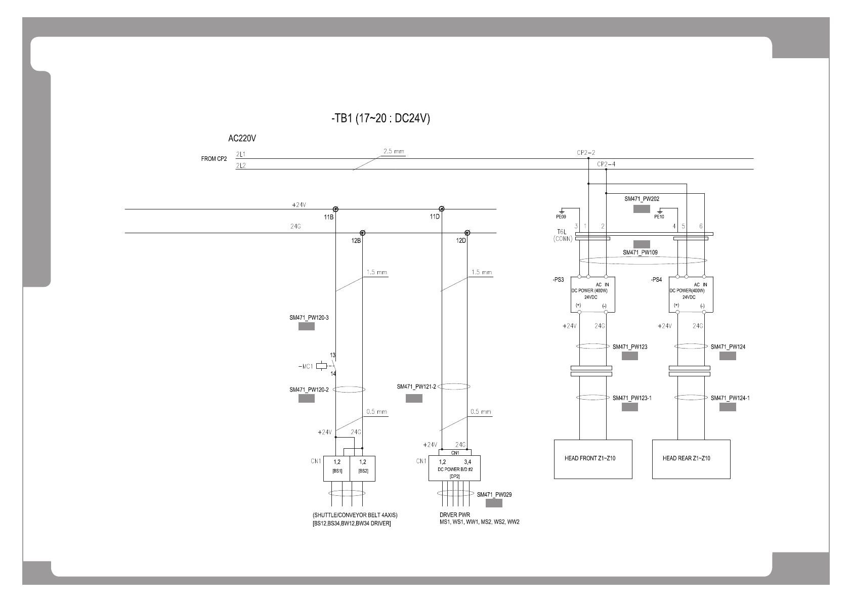
Page SAMSUNG TECHWIN 183 SM471 E lectric Circuit Diagram (2/7) NO. Lev . P ART NO. P ART NAME Q'TY Old No. Supply Supply L T Reference 1 AM03-0054 97A CABLE ASSY -TB1_MC1 1 SM471_PW120-3 2 AM03-0054 96A CABLE ASSY -…

Page
SAMSUNG TECHWIN
182
SM471
Electric Circuit Diagram (2/7)
2
22
2 2
^4`
^5` ^6`
^7`
^8`
^9`
^:`
^;`
^<`
^43`

Page
SAMSUNG TECHWIN
183
SM471
Electric Circuit Diagram (2/7)
NO. Lev. PART NO. PART NAME Q'TY Old No. Supply Supply LT Reference
1 AM03-005497A CABLE ASSY-TB1_MC1 1 SM471_PW120-3
2 AM03-005496A CABLE ASSY-BELT_DRV_PW 1 SM471_PW120-2
3 AM03-005499A CABLE ASSY-PS1_2_DC_POWER_BD 1 SM471-PW121-2
4 J90831091C SHUTTLE_WIDTH_PW_CABLE_ASSY 1 SM411-PW029
5 AM03-005485A CABLE ASSY-PS34_AC_PS12_DC_PW_T6L 1 SM471_PW202
6 AM03-005484A CABLE ASSY-MC1_PS3_PS4_PW_T6L 1 SM471_PW109
7 AM03-005500A CABLE ASSY-FZ1-FZ10 DC24V PW 1 SM471-PW123
8 AM03-005501A CABLE ASSY-FZ1-FZ10_DC24V_PW-EXT 1 SM471-PW123-1
9 AM03-005502A CABLE ASSY-RZ1-RZ10 DC24V PW 1 SM471-PW124
10 AM03-005503A CABLE ASSY-RZ1-RZ10_DC24V_PW-EXT 1 SM471-PW124-1

Page
SAMSUNG TECHWIN
184
SM471
Electric Circuit Diagram (3/7)
22 2 2
^4`
^5` ^6` ^7`
^8`