SM471_TechnicalReference(Eng_Ver1[1].1) - 第21页
Page SAMSUNG TECHWIN 11 SM471 F eeder Base Ass’y - DC (3/4) NO. P ART NO. P ART N AME Q'TY Old No. Stock Apply Reference 1 J91741071A FEEDER_INPUT_EXT_BOARD VER 1 .1 1 2 J91741070A FEEDER_IO_BOA RD VER 1.2 1 3 FC09-…

Page
SAMSUNG TECHWIN
10
SM471
Feeder Base Ass’y - DC (3/4)
3
4
CAN FEEDER EXTENSION B
OARD
LC1D096BD
LC1D096BD
CAN CONVEYO
R BOARD
22
5
5
2
1
7
6

Page
SAMSUNG TECHWIN
11
SM471
Feeder Base Ass’y - DC (3/4)
NO. PART NO. PART NAME Q'TY Old No. Stock Apply Reference
1 J91741071A FEEDER_INPUT_EXT_BOARD VER 1.1 1
2 J91741070A FEEDER_IO_BOARD VER 1.2 1
3 FC09-000977A FRONT SENSOR BKT2 1 J70540267B
4 FC09-000976A FRONT SENSOR BKT1 1 J70540266B/ J70540266C
5 J1300101 DRAWER PULL [HD-108] 2
6 J70540268C REAR SENSOR BKT1 1
7 J70540269B REAR SENSOR BKT2 1

Page
SAMSUNG TECHWIN
12
SM471
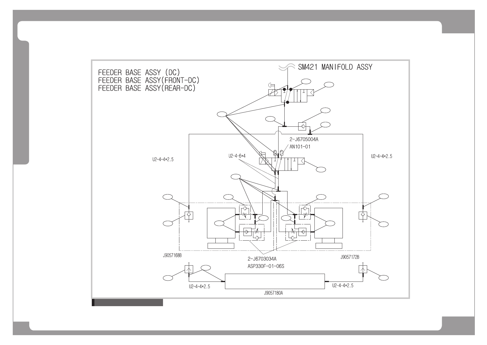
Feeder Base Ass’y - DC (4/4)
Reference to Air Ass'y
ڡۀۀڿۀۍٻڝڼێۀٻڃڟڞڄ
1
1
2
3
3
6
6
2
2
4
5 5
4
10
11
12
7
10
9
8
12