5OM-1501-006_w - 第101页
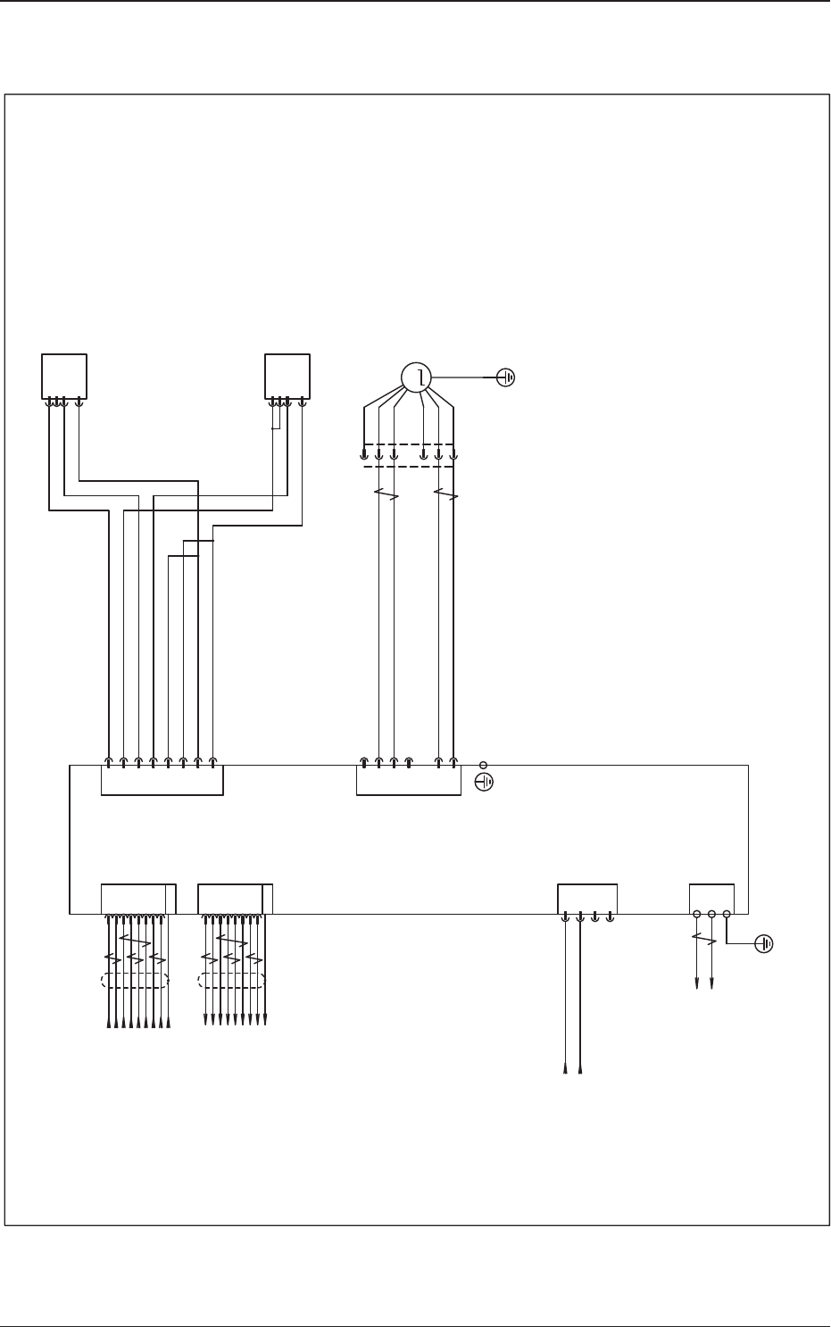
0906-003-(M900WBB--2016) 基板認識 X 軸回路図 E AC AC A35 L206 L306 B351 + L OUT - A35-CN3 ORG 4 COM 7 COM 8 DOWN 3 SEN+ 2 SEN+ CN3 1 X351 SIGB SIGA 10A 10A 10A 24A3 24A3 24A3 GND 8 +V 7 信号線 B 6 A35-N2 N2 GND 5 +V 4 信号線 A 3 GND 2…

0906-003-(M900WBB--2015)
基板認識 Y 軸回路図
E
AC
AC
A33
L206
L106
B331
+
L
OUT
-
A33-CN3
ORG
4
COM
7
COM
8
DOWN
3
SEN+
2
SEN+
CN3
1
A33-N2
N2
N1
A33-N1
A27-N2
(スキージ駆動軸)
A35-N1
(基板認識X軸)
A33-CN6
CN6
B
/B
A
/A
6
5
3
2
1
NC
NC
4
A33-CN4
CN4
3
2
1
ERR+
EMG-
EMG+
ERR-
4
10A
24A7
+LS
5
-LS
6
M33
:6
:5
:4
:3
:2
:1
赤
黄
黒
橙
青
白
M33
M
+
L
OUT
-
B334
1 +V
2 GND
7 +V
3
4 +V
8
信号線B
5
GND
6
GND
1 +V
2 GND
7 +V
3
4 +V
8
信号線B
5
GND
6
GND
信号線A
信号線A
+V
COM A1
GND
GND
+V
COM B1
+V
GND
FG
+V
COM A1
GND
GND
+V
COM B1
+V
GND
FG
コネクタケース
コネクタケース
基板認識Y軸
原点
基板認識Y軸モータ
基板認識Y軸
回転原点
3-23
5OM-1501

0906-003-(M900WBB--2016)
基板認識 X 軸回路図
E
AC
AC
A35
L206
L306
B351
+
L
OUT
-
A35-CN3
ORG
4
COM
7
COM
8
DOWN
3
SEN+
2
SEN+
CN3
1
X351
SIGB
SIGA
10A
10A
10A
24A3
24A3
24A3
GND8
+V7
信号線B6
A35-N2
N2
GND5
+V4
信号線A3
GND2
+V1
1 +V
2 GND
3 信号線A
4 +V
5 GND
N1
A35-N1
6 信号線B
7 +V
8 GND
24A3
24A3
24A3
10A
10A
10A
SIGA
SIGB
A33-N2
(基板認識Y軸)
A23-N1
(基板上下軸)
FG
FG
A35-CN4
CN4
3
2
1
ERR+
EMG-
EMG+
ERR-
4
10A
24A7
+LS
5
-LS
6
+
L
OUT
-
B353
+
L
OUT
-
B354
A35-CN6
CN6
B
/B
A
/A
6
5
3
2
1
NC
NC
4
:6
:5
:4
:3
:2
赤
黄
黒
橙
青:1
:2
:4
X350
:1
X1350
M
:3
M35
M35
:1 白
X1351
コネクタケース
コネクタケース
:B2
:B3
:B1
:A4
:A2
:A1
:A3
:B4
:B2
:B3
:B1
:A4
:A2
:A1
:A3
:B4
基板認識X軸
原点
基板認識X軸
-オーバーラン
基板認識X軸
回転原点
基板認識X軸モータ
3-24
5OM-1501

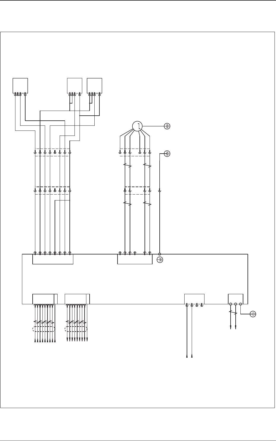
0906-003-(M900WBB--2017)
基板搬送軸回路図 1
A37
5
6
3
4
2
1
5
6
3
4
2
1
5
6
3
4
2
1
5
6
3
4
2
1
CN2
CN3
CN4
CN5
CN7
CN8
CN9
CN10
3
4
5
2
1
NC
3
4
5
2
1
A
NC
B
A
B
3
4
5
2
1
A
NC
B
A
B
3
4
5
2
1
A
NC
B
A
B
1
2
4
3
7
8
6
5
N1
1
2
4
3
7
8
6
5
N2
ALM-
EMG-
ALM+
EMG+ 1
2
3
4
CN1
GND
GND
+V
COM B2
+V
COM A2
GND
+V
STOP
SEN+
DOWN
OT-
OT+
SEN-
STOP
SEN+
DOWN
OT-
OT+
SEN-
STOP
SEN+
DOWN
OT-
OT+
SEN-
STOP
SEN+
DOWN
OT-
OT+
SEN-
M37
1
2
3
4
CN6
GND
DC20~55V
A37-CN2
A37-CN4
A37-CN5
A37-CN7
A37-CN8
A37-CN9
A37-CN10
A37-CN6
A37-N1
A37-N2
A37-CN1
B371
+
L
OUT
-
A37-CN3
B371
+
L
OUT
-
M
:3
:3
:1
:6
:5
:4
白
黄
青
赤
橙
黒
A
B
A
B
M37
M37
M
:2
:3
:1
:6
:5
:4
M37
M41
M
:4
:2
:1
:3
白
青
黄
赤
M41
M43
10A
24A7
A25-N2
(テーブル幅軸)
GND
GND
+V
COM B2
+V
COM A2
GND
+V
A45-N1
(基板搬送軸ドライバ2)
+V
GND
信号線A
+V
GND
+V
GND
信号線B
+V
GND
信号線A
+V
GND
+V
GND
信号線B
48F1
10F1
FG
FG
白
黄
青
赤
橙
黒
M
白
青
黄
赤
48F1
10F1
X430
:4
:2
:1
:3
:2
:1
:3
M43
:4
X371
:2
:1
:3
X371
:2
:1
:2
:2
Lコンベア幅軸
原点
Lコンベア幅軸
Rコンベア幅軸
原点
Rコンベア幅軸
Rコンベア基板搬送1
Rコンベア基板搬送2
緊急停止
3-25
5OM-1501