5OM-1501-006_w - 第50页
エア配管図(スクリーンホルダ、スキージヘッド) 0906-003-(1090000201) φ4 P R A φ4 φ4 φ4 φ4 φ6 φ6 Y071 Y070 上昇 スクリーン上押さえ (右側奥) スクリーン上押さえ (右側) スクリーン上押さえ (左側) スクリーン上押さえ (左側) ロック ロック ロック ロック φ4 φ4 φ4 φ4 φ4 φ4 スキ-シ゛後上下 スキ-シ゛前上下 φ6 φ4 L2500 φ4 L2700 …

エア配管図(エアコンビネーション、ブロア)
0906-003-(1090000201)
設定 0.45MPa
(4.6kgf/cm
2
)
|50ダクト
M
|19ダクト
排気方向
吸引方向
|35ダクト
|50ダクト
ブロアーユニット切替え部
基盤吸着治具
クリーニング部
設定 0.35MPa
(3.6kgf/cm
2
)
φ10
L1500
φ4
L800
SET
OUT
PRESSURE
SET
OUT
PRESSURE
G
G
1
3
2
4
6
5
No. 名称 個数
1 コンビネーションユニット 1
2 圧力スイッチ 1
3 エア圧検出 1
4 ブロア 1
5 管継手 1
6 フィルタ 1
1-2
5OM-1501

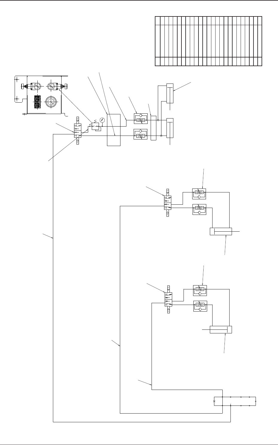
エア配管図(スクリーンホルダ、スキージヘッド)
0906-003-(1090000201)
φ4
P
R
A
φ4
φ4
φ4
φ4
φ6
φ6
Y071
Y070
上昇
スクリーン上押さえ
(右側奥)
スクリーン上押さえ
(右側)
スクリーン上押さえ
(左側)
スクリーン上押さえ
(左側)
ロック
ロック
ロックロック
φ4
φ4
φ4
φ4
φ4
φ4
スキ-シ゛後上下
スキ-シ゛前上下
φ6
φ4
L2500
φ4
L2700
スキージ後クランプ
スキージ前クランプ
R1
P
P
A
EXH
OUT
SUP
ロック
ロック
上昇
φ4
φ4
φ4
φ4φ4
φ4
φ4
スキ-シ¨中間ストッパー
スキ-シ¨中間ストッパー
上昇
上昇
φ6
L1100
φ6
L2300
φ6
L1500
φ6
L2000
φ6 L1700
φ4
L2600
ケーフ″ルヘ″ア
ケーフ″ルヘ″ア
SET
G
G
11
12
13
29
13
30
17
17
2626
14
16
25
29
27
15
18
18
19
28
23
24
20 20
19
21
22
No. 名称 個数
11 レギュレータ 1
12 電空レギュレータ 1
13 ユニオンワイ 2
14 ストレートエルボ 1
15 管継手 1
16 ソレノイドバルブユニット 1
17 スピードコントローラ 2
18 メカバルブ 2
19 サイレンサ 4
20 シリンダ 2
21 メカバルブ 1
22 サイレンサ 2
23 シリンダ 1
24 シリンダ 3
25 ソレノイドバルブ 1
26 スピードコントローラ 4
27 サイレンサ 2
28 シリンダ 2
29 ユニオンワイ 4
30 シリンダ 2
1-3
5OM-1501

エア配管図(コンベア、基板チャック部)
0906-003-(1090000201)
φ6
L2600
φ6
L900
フラットケーブル
ケーブルベア
φ6
L1800
φ4 L250
Lコンヘ″ア基板ストッハ°
Rコンヘ″ア基板ストッハ°
基板チャック
φ4
L4000
φ4
L4000
Y55
Y54
Y51
Y50
Y51
Y50
SET
31
31
34
35
36
32
37
32
33
33
No. 名称 個数
31 ソレノイドバルブ 2
32 スピードコントローラ 4
33 シリンダ 2
34 ソレノイドバルブ 1
35 レギュレータ 1
36 スピードコントローラ 2
37 シリンダ 1
1-4
5OM-1501