5OM-1501-006_w - 第85页
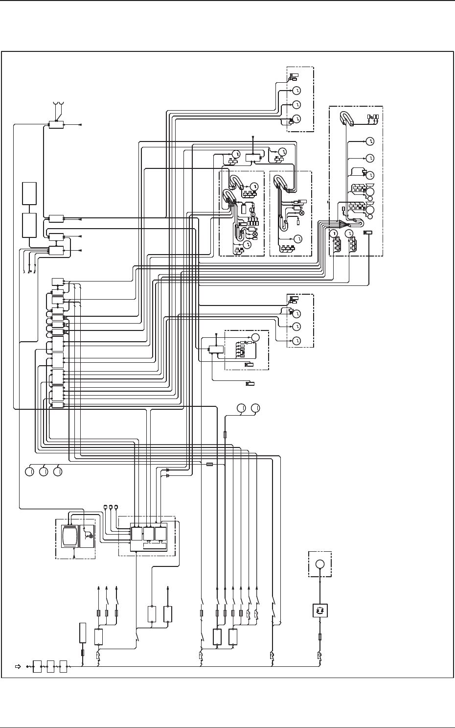
総合ブロック図 0906-004-(M900W A---2001) DVI-I LAN2 LAN1 USB2 USB1 操作パネル部 LCD 制御BOX部 3 ~ M ブロアモータ CN1 CN2 M R コンベア L コンベア 基板チャック・テーブル部 3 ~ M M M PG 1 ~ M 基板認識部 M スキージヘッド部 M 認識 X 軸 M31 B03 ロードセル M27 M スクリーンY軸 M29 スキージ駆動軸 スクリ…

電気回路図で使用する記号
ノイズフィルタ
Z
サーボモータドライバ
A
ステッピングモータ
ドライバ
A
スピードコント
ロールパック
A
スイッチング電源
G
サーボモータ用
ブレーキ電源
G
雷サージプロテクタ
F
ユニット基板
U
ハードディスク
ドライブ
D
フロッピーディスク
ドライブ
D
A
その他ユニット
図記号は一般的にユニットを表します。
回路記号は電気部品の分類により異なり
ます。
備 考
図 記 号
名 称 記 号
インバータ
変換器
U
U
0810-001 3-7
5OM-1501

総合ブロック図
0906-004-(M900WA---2001)
DVI-I
LAN2
LAN1
USB2
USB1
操作パネル部
LCD
制御BOX部
3~
M
ブロアモータ
CN1
CN2
M
Rコンベア
Lコンベア
基板チャック・テーブル部
3~
M
M
M
PG
1~
M
基板認識部
M
スキージヘッド部
M
認識X軸
M31
B03
ロードセル
M27
M
スクリーンY軸
M29
スキージ駆動軸
スクリーン
アンプ
M
(オプション)
M
N80
N81
N82
LAN2
LAN1
USB
前工程信号
後工程信号
CN2
Y90
スクリーン認識カメラ
(オプション)
CN1
COM1
M M
M
3~
M
PG
M M
M M
M
24B1
24B1
24B3
48F1
48F3
48F5
48F7
24A1
24A3
24A5
24A3
12C
24A3,A5
24A3,A5
24A1
24A3,A5,A7
24E
24A3,24E
3
3
3
3
3
2
3
3 3
2
3 3
2
3
3
2 2 2
3
2
2
3
2
3φ AC200V
Z02
NOISE
FILTER
FILTER
NOISE
Z01
Q200
F101-301
V01
Q201
+24V(A)
G01
F01
F02
K06
F03
K08
K201
H00
U50
U52
U53
U51
+12V(C)
G03
+24V(E)
G04 24E
Q202
K202
+24V(B)
G02
F04
K06
+48V(F)
G05
F06
F07
K09
K09
Q205
K18
Q206
K19
Q203
K203A K203B
Q204
F110,F210,F310
K204
F10
F200
K2E
BOXコンピュータ,DC負荷,
パルスモータドライバ
M
M06
M01
M
M07
M
M03
M
M04
M
M05
F11
F05
K08
雷サージプロテクタ
RS485
PCI Bus
HLSC
認識
タッチパネル
主電源
制御電源
A45
ドライバ
A37
ドライバ
ドライバ
A25
A19
ドライバ
A29
ドライバ
ドライバ
A27
ドライバ
A33
A35
ドライバ
コントローラ
U23
A23
サーボアンプ
コントローラ
U17
A17
サーボアンプ
M41M37
コンベア幅基板搬送1
M43 M37
コンベア幅基板搬送2
テーブルθ軸
上下軸
基板バックアップ
テーブルZ軸 レール幅軸
テーブルX軸
M21
M23M17 M25
M19
M02
基板認識X軸
認識カメラ
基板
基板認識Y軸
M35
M33
クリーニング部
M43
基板搬送2
M41
基板搬送1
シュート
M49 M51
基板搬送1
シュート
基板搬送2
電空レギュレータ
リレー基板
U54
非常停止 前,後
安全カバー 前,後,クリーニング部
B04
負荷電源
コンタクタ,リレー
Q201~Q206 CB接点モニタ
サーボ主電源回路
コンタクタ
操作スイッチ
U05
16in16out
U03
前後I/F
U09
16in16out
U07
16in16out
U02
16in16out
3-8
5OM-1501

省配線システム図
0906-001-(M900WA---2002)
アドレス設定
0
アドレス設定
1
アドレス設定
2
アドレス設定
3
アドレス設定
4
アドレス設定
5
アドレス設定
6
アドレス設定
7
アドレス設定
8
アドレス設定
9
アドレス設定
12~15
アドレス設定
16~19
アドレス設定
7
アドレス設定
2
アドレス設定
3
アドレス設定
5
アドレス設定
9
スキージヘッド部
M
スキージ駆動軸
M27
M M
M
M41
M
M43
M
M49
シュート
基板搬送1
シュート
基板搬送2
M
L
コンベア
M M M
Rコンベア
基板搬送2
M37 M37 M41 M43
R
コンベア
Rコンベア
基板搬送1
M
M51
Lコンベア
基板搬送2
Lコンベア
基板搬送1
M
シュート
幅切替
M25
テーブルZ軸
M17
3~
M
基板認識Y軸
M33
基板認識X軸
M35
M
テーブルX軸
M19
M
テーブルθ軸
M21
M
スクリーンY軸
M29
M
スクリーン認識X軸
M31
基板上下軸
M23
3~
M
COM1
制御BOX
A27
ドライバ
ドライバ
ドライバ
U05
16in16out
A53
(オプション)
基板搬送部io
基板チャック部io
U03
8in8out
前後I/F部io
U02
16in16out
操作パネル部io
リレー回路部io
X0201 X0202X0305 X0901
U53-CN1
ロードセルアンプ
U52
N1 N2 N1 N2
A45
ドライバ
N1 N2
N1 N2
A37
ドライバ
N1 N2
HLSC
U52-CN1
40
U53
RS485
U53-CN2
CN7 CN8 CN9
CN10
A25
ドライバ
N1 N2
CN7 CN8 CN9
CN10
CN4
U17
パルスコントローラ
N1 N2
U23
パルスコントローラ
N1 N2
A17
ドライバ
X0501 X0502
16in16out
X0701
U07
スキージヘッド部io
基板認識部io
16in16out
BOXコンピュータ
U50
A33
A35
A19
ドライバ
N1 N2
A29
ドライバ
N1 N2
U09
印圧制御部io
クリーニング部io
X0304
A23
ドライバ
U52-CN2
3-9
5OM-1501