5OM-1501-006_w - 第88页
1 109-004A(M900WBB--2002) リレー回路図 1 5 3 2 K23 電源切りリレー 13 12 63 64 53 54 K201 BOXコンピュータ等電源 A2 A1 1 4 3 2 X1006 X0220:2 X0218:2 X0219:2 X0218:1 8 3 4 9 8 7 6 5 4 3 2 1 11 10 9 8 7 6 5 2 1 2 1 9 8 7 6 4 3 2 1 4 3 2 1 4 3 2 …

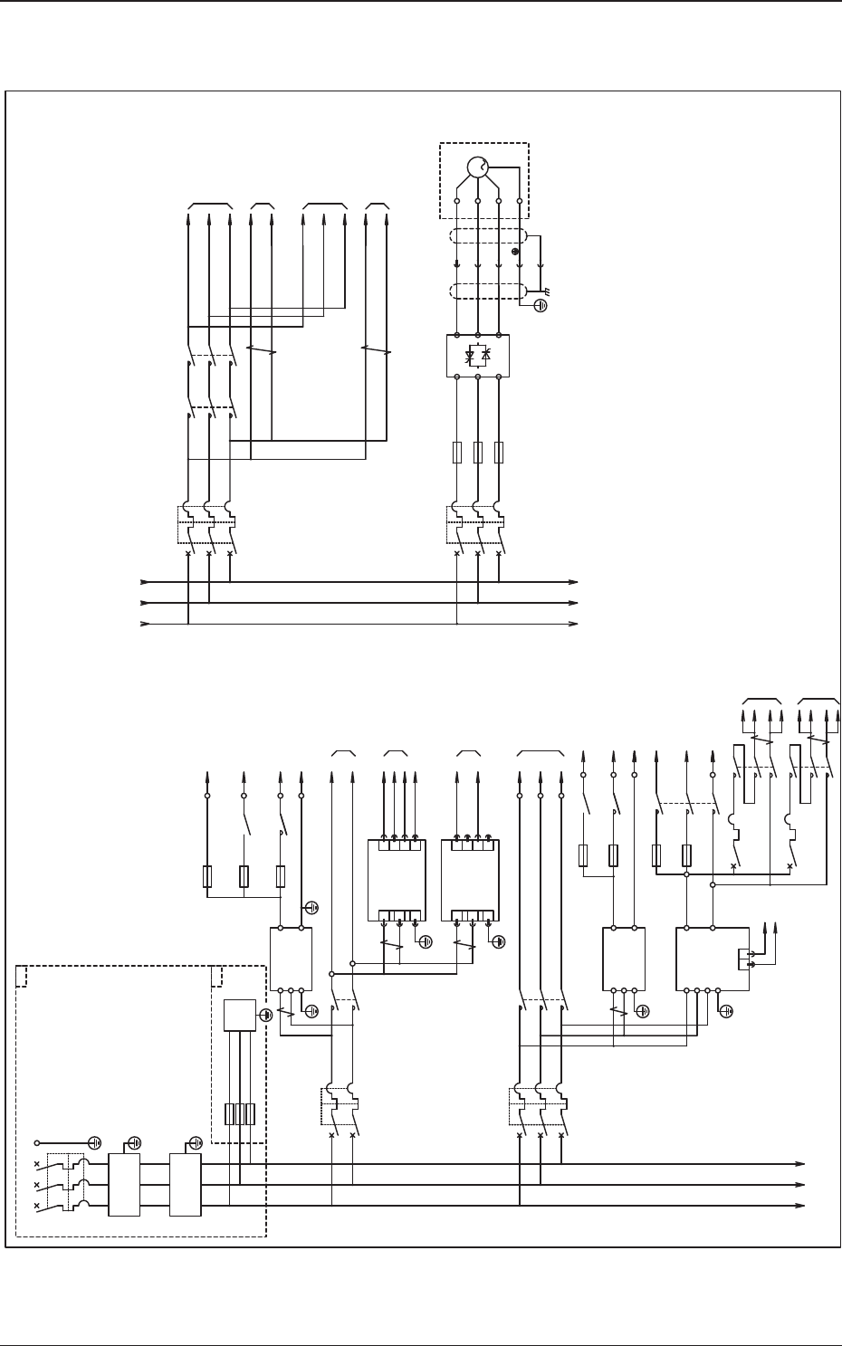
0906-003-(M900WBB--2001)
電源回路図
(5A)
(5A)
(5A)
Z01
PEL3L2L1
Absorber
6
NOISE FILTER1
4
5
1 2 3
L100
L200
L300
L201
L301
Lightning
Surge
L101
Q200
L302A
L202A
L102A
F101
F301
F201
BA
L302L202L102
L102 L202 L302
V01
L302L202L102
BA
(15A)
K202
Q202
L305
L205
L105
5 6
43
1
2
L306
L206
L106
(100W)
(2A)
(3.15A)
43
10B
24B3
24B1
F05
F04
24B2
24B
G02L
N
FG -V
+V
(B)
K08
6 5
24B4
K06
(1800W)
(5A)
43
10F1
48F3
F07
48F
G05L1
FG
-
+
(F)
48F4
(5A)
48F1
F06
48F2
1 2
Q201
K201
L203
L103
43
1 2
L204
G04
(E)
(10W)
24E
10E
G04-CN2G04-CN1 CN1 CN2
1
2
3
4
1
5
3
G03
(C)
(10W)
G03-CN1
-V
AC(L)
CN1 CN2
1
2
3
4
-V
+V
+V
1
5
3
AC(N)
FG
12C
10C
G03-CN2
:1
:3
:5
:6
24A
24A3
24A4
F03
K08
1 2
(3.15A)
(2A)
(150W)
10A
24A5
(A)
+V
-VFG
N
L G01
(1.6A)
24A2 K06
3 4
F02
F01
L104
DC24V
DC12V
DC24V
L204
L104
AC(L)
AC(N)
FG
-V
-V
+V
+V
24A1
DC24V
DC48V
(8A)
L2
L3 10F
Q205
Q206
21
K18
34
65
48F61
48F62
48F5
10F5
21
K19
34
65
48F81
48F82
48F7
10F7
K09
10B
CNO2
11 12
TOGPF
:1
:2
G05
-CNO2
65
10C
:2
12C
:4
48F5
10F5
48F7
10F7
4
6
2
5
3
1
(6.3...10A)
K204
Q204
E
W
V
U
L310
L210
L110
L311
L211
L111
6
4
2
6
4
21
3
5
M01
3
M
:L1
:L2
:L3
:
M01
:
Q203
3
5
1
K203A
L308
L208
L108
5 6
43
1 2
6
4
2
L108
L308
L309
L209
L109
(15A)
L108
L308
L309
L209
L109
K203B
5 6
43
1 2
L309A
L209A
L109A
L302
L202
L102
Z02
3
NOISE FILTER1
1
2
4 5 6
5
1
(30A)
(30A)
(30A)
3
L310A
L210A
L110A
F110
F210
F310
PMD電源
制御電源(FAN)
DC24V
負荷電源(A25電源)
DC24V
搬送多軸PMD A37電源
DC48V
搬送多軸PMD A45電源
DC48V
前後I/F電源
DC24V
カメラ電源
DC12V
X1G03
N03-CN1
BOXコンピュータ電源
省配線制御電源
DC24V
省配線負荷電源
DC24V
安全回路電源
DC24V
ACモーター電源
PMD A19電源
DC48V
PMD A29電源
DC48V
U02-X0216
ブロアモータ
テーブルZ軸
主電源
テーブルZ軸
制御電源
基板上下軸
主電源
基板上下軸
制御電源
3-10
5OM-1501

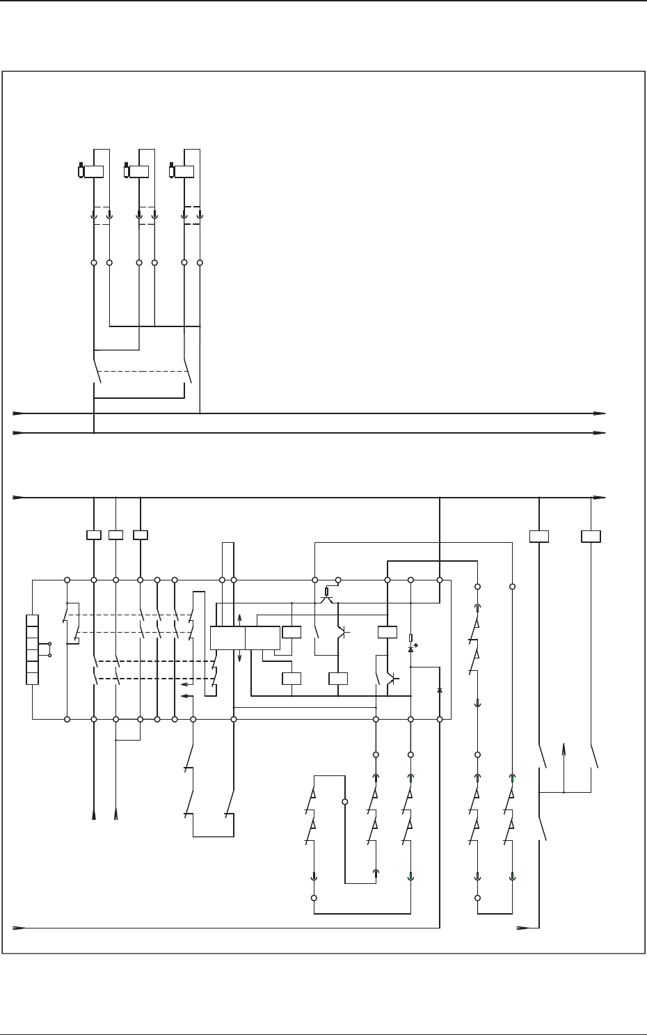
1109-004A(M900WBB--2002)
リレー回路図 1
5
3 2
K23
電源切りリレー
13
12
6364
5354
K201
BOXコンピュータ等電源
A2A1
1
4
3
2
X1006
X0220:2
X0218:2
X0219:2
X0218:1
8
34
987654321
11
10
9
8
7
6
5
2
1
2
1
9
8
7
6
4
3
2
1
4
3
2
1
4
3
2
1
4
3
2
1
4
3
2
1
4
3
2
1
X010
X009
X006
X007
X005
X003
X002
X004
X001
負荷電源遮断
c:100uF 50V
r:22Ω 1W
1
1
4 3
K14
5 6
K15
4 3
K30
K202
負荷電源モニタ2
K15
8 1
負荷電源モニタ1
テーブルZ軸/
基板上下軸
電源回路
PMD電源
K02
K14
5 634
K16K03
4 3 18
K14
323154 536463
43 44 3334 21 22
1211
K13K12
64 635453
K11
22 111221
K11 K12
K13
0 1
安全リレー3
安全リレー2
10
K12
K13
53 54
4344
K12
34 33
K11
K13
43 44
安全リレー1
K11
0 1
5 6
エア圧
モニタ
CB警報
モニタ
電源入り遅延
K01
4
6
K02T
2
3
21
22
24
K03
8 116 13
エア圧低下モニタ
18
K30
K16
5 6
34
K15
K03
5 6
CB警報モニタ
Z軸サーボ/基板上下軸アラームモニタ
1
8
K16
13
4
11
9
6
8
全負荷電源モニタ
負荷電源投入
K22
1 16
K22
K01T
2
3
21
22
24
K02
8 1
1
16
8
13
34
65
K02
K01
K01
電源入り遅延
電源投入
10A
24A1
(DC24V)
Q202Q201
2221
A2A1
S10
制御電源AC200V用CB
A2A1
B
A
緑
赤
K202
省配線 制御電源
K08
1
K06
DC24V 制御電源
S01
電源入り
非常停止(操作パネル)
C1R1
D6
D7
D8
D3
D9
D4
D5
D1
D2
D10
リレ−基板
U54
H01
1112
2122
100
101
102 103
負荷電源AC200用CB
104
6162
K203A
PMD電源用
テーブルZ軸電源
基板上下軸電源
110 112
K09
A2A1
搬送多軸PMD電源
K07
K07
122
126
128
129
130
131
132
133
134
125
124
160
161
162
163
168
169
170
171
2221
114
1114
105
Q203
テーブルZ軸/基板上下軸
電源CB
1211
117
2221
K19K08
Q205Q206
2軸PMD電源用CB
108
2221
K18
2221
K09
搬送多軸PMD電源
2軸軸PMD電源
115
K18
A2A1
K19
A2A1
2軸PMD電源
2軸PMD電源
120
K315
エア圧モニタ
43
X0221:2
X0222:2
X0232:2
X0232:1
11141114
CNO CNO
K07
0 16463
K08
負荷電源投入
4
3
2
1
X008
非常停止(後面)
S11
172
173
174
175
1112
2122
135
6261
K203B
113
テーブルZ軸電源
基板上下軸電源
2軸軸PMD電源
K07
負荷電源投入 負荷電源投入
106
2軸PMD電源用CB
107
Q204
ブロアモータCB
1413
111
116
32
K3170
150
32
K3230
151
テーブルZ軸アラーム
基板上下軸アラーム
152
32
安全扉(前面)
安全扉(後面)
140
安全扉(クリーニング部)
31
S12
5
S12
1
S10
2
3
4
3132
5
6
3132
6
5
1
S11
2
3
4
6
S12
141
32
142
31
S13
5
S13
6
S13
143
32
144
31
S14
5
S14
6
S14
145
K117B
回生抵抗アラーム
153
43
3-11
5OM-1501

0906-003-(M900WBB--2003)
リレー回路図 2
24B1
10B
O1
O2
K10
4 3
O2
O1
186
(+)
(-)
(+)
(-)
O2
O1
(+)
(-)
安全扉(後面)
電磁ロック
65
187
E1
E2
E2
E1
E2
E1
S13
S14
:10
:9
S12
:10
:9
S13
:10
:9
S14
安全扉(クリーニング)
電磁ロック
S12
K1 K2
K4K3
JP
4
3
b
a
b
a
Control
CircuitTimer
OFF Delay
K4
K3
K2
K1
54
44
34
24
14
A
B
T22
T21
PET11
T12
T31
T32
13
23
33
43
53
A2A1
K320
1 2 3 4 5 6
6261
K203A
テーブルZ軸/
基板上下軸
主電源
A2A1
K203B
A2A1
203
K203A
2221
204
K203B
2221
205
K310
1112
206
42411211
S14 S14
安全扉閉(後面)
198
196
11124142
S12 S12
安全扉閉(前面)
195
24A1
2122
S13
5152
S13
安全扉閉(クリーニング)
2221
S14 S14
5251
安全扉閉(後面)
10A
K310
10
202
199
K310
44 43
K17B
15
24A5
K3171
14 10
S12
:1
197
11124142
S13 S13
安全扉閉(クリーニング)
S13
:2
S14
:1
S14
:2
S12
:2
S12
:3
201
21225152
S12 S12
安全扉閉(前面)
S12
:8
S13
:3
S13
:8
S14
:3
S14
:8
183
K23B
26
K3231
13 9
200
安全扉(前面)
電磁ロック
125
124
180
181
182
扉閉確認モニタ
M17ブレーキ解除
24A7 184
185
24A7
M23ブレーキ解除
DATE
NAME
REVISION
3-12
5OM-1501