P-257-004e - 第32页
MODEL PXH-1 1006-003 30 チャック部 CHUCK SECTION Fig. E-4 Z 軸駆動部 Z Axis Driver 314 323 325 324 329 324 330 31 1 367 368 366 362 312 362 366 31 1 368 367 321 314 312 See Fig.E-1 Key No.1 1 See Fig.B-1 Key No.7 333 317 318 317 …

MODEL PXH-1
1006-003
29
Key No. PART No. PART NAME Q’ty REMARKS New Code
NOTE
E-3
201 6300882988 BEARING,UNIT 2 831E--110-201 222F0076
202 6301387093 BALL SCREW 2 831E--110-202 223A0086
203 6300553369 BEARING,RADIAL 2 831E--110-203 222D0257
204 6300966596 RING 2 831E--110-204 221K0039
205 6301424750 PULLEY,TIMING 2 831E--110-205 223Q0625
208 6300805246 BEARING,RADIAL 2 831E--110-208 222D0313
210 6300966619 RING 1 831E--110-210 221K0041
211 6300884739 COLLAR 1 831E--110-211 216A0830
212 6301431796 COUPLING 1 831E--110-212 223C0228
213 6301400655 MOTOR,STEPPING 1 M25 831E--110-213 4M140155
216 6300883886 PIN,LOCATE 2 831E--110-216 216E0891
217 6301429052 BELT,TIMING 1 831E--110-217 223L0309
218 6301462523 BRACKET 1 831E--110-218 211FA917
219 6301462530 BRACKET 1 831E--110-219 211FA918
220 6301432717 BRACKET 1 831E--110-220 211FA523
221 6301432694 BRACKET 1 831E--110-221 211FA521
222 6301402024 PLATE 1 831E--110-222 211DB008
223 6301402031 PLATE 1 831E--110-223 211DB009
224 6301464893 PLATE 2 831E--110-224 211DB691
226 6301419480 BRACKET 1 831E--110-226 211FA327
227 6301392776 PIN,HINGE(PIN) 1 831E--110-227 216D0518
230 6301429380 COVER 1 831E--110-230 211AA386
231 6301429397 COVER 1 831E--110-231 211AA387
232 6301492346 BRACKET 1 831E--110-232 211FB254
262 6300007510 BOLT,HEX-SCT 6 M3X8 221A0006
264 4111413902 WASHER V 3X7X0.5 23 FW3 221H0312
265 4111412806 WASHER SPR 3 23 SW3 221H0281
266 6300082296 SET SCREW 4 M4X4 SET 221C0027
267 4110511708 SCR TRS 4X6 4 M4X6 TRS 221E0532
268 6300007626 BOLT,HEX-SCT 1 M4X10 221A0017
269 6300764437 BOLT,HEX-SCT 8 M4X15 221A0225
270 4111414008 WASHER V 4X9X0.8 5 FW4 221H0315
271 4111412905 WASHER SPR 4 5 SW4 221H0284
273 6300007763 BOLT,HEX-SCT 18 M5X16 221A0031
275 4111414107 WASHER V 5X10X1 18 FW5 221H0318
276 4111416705 WASHER SPR 5 18 SW5 221H0287
277 4111188503 NUT HEX 5 1 M5 F 221F0084
278 6300007565 BOLT,HEX-SCT 1 M3X20 221A0011
279 6300007619 BOLT,HEX-SCT 4 M4X8 221A0016
280 6300007534 BOLT,HEX-SCT 16 M3X12 221A0008

MODEL PXH-1
1006-003
30
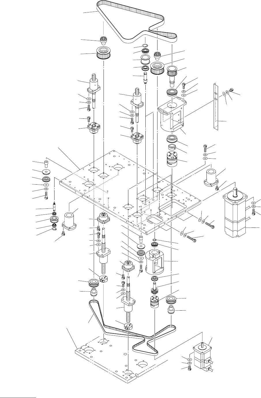
チャック部
CHUCK SECTION
Fig. E-4 Z
軸駆動部
Z Axis Driver
314
323
325
324
329
324
330
311
367
368
366
362
312
362
366
311
368
367
321
314
312
See Fig.E-1
Key No.11
See Fig.B-1
Key No.7
333
317
318
317
316
327
365
312
362
366
368
367
320
326
319
313
366
362
312
368
367
363
305
314
313
301
302
332
372
373
371
372
373
371
367
368
366
310
365
327
302
303
364
362
320
314
321
307
306
372
363
364
331
328
306
308
309
372
373
370
361
373
369
336
336
335
335
375
368
374
336
336
375
374
368
304
326

MODEL PXH-1
1006-003
31
Key No. PART No. PART NAME Q’ty REMARKS New Code
NOTE
E-4
301 6301424729 PULLEY,TIMING 1 831E--110-301 223Q0622
302 6300011425 BEARING,RADIAL 2 831E--110-302 222D0021
303 4110007102 RING C 10 1 831E--110-303 221K0076
304 6301431789 COUPLING 1 831E--110-304 223C0227
305 6301400679 MOTOR,STEPPING 1 M23 831E--110-305 4M140157
306 6300011463 BEARING,RADIAL 2 831E--110-306 222D0025
307 6301424705 PULLEY,TIMING 1 831E--110-307 223Q0620
308 6300883916 SET COLLAR 1 831E--110-308 216K0085
309 6301431802 COUPLING 1 831E--110-309 223C0229
310 6301433806 MOTOR,AC-SERVO 1 M17 831E--110-310 4M150233
311 6301394633 BALL SCREW 3 831E--110-311 223B0377
312 6300136241 BEARING,UNIT 6 831E--110-312 222F0026
313 6301424736 PULLEY,TIMING 3 831E--110-313 223Q0623
314 6301429144 CLAMP 6 831E--110-314 226H0067
316 6300966602 RING 1 831E--110-316 221K0040
317 6300884081 BEARING,RADIAL 2 831E--110-317 222D0331
318 6301424743 PULLEY,TIMING 1 831E--110-318 223Q0624
319 6301526027 BELT,TIMING 1 831E--110-319 223L0349
320 6301394640 BALL SCREW 3 831E--110-320 223B0378
321 6301424712 PULLEY,TIMING 3 831E--110-321 223Q0621
323 6301526010 BELT,TIMING 1 831E--110-323 223L0348
324 6300011432 BEARING,RADIAL 4 831E--110-324 222D0022
325 4110007300 RING C 12 2 831E--110-325 221K0077
326 6301445113 COLLAR(SET COLLAR) 3 831E--110-326 216A1361
327 6300883954 BUSH,BALL 3 831E--110-327 222J0196
328 6301419572 BRACKET 1 831E--110-328 211FA330
329 6300879049 PULLEY 2 831E--110-329 213B0120
330 6300906325 BOSS 2 831E--110-330 213E0122
331 6301417967 PLATE 1 831E--110-331 211DB209
332 6301029801 BRACKET 1 831E--110-332 211F6195
333 6301447964 SHAFT 1 831E--110-333 213A1308
335 6301161792 BOSS(PIN) 4 831E--110-335 213E0159
336 6300011548 BEARING,RADIAL 8 831E--110-336 222D0033
361 6300007626 BOLT,HEX-SCT 2 M4X10 221A0017
362 6300007657 BOLT,HEX-SCT 28 M4X16 221A0020
363 4111414008 WASHER V 4X9X0.8 6 FW4 221H0315
364 4111412905 WASHER SPR 4 6 SW4 221H0284
365 6300007770 BOLT,HEX-SCT 12 M5X20 221A0032
366 6300007770 BOLT,HEX-SCT 28 M5X20 221A0032
367 4111414107 WASHER V 5X10X1 28 FW5 221H0318
368 4111416705 WASHER SPR 5 32 SW5 221H0287
369 6300007893 BOLT,HEX-SCT 4 M6X20 221A0044
370 6300007909 BOLT,HEX-SCT 2 M6X25 221A0045
371 6300007930 BOLT,HEX-SCT 4 M6X40 221A0048
372 4111414305 WASHER V 6X12.5X1.6 10 FW6 221H0320
373 4111413001 WASHER SPR 6 10 SW6 221H0289
374 6300007824 BOLT,HEX-SCT 4 M5X45 221A0037
375 6300010220 WASHER 4 BW5 221H0005